电脑桌面
添加小米粒文库到电脑桌面
安装后可以在桌面快捷访问

幕墙工程检验批划分方案(按层划分)1VIP免费

幕墙工程检验批划分方案(按层划分)1_第1页
1/6
幕墙工程检验批划分方案(按层划分)1_第2页
2/6
幕墙工程检验批划分方案(按层划分)1_第3页
3/6
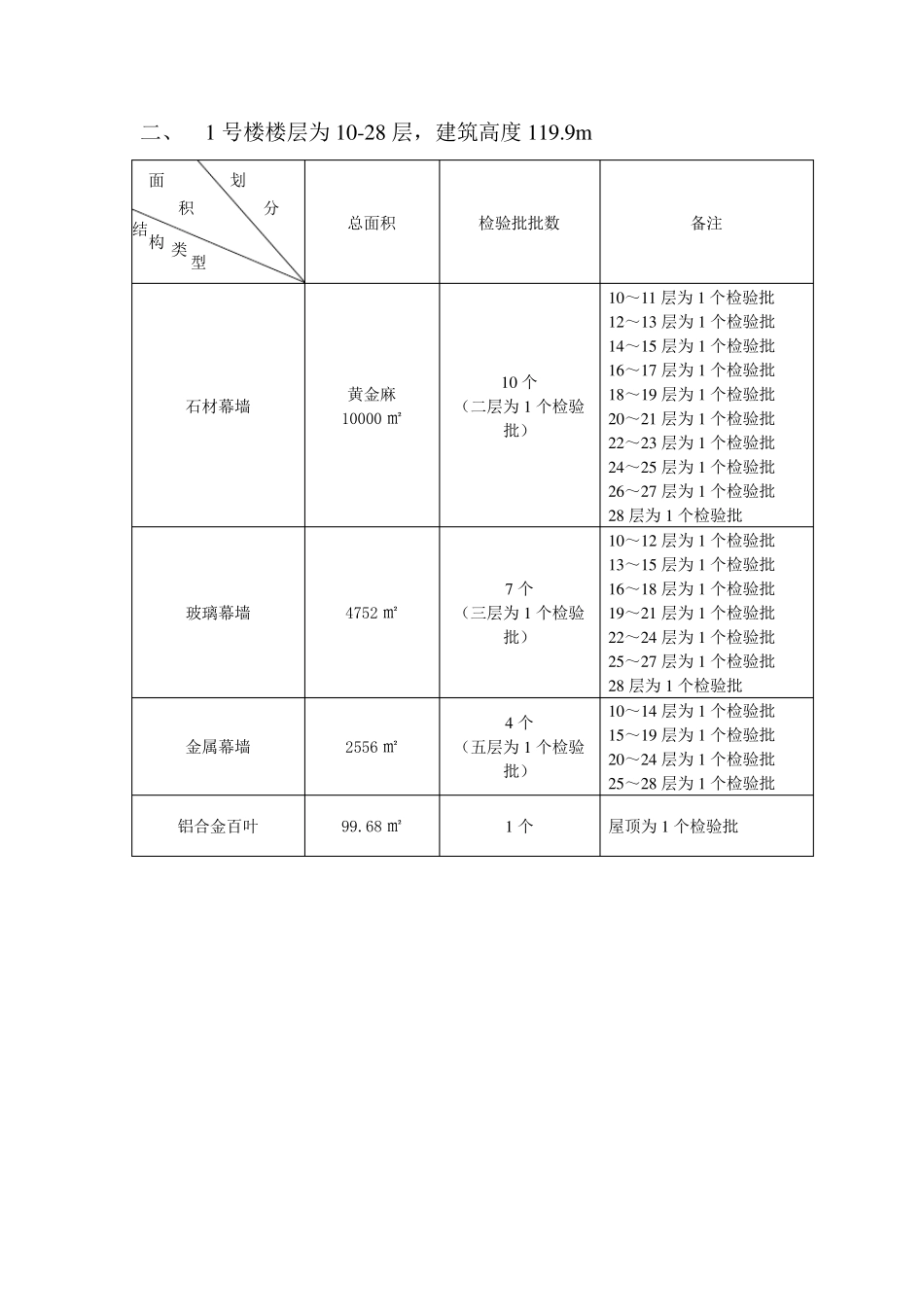
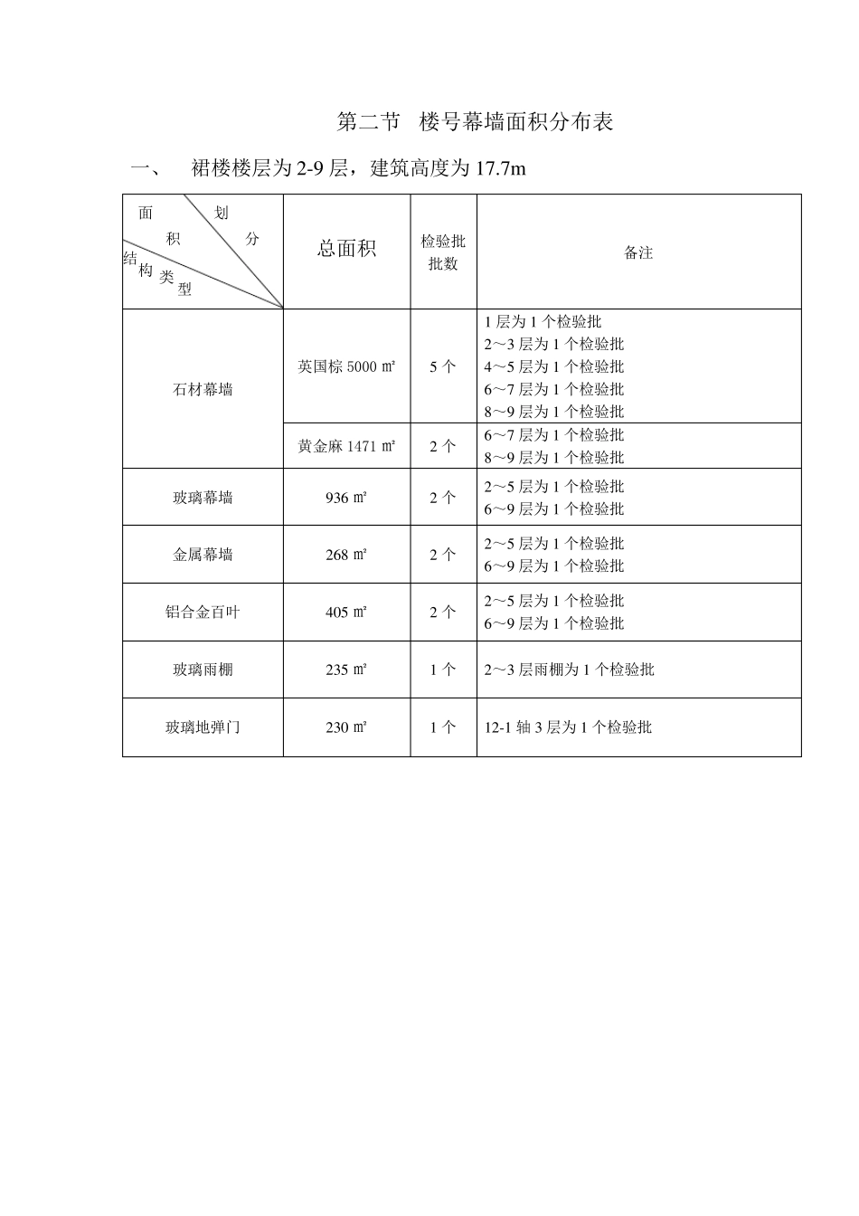
x x x 大楼幕墙工程检验批划分方案 第一节 工程概况 一、 工程名称:xxxx大楼 二、 建设地点: 三、 建设单位: 四、 监理单位: 五、 结构类型及层数:框架剪力墙结构;1 号楼为办公楼,高119.9m;2 号楼为住宅楼,高 114m。 六、 施工范围:玻璃幕墙、石材幕墙、金属幕墙、铝合金百叶、钢化夹胶玻璃雨棚、钢化玻璃地弹门等。 其主要工程量如下: 1) 玻璃幕墙 5688 m2; 2) 石材幕墙 23171m2; 3) 金属幕墙 3945m2; 4) 铝合金百叶 987 m2; 5) 钢化夹胶玻璃雨棚 235 m2; 6) 钢化玻璃地弹门 230 m2; 第二节 楼号幕墙面积分布表 一、 裙楼楼层为 2-9 层,建筑高度为 17.7m 总面积 检验批批数 备注 石材幕墙 英国棕 5000 ㎡ 5 个 1 层为 1 个检验批 2~3 层为 1 个检验批 4~5 层为 1 个检验批 6~7 层为 1 个检验批 8~9 层为 1 个检验批 黄金麻 1471 ㎡ 2 个 6~7 层为 1 个检验批 8~9 层为 1 个检验批 玻璃幕墙 936 ㎡ 2 个 2~5 层为 1 个检验批 6~9 层为 1 个检验批 金属幕墙 268 ㎡ 2 个 2~5 层为 1 个检验批 6~9 层为 1 个检验批 铝合金百叶 405 ㎡ 2 个 2~5 层为 1 个检验批 6~9 层为 1 个检验批 玻璃雨棚 235 ㎡ 1 个 2~3 层雨棚为 1 个检验批 玻璃地弹门 230 ㎡ 1 个 12-1 轴 3 层为 1 个检验批 划 分 面 积 结 构 类 型 二、 1 号楼楼层为 10-28 层,建筑高度 119.9m 总面积 检验批批数 备注 石材幕墙 黄金麻 10000 ㎡ 10 个 (二层为 1 个检验批) 10~11 层为 1 个检验批 12~13 层为 1 个检验批 14~15 层为 1 个检验批 16~17 层为 1 个检验批 18~19 层为 1 个检验批 20~21 层为 1 个检验批 22~23 层为 1 个检验批 24~25 层为 1 个检验批 26~27 层为 1 个检验批 28 层为 1 个检验批 玻璃幕墙 4752 ㎡ 7 个 (三层为 1 个检验批) 10~12 层为 1 个检验批 13~15 层为 1 个检验批 16~18 层为 1 个检验批 19~21 层为 1 个检验批 22~24 层为 1 个检验批 25~27 层为 1 个检验批 28 层为 1 个检验批 金属幕墙 2556 ㎡ 4 个 (五层为 1 个检验批) 10~14 层为 1 个检验批 15~19 层为 1 个检验批 20~24 层为 1 个检验批 25...

1、当您付费下载文档后,您只拥有了使用权限,并不意味着购买了版权,文档只能用于自身使用,不得用于其他商业用途(如 [转卖]进行直接盈利或[编辑后售卖]进行间接盈利)。
2、本站所有内容均由合作方或网友上传,本站不对文档的完整性、权威性及其观点立场正确性做任何保证或承诺!文档内容仅供研究参考,付费前请自行鉴别。
3、如文档内容存在违规,或者侵犯商业秘密、侵犯著作权等,请点击“违规举报”。

碎片内容

幕墙工程检验批划分方案(按层划分)1

您可能关注的文档

确认删除?
VIP
微信客服
  • 扫码咨询
会员Q群
  • 会员专属群点击这里加入QQ群
客服邮箱
回到顶部