电脑桌面
添加小米粒文库到电脑桌面
安装后可以在桌面快捷访问

机械租赁合同示范文本71VIP免费

机械租赁合同示范文本71_第1页
1/3
机械租赁合同示范文本71_第2页
2/3
机械租赁合同示范文本71_第3页
3/3
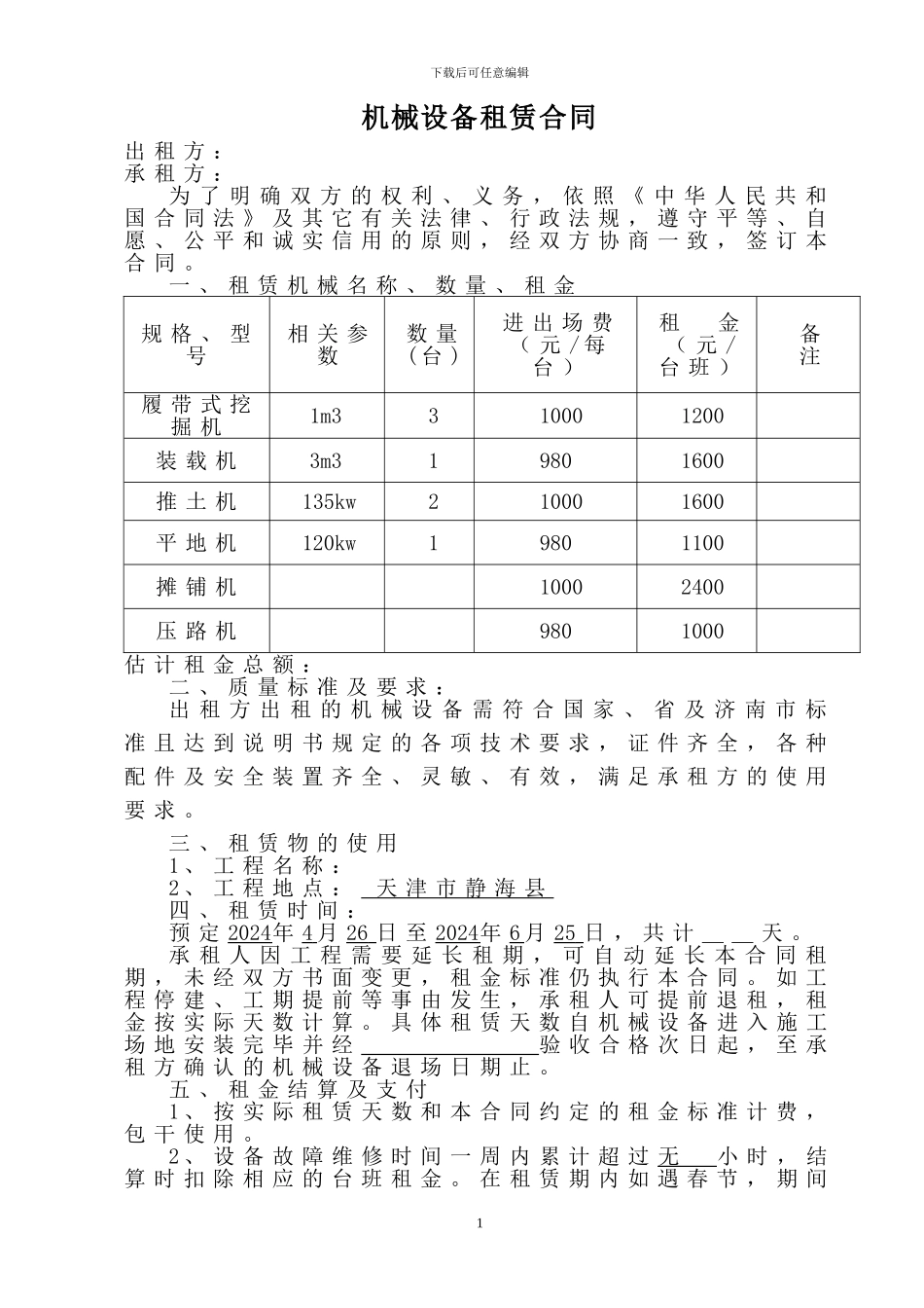
下载后可任意编辑机械设备租赁合同出 租 方 : 承 租 方 : 为 了 明 确 双 方 的 权 利 、 义 务 , 依 照 《 中 华 人 民 共 和国 合 同 法 》 及 其 它 有 关 法 律 、 行 政 法 规 , 遵 守 平 等 、 自愿 、 公 平 和 诚 实 信 用 的 原 则 , 经 双 方 协 商 一 致 , 签 订 本合 同 。一 、 租 赁 机 械 名 称 、 数 量 、 租 金规 格 、 型号相 关 参数数 量( 台 )进 出 场 费( 元 / 每台 )租 金( 元 /台 班 )备 注履 带 式 挖掘 机1m3310001200 装 载 机3m319801600推 土 机135kw210001600平 地 机120kw19801100摊 铺 机10002400压 路 机9801000估 计 租 金 总 额 : 二 、 质 量 标 准 及 要 求 :出 租 方 出 租 的 机 械 设 备 需 符 合 国 家 、 省 及 济 南 市 标准 且 达 到 说 明 书 规 定 的 各 项 技 术 要 求 , 证 件 齐 全 , 各 种配 件 及 安 全 装 置 齐 全 、 灵 敏 、 有 效 , 满 足 承 租 方 的 使 用要 求 。三 、 租 赁 物 的 使 用1 、 工 程 名 称 : 2 、 工 程 地 点 : 天 津 市 静 海 县 四 、 租 赁 时 间 :预 定 2024 年 4 月 26 日 至 2024 年 6 月 25 日 , 共 计 _ _ 天 。承 租 人 因 工 程 需 要 延 长 租 期 , 可 自 动 延 长 本 合 同 租期 , 未 经 双 方 书 面 变 更 , 租 金 标 准 仍 执 行 本 合 同 。 如 工程 停 建 、 工 期 提 前 等 事 由 发 生 , 承 租 人 可 提 前 退 租 , 租金 按 实 际 天 数 计 算 。 具 体 租 赁 天 数 自 机 械 设 备 进 入 施 工场 地 安 装 完 毕 并 经 验 收 合 格 次 日 起 , 至 承租 方 确 认 的 机 械 设 备 退 场 日 期 止 。五 、 租 金 结 算 及 支 付1 、 按 实 际 租 赁 天 数 和 本 合 同 约 定 的 租 金 标 准 计 费 ,包 干 使 用 。2 、 设 备 故 障 维 修 时 间 一 周 内 累 计 超 过 无 小 时 , 结算 时 扣 除 相 应 的 台 班 租 金 。 在 租 赁...

1、当您付费下载文档后,您只拥有了使用权限,并不意味着购买了版权,文档只能用于自身使用,不得用于其他商业用途(如 [转卖]进行直接盈利或[编辑后售卖]进行间接盈利)。
2、本站所有内容均由合作方或网友上传,本站不对文档的完整性、权威性及其观点立场正确性做任何保证或承诺!文档内容仅供研究参考,付费前请自行鉴别。
3、如文档内容存在违规,或者侵犯商业秘密、侵犯著作权等,请点击“违规举报”。

碎片内容

机械租赁合同示范文本71

您可能关注的文档

确认删除?
VIP
微信客服
  • 扫码咨询
会员Q群
  • 会员专属群点击这里加入QQ群
客服邮箱
回到顶部