电脑桌面
添加小米粒文库到电脑桌面
安装后可以在桌面快捷访问

2025年路缘石技术交底三级VIP免费

2025年路缘石技术交底三级_第1页
1/7
2025年路缘石技术交底三级_第2页
2/7
2025年路缘石技术交底三级_第3页
3/7
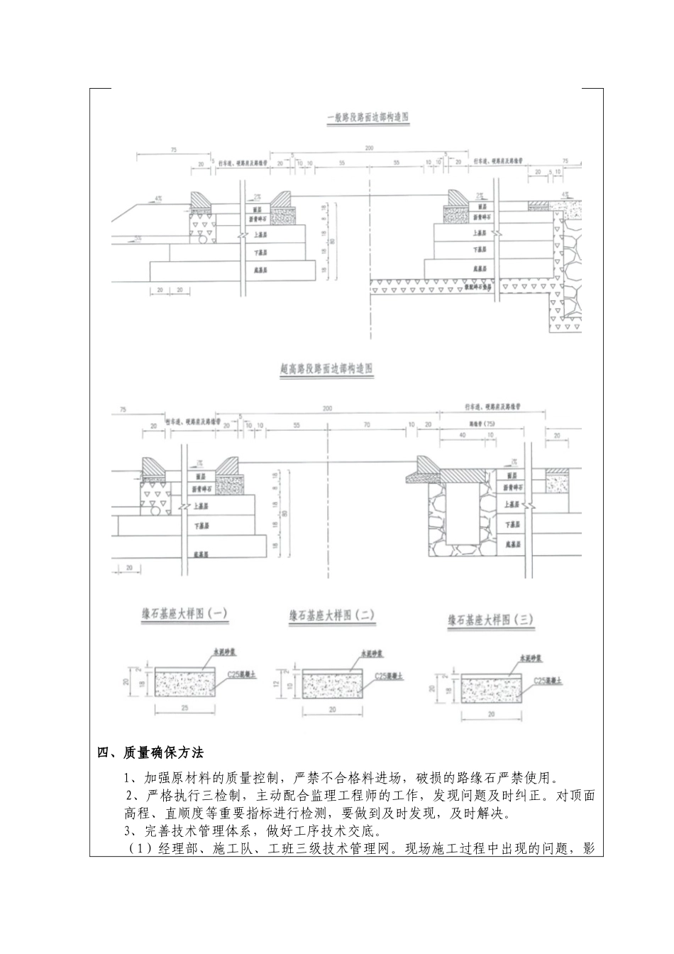
文登至莱阳高速公路工程安全技术交底统计表 承包单位:山东科达基建有限公司 合同号:十九合同段 监理单位:山东省交通工程监理咨询有限公司 编 号: 交底工序或工程名称路缘石安装交底时间 参加对象及人数 班组长、农民工交底人交底地点施工现场统计人一、工程概况十九合同起始桩号 K113+500,结束桩号 K134+000,标段长度 20.50km。根本采用高速公路建设原则,双向四车道,设计行车速度 100km/h,路基宽度26m,根本段及互通区路侧设立花岗岩路缘石,普通路段中央分隔带两侧及超高路段内侧采用凸缘石,超高路段曲线外侧中央分隔带采用凸缘石,路肩采用平缘石,路缘石采用 M7.5 水泥砂浆砌筑,缘石与缘石之间留 2mm 缝隙。二、施工准备1、人员投入序号姓名职务职责1朱文杰生产副经理现场生产调度负责人2许聪施工员现场放线、施工3王春祥质检人员质量检测验收4李兴平安全工程师施工安全负责人5苏庆兵现场管理组长负责现场施工工作6尉伟星实验检测工程师负责全方面的实验管理工作7劳务人员 16 人2、原材料准备(1)水泥:山东山铝环境新材料有限公司,普通硅酸盐水泥 P.O42.5.(2)细集料:烟台市莱西市院上镇段家许村砂场,二类中砂河砂(3)水:自来水。(4)设计稠度 50-70mm,配合比的水灰比为 0.81。3、配合比山东山铝水泥 P.O42.5 水泥砂浆配比:水泥:细集料:水=310:1435:251=1:4.63:0.81三、施工流程施工放样 →铺砂浆→安砌路缘石→养护1、测量放样:施工技术人员采用 GPS 恢复道路中线并按图纸规定测设路缘石边线,在直线部分桩距 10-15m,在弯道上为 5-10m。 2、安砌: (1)设立钉桩并根据面层测设高程后挂线,把路缘石沿基础一侧依次排好。 (2)路缘石垫层用 2cm 厚 M7.5 水泥砂浆。 (3)砂浆根据配比进行集中拌制,拌制严格按照配合比进行,设立配合比标记牌,配备称量设备,砂浆场地进行硬化,砂进行过筛,砂浆运输过程中严禁撒落到沥青面上,在路缘石施工段范畴沥青路面上铺设防污染土工布等方法,砂浆拌好后均匀铺在基础上,按放线位置安砌路缘石。安装时采用水平尺调节路缘石顶面水平,用 3 米直尺检测相邻路缘石顶面顺直度。(4)砌完的路缘石顶面及斜面应平整,线条直顺,弯道圆滑。 (5)路缘石与路缘石之间预留 2mm 缝隙,提前准备部分 2mm 厚隔板,安装时用2mm 厚隔板控制缘石与缘石的缝隙。 4、路缘石砌筑完毕后,采用土工布进行覆盖保温,避免砂浆冻害。如发现路缘石有倾...

1、当您付费下载文档后,您只拥有了使用权限,并不意味着购买了版权,文档只能用于自身使用,不得用于其他商业用途(如 [转卖]进行直接盈利或[编辑后售卖]进行间接盈利)。
2、本站所有内容均由合作方或网友上传,本站不对文档的完整性、权威性及其观点立场正确性做任何保证或承诺!文档内容仅供研究参考,付费前请自行鉴别。
3、如文档内容存在违规,或者侵犯商业秘密、侵犯著作权等,请点击“违规举报”。

碎片内容

2025年路缘石技术交底三级

您可能关注的文档

读万卷书+ 关注
实名认证
内容提供者

各类经典PPT文档分享

确认删除?
VIP
微信客服
  • 扫码咨询
会员Q群
  • 会员专属群点击这里加入QQ群
客服邮箱
回到顶部