电脑桌面
添加小米粒文库到电脑桌面
安装后可以在桌面快捷访问

2025年钻孔灌注桩单价分析VIP免费

2025年钻孔灌注桩单价分析_第1页
1/4
2025年钻孔灌注桩单价分析_第2页
2/4
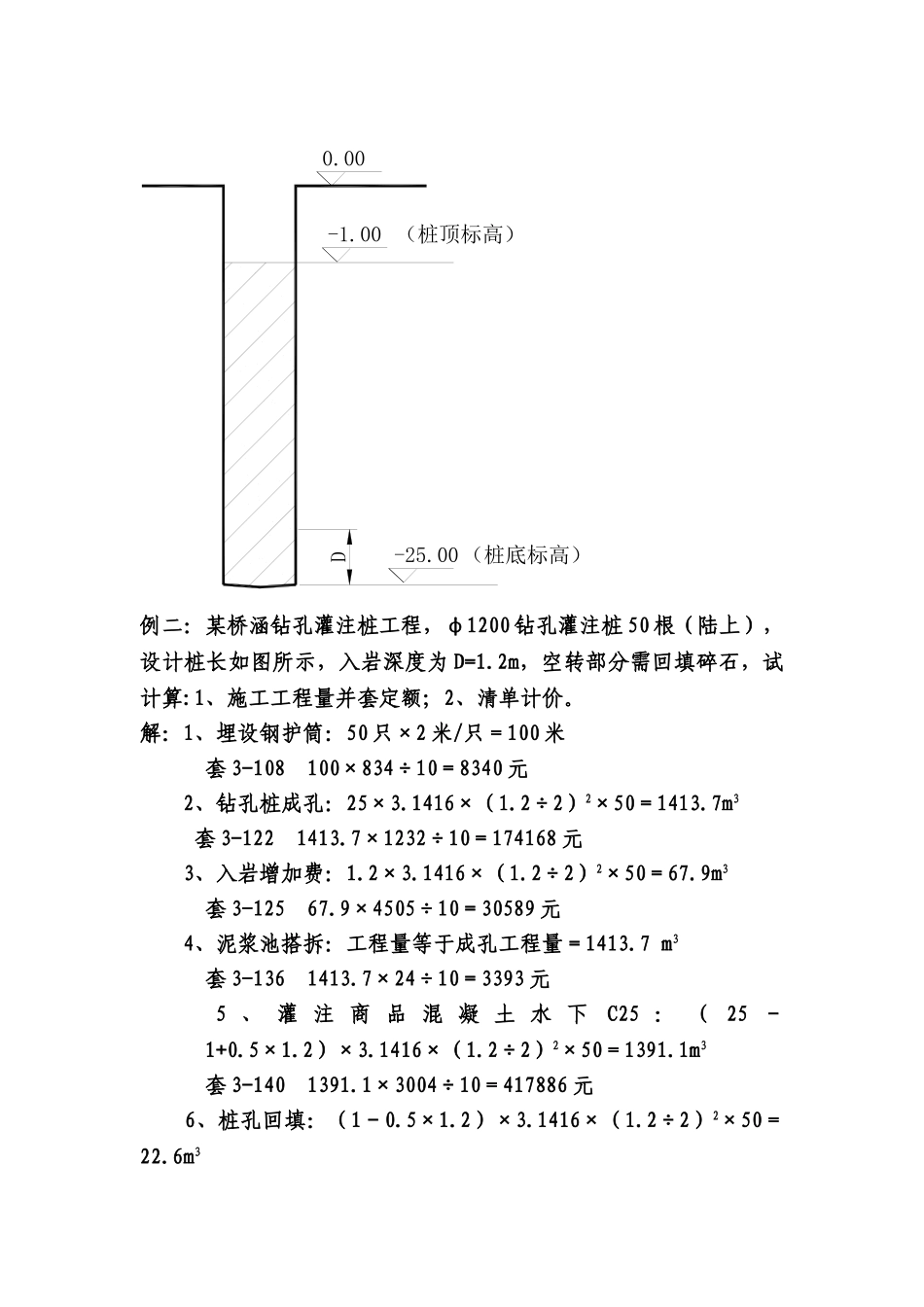
D0.00-1.00 (桩顶标高)(桩底标高)-25.00例二:某桥涵钻孔灌注桩工程,φ1200 钻孔灌注桩 50 根(陆上),设计桩长如图所示,入岩深度为 D=1.2m,空转部分需回填碎石,试计算:1、施工工程量并套定额;2、清单计价。解:1、埋设钢护筒:50 只×2 米/只=100 米 套 3-108 100×834÷10=8340 元 2、钻孔桩成孔:25×3.1416×(1.2÷2)2×50=1413.7m3 套 3-122 1413.7×1232÷10=174168 元 3、入岩增加费:1.2×3.1416×(1.2÷2)2×50=67.9m3 套 3-125 67.9×4505÷10=30589 元 4、泥浆池搭拆:工程量等于成孔工程量=1413.7 m3 套 3-136 1413.7×24÷10=3393 元 5 、 灌 注 商 品 混 凝 土 水 下C25 : ( 25 -1+0.5×1.2)×3.1416×(1.2÷2)2×50=1391.1m3 套 3-140 1391.1×3004÷10=417886 元 6、桩孔回填:(1-0.5×1.2)×3.1416×(1.2÷2)2×50=22.6m3套 3-193h 22.6×739×0.7÷10=1169 元7、泥浆外运:工程量等于成孔工程量=1413.7 m3套土 2-78 1413.7×62.3=88074 元表 1—2 分部分项工程量清单及计价表( 号清单)建设单位和工程名称:专业工程名称: 第 页共 页序号项目编码项目名称计量单位数量综合单价(元)合价(元)(1)(2)(3)(4)(5)(6)(7)1机械成孔灌注桩(φ1200,25m,入岩深度D,C25 水下混凝土,)m120068281840023表 2—1 分部分项工程量清单综合单价分析表 建设单位和工程名称: 第 页共 页序号项目编码项目名称综合单价(元)人工费材料费机械费管理费利润风险费用小计(1)(2)(3)1机 械 成 孔 灌 注 桩( φ1200 , 25m , 入岩深度 D,C25 水下混凝土,)82356165493006822表 2—3 分部分项工程量清单综合单价计算表建设单位和工程名称: 计量单位:m项目编码: 工程数量:1200项目名称:机械成孔灌注桩 (φ1200,25m ) 综合单价: 682元/m序号定额编号工程内容单位数量其中(元)人工费材料费机械费管 理费20%利润12%风险费用小计13-108埋设钢护筒10m1062514267138830105523-122钻孔桩成孔10m3141.4352967842271360159533-125入岩增加费10m36.81807826898995400594343-136泥浆池搭拆10m3141.410.413.170.182102753-140灌 注 商 品 混凝 土 ( 商品)10m3139.160294401270302363-193*0.7桩孔回填10m32.31193980241405557土 2-78泥浆外运 5km10m3141.4145478125750823891055*10+1595*141.4+5943*6.8+27*141.4+3023*139.1+555*2.3+823*141.4=818461/1200=682 元/m

1、当您付费下载文档后,您只拥有了使用权限,并不意味着购买了版权,文档只能用于自身使用,不得用于其他商业用途(如 [转卖]进行直接盈利或[编辑后售卖]进行间接盈利)。
2、本站所有内容均由合作方或网友上传,本站不对文档的完整性、权威性及其观点立场正确性做任何保证或承诺!文档内容仅供研究参考,付费前请自行鉴别。
3、如文档内容存在违规,或者侵犯商业秘密、侵犯著作权等,请点击“违规举报”。

碎片内容

2025年钻孔灌注桩单价分析

您可能关注的文档

确认删除?
VIP
微信客服
  • 扫码咨询
会员Q群
  • 会员专属群点击这里加入QQ群
客服邮箱
回到顶部