电脑桌面
添加小米粒文库到电脑桌面
安装后可以在桌面快捷访问

2025年碳纤维技术交底VIP专享VIP免费

2025年碳纤维技术交底_第1页
1/8
2025年碳纤维技术交底_第2页
2/8
2025年碳纤维技术交底_第3页
3/8
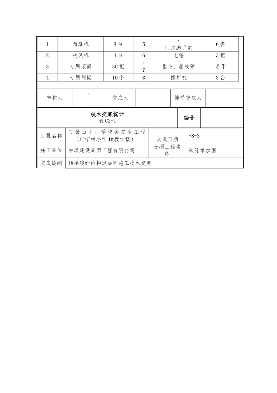
技术交底统计表 C2-1编号工程名称石 景 山 中 小 学 校 舍 安 全 工 程(广宁村小学 1#教学楼)交底日期-8-3施工单位中煤建设集团工程有限公司分项工程名称`碳纤维加固交底提纲1#楼碳纤维构造加固施工技术交底交底内容:一、施 工 部 位 : 6-9/A-H轴JKL1、JKL2、JKL3、JKL4、楼梯踏步板、休息平台、楼梯梁。二、工艺流程:1、混凝土表面解决:修补裂缝,去除损伤劣化混凝土,表面打平、将转角打成圆弧。2、配制并涂刷底层树脂:确认混凝土表面状态,搅拌涂敷基层树脂运用腻子整平构造表面。3、配制找平材料并对不平整处修复解决:4、配制并涂刷浸渍树脂5、粘贴碳纤维片材:绘制碳纤维布的布设图,剪切碳纤维布,铺贴基准放线,确认基底树脂面状态,当多层铺设时,搅拌浸渍树脂,铺贴碳纤维布,表面涂浸渍树6、做面层整饰:涂装、抹砂浆、耐火喷涂等三、操作要点:1、混凝土表面解决去除被加固构件表面的剥落、疏松、蜂窝、腐蚀等劣化混凝土,露出混凝土构造层,并用修复材料将表面修复平整。按设计规定对裂缝进行灌缝或封闭解决。若有凹陷处,用修补材料将表面修复平整,并确保混凝土保护层厚度不不大于 15mm。被粘贴混凝土表面应打磨平整,除去表层浮浆、油污等杂质,直至露出混凝土构造新面,且平整度应达成 5mm/m。构件转角粘贴处要进行导角解决并打磨成圆弧状,圆弧半径应不不大于 20mm。表面打磨后,用强力吹风器或吸尘器将表面粉尘彻底去除。并保持干燥。2、配制并涂刷底层树脂底胶的配备,应按产品供应商提供的底胶配备阐明书进行操作。底胶应用滚筒刷或特制的毛刷均匀涂布在已用丙酮檫净的混凝土表面,调好的底胶应在规定的时间内用完。当指触干燥后方可进入下一工序。;3、配制找平材料并对不平整处修复解决应按产品供应商提供的工艺规定配制找平材料应对混凝土表面凹陷部位用找平材料弥补平整,且不应有棱角。转角处应用找平材料修复为光滑的圆弧,半径不应不大于 20mm。应在找平材料表面干燥后立刻进行下一步工序施工。审核人交底人接受交底人…技术交底统计表 C2-1编号工程名称石 景 山 中 小 学 校 舍 安 全 工 程(广宁村小学 1#教学楼)交底日期-8-3施工单位中煤建设集团工程有限公司·分项工程名称碳纤维加固交底提纲1#楼碳纤维构造加固施工技术交底交底内容:4、配制并涂刷浸渍树脂粘结剂(粘浸胶)的配制,应按粘结剂供应厂商提供的配比和工艺规定进行,且应有专人负责。调胶使用的工具应为低...

1、当您付费下载文档后,您只拥有了使用权限,并不意味着购买了版权,文档只能用于自身使用,不得用于其他商业用途(如 [转卖]进行直接盈利或[编辑后售卖]进行间接盈利)。
2、本站所有内容均由合作方或网友上传,本站不对文档的完整性、权威性及其观点立场正确性做任何保证或承诺!文档内容仅供研究参考,付费前请自行鉴别。
3、如文档内容存在违规,或者侵犯商业秘密、侵犯著作权等,请点击“违规举报”。

碎片内容

2025年碳纤维技术交底

您可能关注的文档

确认删除?
VIP
微信客服
  • 扫码咨询
会员Q群
  • 会员专属群点击这里加入QQ群
客服邮箱
回到顶部