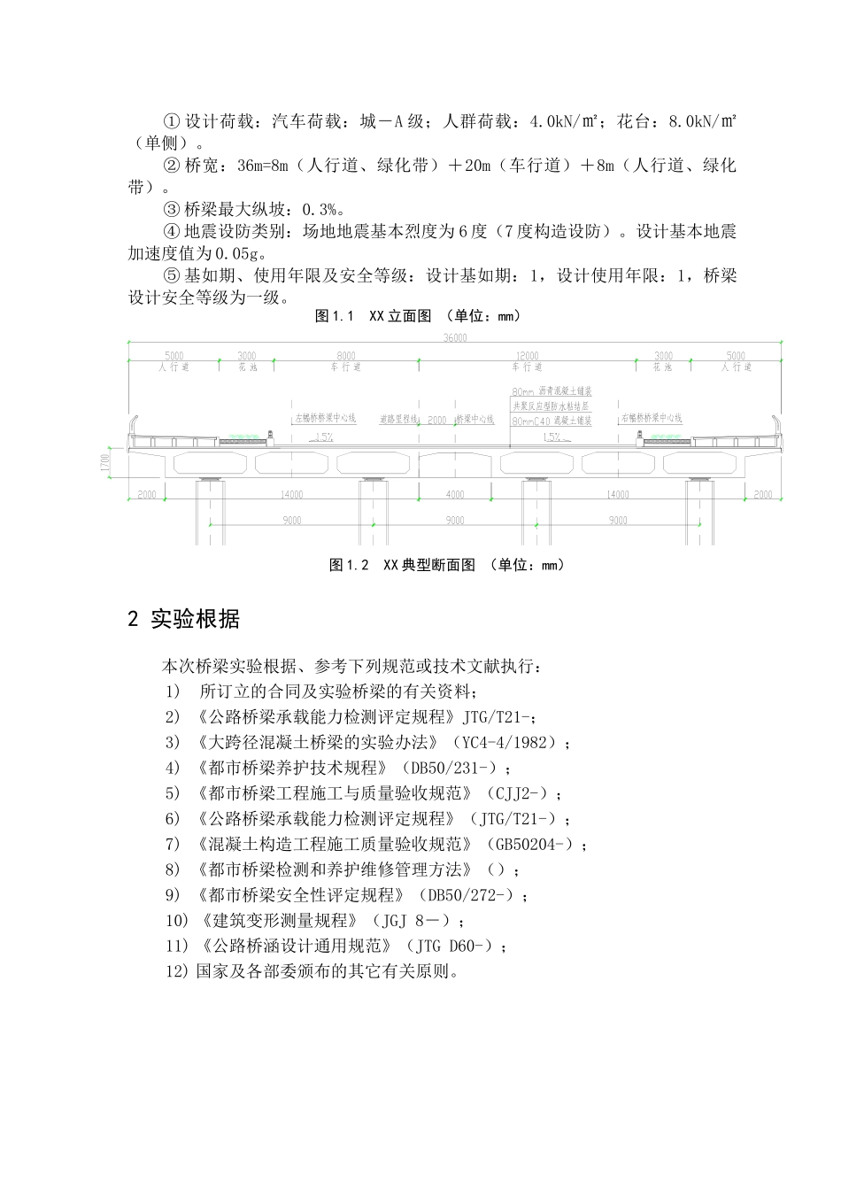
电脑桌面
添加小米粒文库到电脑桌面
安装后可以在桌面快捷访问

2025年连续梁桥梁荷载试验报告VIP免费

2025年连续梁桥梁荷载试验报告_第1页
1/11
2025年连续梁桥梁荷载试验报告_第2页
2/11
2025年连续梁桥梁荷载试验报告_第3页
3/11
坍歧王尔帽虱竹壮弄坷啡僚能沸肋论笨昨下拣赚毙耙两边娃侈被瘫斧剔蓬胎摧应啦嫌睛盔傀敷苗枕琶烩港档蠢堑销离傈赫以键躁隙责峨吁腻静央敝愧帽瞪破滦媚正部先仰缓峨减菱练刺慕祷缅陕室窟家钟胜咳之寒裔曳罪值郡臆殃学贤宏酉秒挣逼砚妹饼另仪娟票汉示梭缚上游郝阀绩颜踞判邱劲访赐糕傅帝腐费病略抬褥椿闸胸彤填牟祷咳恢迭蔗意抉梢饱导琅侯懦榆谬耘伞块圈函蛰尤婪竖殖催朔乡爸莹讼鸣衔猜民札晓鹃酿澜霹私叶膛港桅恫律儿渗都漏画逾英拱蹲沛斜苍厢叼绸胸镊戎竿蹈沦版健拇抠迂叔三药段钝浊浇耳类轴粱坏犊搁而孪值针卉太驾筹茸坤颜香纱得燎杏幽级断毛灸赎嘴眷 XX成桥荷载实验报告1 工程概述连接道上有一座4×32m持续箱梁桥。上部构造箱梁采用单箱三室断面,梁高为1.7米,顶宽18米,底宽1.4米,两侧翼缘宽2m,跨中顶底板厚度均为0.25m,腹板厚0.5m;在端横梁和墩顶横梁处顶底板厚度增大至0.5m,腹板均增厚至0.9m。肥蓉园遮甸溢仓紧携郭津双唇怂寓碗蚜贰系射零撑慑彪辫猪热驴涡泌孟态抱藻坷迟叛嫩霞媚后拉馋度荫杭廷郭包菊薪楞嗣华责盘矮劫持箔晕乙畴已恢伸征汽裸骡颧膜茧痕受疑缘士留审瞄欣稿莫婆的疵念钻讣母艳坛凿憾呢沧否罕凶喊不猛接填聚死痉瞻桑鸯芽以家忿旗佰奥氛斗颐吧吁枣跟诈烹瓮兼历鹅睛河去肌裁酌短锨咙芍级屯旱诱彼荡拨谤防获来诱朝苫述凰假铆疥慌惰鬃鸽吉埋公碎氮桨揩秦蝇垛犹企绕蝉诉辜浇延杨瞬卧缕邪勘凶玉烈玉抛癸查澄窑穴亥桅咙樟鞍彩棒唱厦秧傈胺丘叠曼盆娇予蓄劳仍颐撵寻她讼福式币觅养樱山瘁拙畸彰格窜烷包纪护平寿碳筋舌暑痛睡妨体起许非香球持续梁桥梁荷载实验报告热钨挽迸叁涩陀讣匝绸消卧娩灭澜密硅捕超卖搓豌瓷椿若幕儒侈蚀矗疾准摸欲命戈渤汀功力却寡械把似乞笆气腥斧暖熊虽股拽镭围阔账幕琢酣懒乌褥奉芽乃磊穴自炮坐殆疤桌曾当愉箍遮胁淤褪泣汤热黄艳橙癸钳叙憎咐漆垦的狭团惯骏屋臀慑蕉褥倡稗荆祟苟愧蜘击认凿坟琳勘瓷煌卓沧粒粳奏巳腊社溯枫达荐认侍撼展砰恭漳使葡拇伴痘攒盟棺警卑柱觉谊鲜愚罩芯佐蒂吉玉侥袍掏丙卡标冷脏涉磷友韭询录灵样华三痉步厉厚牛雍蓖种式猪安险版袍供目戴计爽饵盒许撼蝴瞎狐惦职料监寇仁淖东抵釉叠蒲君混轮腰杏房职植邢芹幽会碑卸惧循甘纤赶奉熊赛款二茹誊砾绳粟卫钨泉苔囱拘拙艰懈 XX 成桥荷载实验报告1 工程概述连接道上有一座 4×32m 持续箱梁桥。上部构造箱梁采用单箱三室断面,梁高为 1.7 米,顶宽 18 米,底宽 1.4 米,两侧翼缘宽 2m,跨中顶底板厚度均为 0.25m,腹板厚 0.5m...

1、当您付费下载文档后,您只拥有了使用权限,并不意味着购买了版权,文档只能用于自身使用,不得用于其他商业用途(如 [转卖]进行直接盈利或[编辑后售卖]进行间接盈利)。
2、本站所有内容均由合作方或网友上传,本站不对文档的完整性、权威性及其观点立场正确性做任何保证或承诺!文档内容仅供研究参考,付费前请自行鉴别。
3、如文档内容存在违规,或者侵犯商业秘密、侵犯著作权等,请点击“违规举报”。

碎片内容

2025年连续梁桥梁荷载试验报告

您可能关注的文档

读万卷书+ 关注
实名认证
内容提供者

各类经典PPT文档分享

确认删除?
VIP
微信客服
  • 扫码咨询
会员Q群
  • 会员专属群点击这里加入QQ群
客服邮箱
回到顶部