电脑桌面
添加小米粒文库到电脑桌面
安装后可以在桌面快捷访问

2025年验槽记录表VIP免费

2025年验槽记录表_第1页
1/1
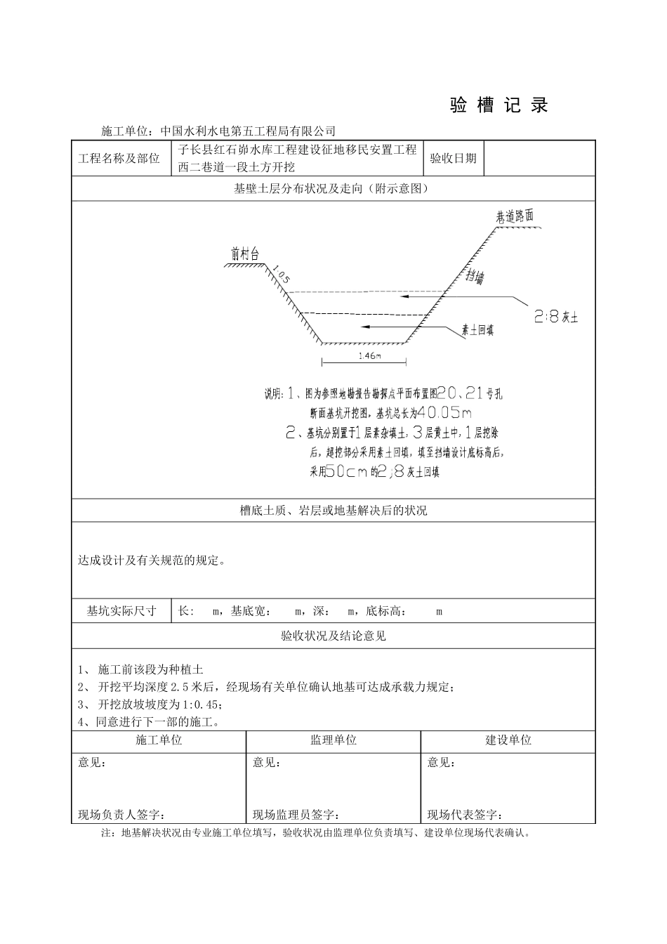
验 槽 记 录施工单位:中国水利水电第五工程局有限公司工程名称及部位子长县红石峁水库工程建设征地移民安置工程西二巷道一段土方开挖验收日期基壁土层分布状况及走向(附示意图)槽底土质、岩层或地基解决后的状况达成设计及有关规范的规定。基坑实际尺寸长: m,基底宽: m,深: m,底标高: m验收状况及结论意见1、 施工前该段为种植土2、 开挖平均深度 2.5 米后,经现场有关单位确认地基可达成承载力规定;3、 开挖放坡坡度为 1:0.45;4、同意进行下一部的施工。施工单位监理单位建设单位意见:现场负责人签字:意见:现场监理员签字:意见:现场代表签字:注:地基解决状况由专业施工单位填写,验收状况由监理单位负责填写、建设单位现场代表确认。

1、当您付费下载文档后,您只拥有了使用权限,并不意味着购买了版权,文档只能用于自身使用,不得用于其他商业用途(如 [转卖]进行直接盈利或[编辑后售卖]进行间接盈利)。
2、本站所有内容均由合作方或网友上传,本站不对文档的完整性、权威性及其观点立场正确性做任何保证或承诺!文档内容仅供研究参考,付费前请自行鉴别。
3、如文档内容存在违规,或者侵犯商业秘密、侵犯著作权等,请点击“违规举报”。

碎片内容

2025年验槽记录表

您可能关注的文档

确认删除?
VIP
微信客服
  • 扫码咨询
会员Q群
  • 会员专属群点击这里加入QQ群
客服邮箱
回到顶部