电脑桌面
添加小米粒文库到电脑桌面
安装后可以在桌面快捷访问

新型优质投资节能防火安全门生产项目可行性环境影响评价评价报告VIP免费

新型优质投资节能防火安全门生产项目可行性环境影响评价评价报告_第1页
1/24
新型优质投资节能防火安全门生产项目可行性环境影响评价评价报告_第2页
2/24
新型优质投资节能防火安全门生产项目可行性环境影响评价评价报告_第3页
3/24
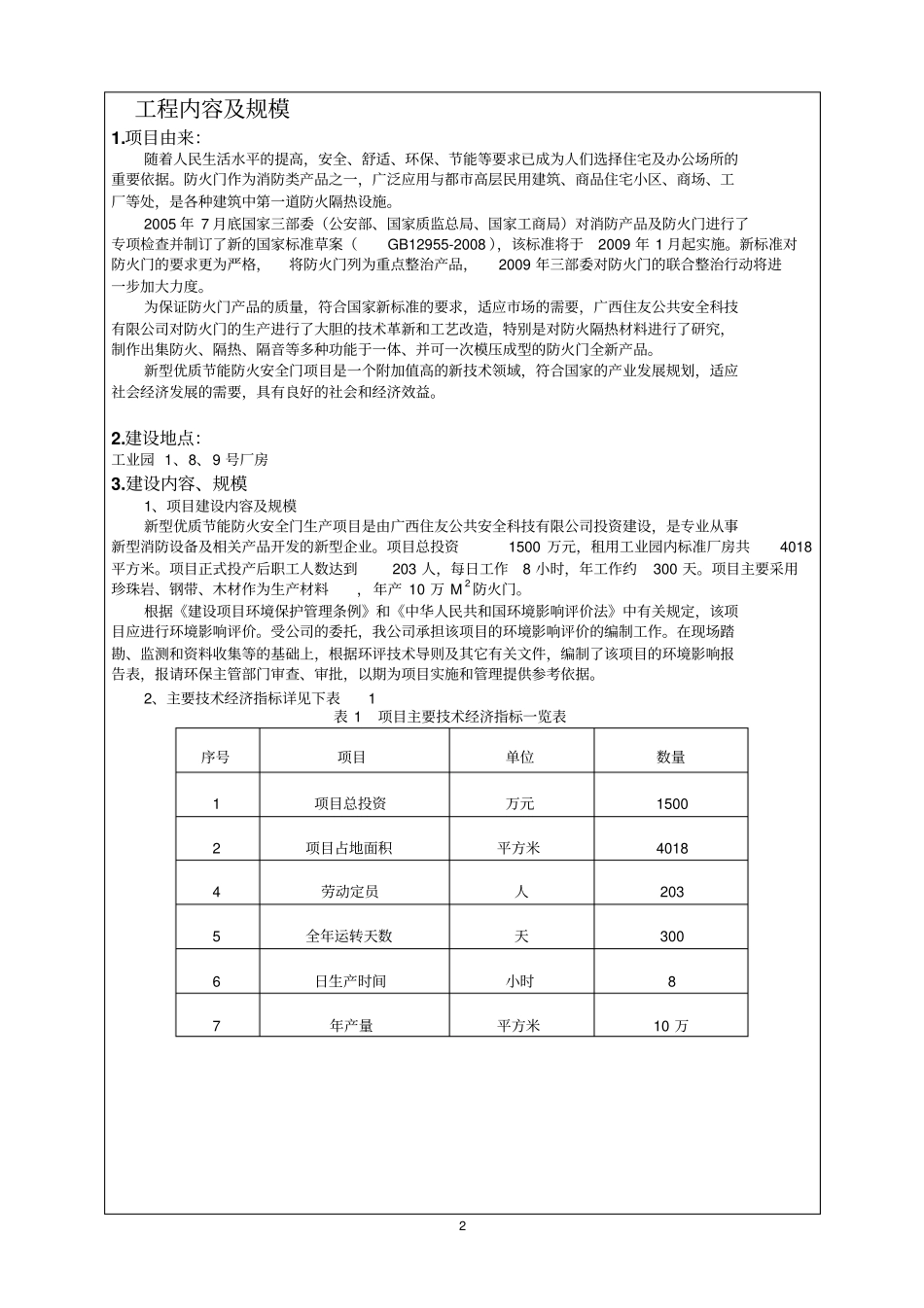
1 建设项目基本情况项目名称新型优质节能防火安全门生产项目建设单位法人代表联 系 人通讯地址联系电话传真邮政编码建设地点工业园 1 厂房立项审批部门批准文号建设性质新建行业类别及代码占地面积(平方米 ) 绿化面积(平方米 ) 总投资(万元) 1500 其中:环保投资(万元) 环保投资占总投资比例评价经费(万元) 预期投产日期年月日2 工程内容及规模1.项目由来:随着人民生活水平的提高,安全、舒适、环保、节能等要求已成为人们选择住宅及办公场所的重要依据。防火门作为消防类产品之一,广泛应用与都市高层民用建筑、商品住宅小区、商场、工厂等处,是各种建筑中第一道防火隔热设施。2005 年 7 月底国家三部委(公安部、国家质监总局、国家工商局)对消防产品及防火门进行了专项检查并制订了新的国家标准草案(GB12955-2008 ),该标准将于2009 年 1 月起实施。新标准对防火门的要求更为严格,将防火门列为重点整治产品,2009 年三部委对防火门的联合整治行动将进一步加大力度。为保证防火门产品的质量,符合国家新标准的要求,适应市场的需要,广西住友公共安全科技有限公司对防火门的生产进行了大胆的技术革新和工艺改造,特别是对防火隔热材料进行了研究,制作出集防火、隔热、隔音等多种功能于一体、并可一次模压成型的防火门全新产品。新型优质节能防火安全门项目是一个附加值高的新技术领域,符合国家的产业发展规划,适应社会经济发展的需要,具有良好的社会和经济效益。2.建设地点:工业园 1、8、9 号厂房3.建设内容、规模1、项目建设内容及规模新型优质节能防火安全门生产项目是由广西住友公共安全科技有限公司投资建设,是专业从事新型消防设备及相关产品开发的新型企业。项目总投资1500 万元,租用工业园内标准厂房共4018平方米。项目正式投产后职工人数达到203 人,每日工作8 小时,年工作约300 天。项目主要采用珍珠岩、钢带、木材作为生产材料,年产 10 万 M2 防火门。根据《建设项目环境保护管理条例》和《中华人民共和国环境影响评价法》中有关规定,该项目应进行环境影响评价。受公司的委托,我公司承担该项目的环境影响评价的编制工作。在现场踏勘、监测和资料收集等的基础上,根据环评技术导则及其它有关文件,编制了该项目的环境影响报告表,报请环保主管部门审查、审批,以期为项目实施和管理提供参考依据。2、主要技术经济指标详见下表1 表 1 项目主要技术经济指标一览表序号项目单位数量1...

1、当您付费下载文档后,您只拥有了使用权限,并不意味着购买了版权,文档只能用于自身使用,不得用于其他商业用途(如 [转卖]进行直接盈利或[编辑后售卖]进行间接盈利)。
2、本站所有内容均由合作方或网友上传,本站不对文档的完整性、权威性及其观点立场正确性做任何保证或承诺!文档内容仅供研究参考,付费前请自行鉴别。
3、如文档内容存在违规,或者侵犯商业秘密、侵犯著作权等,请点击“违规举报”。

碎片内容

新型优质投资节能防火安全门生产项目可行性环境影响评价评价报告

您可能关注的文档

确认删除?
VIP
微信客服
  • 扫码咨询
会员Q群
  • 会员专属群点击这里加入QQ群
客服邮箱
回到顶部