电脑桌面
添加小米粒文库到电脑桌面
安装后可以在桌面快捷访问

新技术新工艺-细晶铸造VIP免费

新技术新工艺-细晶铸造_第1页
1/7
新技术新工艺-细晶铸造_第2页
2/7
新技术新工艺-细晶铸造_第3页
3/7
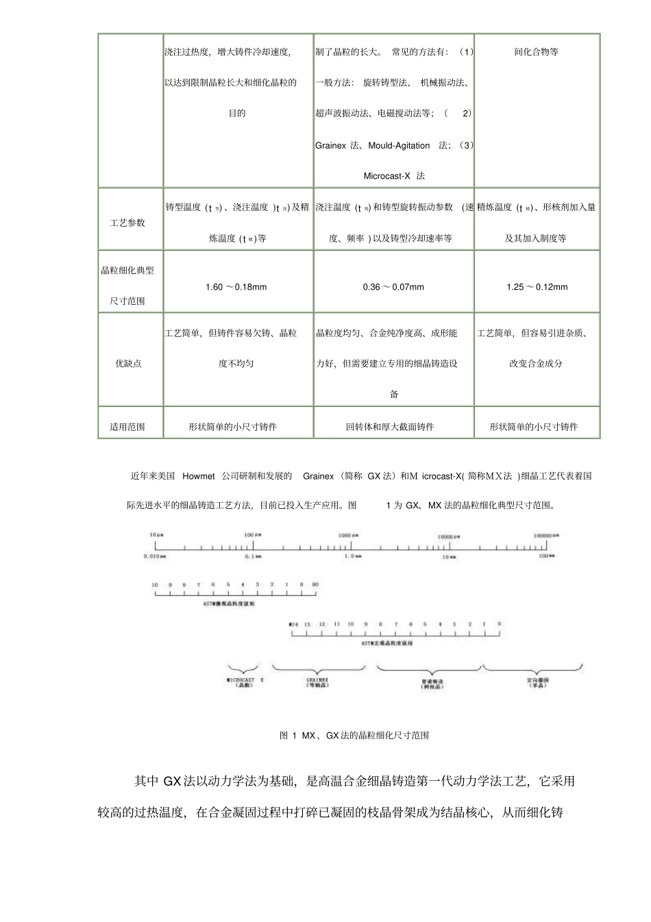
新技术新工艺 --细晶铸造细晶铸造国外近二十年来集中力量发展了高温合金定向铸造和单晶铸造技术,主要是为了提高航空发动机高压涡轮叶片的高温工作能力,从而增大发动机的推力,并延长其工作寿命。与此同时,航空发动机的恶劣工况对在中低温条件下工作的低压涡轮叶片、整体叶盘和涡轮机匣等高温合金铸件的低周疲劳寿命提出了更高要求。但是这类铸件在普通熔模精铸工艺生产条件下,一般为粗大的树枝晶或柱状晶,晶粒平均尺寸大于4mm,较典型的为 4~9mm。由于晶粒粗大及组织、性能上的各向异性,很容易导致铸件在使用过程中疲劳裂纹的产生和发展,这对于铸件的疲劳性能尤其是低周疲劳性能极为不利,并且造成铸件力学性能数据过于分散,降低了设计容限。随着对发动机的整体寿命和性能要求的进一步提高,改善铸件的中低温疲劳性能及其他力学性能显得十分重要。这便导致了细晶铸造技术的产生和发展。工业发达国家,尤其是美国和德国,早在20 世纪 70 年代末就开展了高温合金细晶铸造技术的研究和应用,在20 世纪 80 年代中后期该项技术发展趋于成熟,目前正在航空、航天工业领域中扩大其应用范围,如美国Howmet 公司利用细晶铸造技术成功地制造了 Mod5A 、Mar-M247、IN713C、1N718 等高温合金整体涡轮,使涡轮的低周疲劳寿命提高了 2~3 倍。德国、法国在新型号航空发动机上也采用了细晶整体涡轮铸件。国内对高温合金细晶铸造技术的研究从20 世纪 80 年代末开始起步,经过“八五”和“九五”期间的研究和应用,我国航空制造业建立了专门的细晶铸造设备,对高温合金细晶铸造工艺进行了较系统的试验,研制了一批镍基高温合金细晶铸件,并已应用于航空发动机中,在细晶铸造研究领域内取得了重要的进展。1 细晶铸造的特点和工艺方法1.1 细晶铸造的特点细晶铸造技术或工艺( FGCP)的原理是通过控制普通熔模铸造工艺,强化合金的形核机制,在铸造过程中使合金形成大量结晶核心,并阻止晶粒长大,从而获得平均晶粒尺寸小于 1.6mm 的均匀、细小、各向同性的等轴晶铸件,较典型的细晶铸件晶粒度为美国标准 ASTM0~2 级。细晶铸造在使铸件晶粒细化的同时,还使高温合金中的初生碳化物和强化相 γ '尺寸减小,形态改善。因此,细晶铸造的突出优点是大幅度地提高铸件在中低温(≤ 760℃)条件下的低周疲劳寿命,并显著减小铸件力学性能数据的分散度,从而提高铸造零件的设计容限。同时该技术还在一定程度上改善铸件抗拉性能和持久性能,...

1、当您付费下载文档后,您只拥有了使用权限,并不意味着购买了版权,文档只能用于自身使用,不得用于其他商业用途(如 [转卖]进行直接盈利或[编辑后售卖]进行间接盈利)。
2、本站所有内容均由合作方或网友上传,本站不对文档的完整性、权威性及其观点立场正确性做任何保证或承诺!文档内容仅供研究参考,付费前请自行鉴别。
3、如文档内容存在违规,或者侵犯商业秘密、侵犯著作权等,请点击“违规举报”。

碎片内容

新技术新工艺-细晶铸造

您可能关注的文档

确认删除?
VIP
微信客服
  • 扫码咨询
会员Q群
  • 会员专属群点击这里加入QQ群
客服邮箱
回到顶部