电脑桌面
添加小米粒文库到电脑桌面
安装后可以在桌面快捷访问

施工机械设备安全生产检查记录表VIP免费

施工机械设备安全生产检查记录表_第1页
1/20
施工机械设备安全生产检查记录表_第2页
2/20
施工机械设备安全生产检查记录表_第3页
3/20
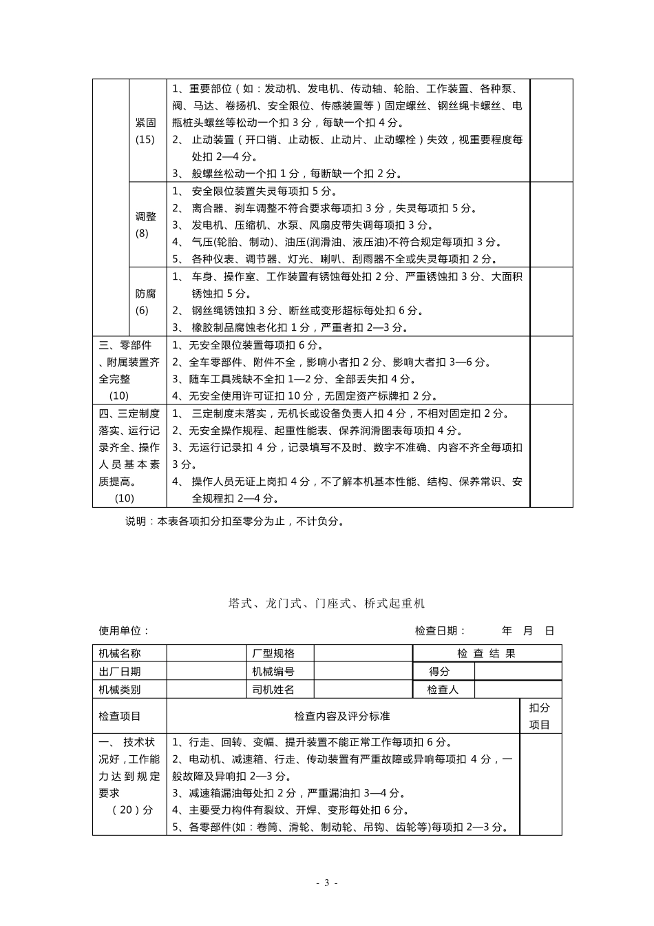
- 1 - 履机带式起重机 使 用 单 位 : 检 查 日 期 : 年 月 日 机 械 名 称 厂 型 规 格 检 查 结 果 出 厂 日 期 机 械 编 号 得 分 机 械 类 别 司 机 姓 名 检 查 人 检 查 项 目 检 查 内 容 及 评 分 标 准 扣 分项 目 一 、 技 术 状 况 好 , 工 作 能力达到规定要 求 ( 20) 分 1、 发 动 机 不 能 正 常 工 作 或 有 严 重 异 响 扣6 分 , 一 般 故 障 及 异 响 扣2—3 分 。 2、 发 动 机 , 底盘, 工 作 装置漏水、漏电、漏气、漏油视严 重 程度每项 扣1—2 分 。 3、 变速器、离合器、终传动 装置、油泵、油马达 等不 能 正 常 工 作 或 有 严 重 异响 每项 扣2 分 。 4、 主要 受力 构件有 裂纹、开焊、变形等缺陷每项 扣6 分 。 5、 各零部件( 如: 卷筒、滑轮、制动 轮、吊钩、齿轮等) 磨损严 重 每项 扣2—3 分 。 二、 使 用 保 养 (60) 清洁 (16) 1、 发 动 机 、底盘、车 身 、工 作 装置有 油污 或 积 尘 严 重 者 每项 扣3 分 , 操 作室 不 清洁扣4 分 。 2、 机 油、燃 油、液 压 油、空 气滤 清器( 芯 ) 脏 污 或 堵 塞 每项 扣5 分 。 3、 蓄 电池 不 清洁、通 气孔 堵 塞 每项 扣2 分 , 电解 液 不 足 扣3 分 。 4、 传动 皮 带 有 油污 扣3 分 , 电器线 路 、气路 、油路 软 管 零乱 不 整 齐 每项 扣2 分 。 润 滑 (15) 1、发 动 机 机 油面 低 于 油尺 下 刻 线 扣5 分 、高 于 油尺 上 刻 线 扣3 分 。 2、齿轮油、液 压 油油面 低 于 下 刻 线 每项 扣4 分 , 高 于 油尺 上 刻 线 扣3 分 。 3、润 滑油(脂 、液 压 油、齿轮油脏 污 变质 或 与 规 定 牌 号 不 符 每项 扣4 分 。 4、回 转 轴 承 、支 重 轮、托 带 轮、引 导 轮、开式 齿轮、活 动 铰 销 缺润 滑油、 润 滑脂 每处 扣3 分 。 5、黄 油嘴 每缺或 堵 塞 一 个 扣2 分 , 缺润 滑脂 一 个 扣1 分 。 紧 固 (15) 1、 重 要 部位 ( 如: 发 动 机 、发 电机 、减 速箱 、工 作 装置、各种 泵、阀 、马达 、卷扬 机 、安 全 限...

1、当您付费下载文档后,您只拥有了使用权限,并不意味着购买了版权,文档只能用于自身使用,不得用于其他商业用途(如 [转卖]进行直接盈利或[编辑后售卖]进行间接盈利)。
2、本站所有内容均由合作方或网友上传,本站不对文档的完整性、权威性及其观点立场正确性做任何保证或承诺!文档内容仅供研究参考,付费前请自行鉴别。
3、如文档内容存在违规,或者侵犯商业秘密、侵犯著作权等,请点击“违规举报”。

碎片内容

施工机械设备安全生产检查记录表

您可能关注的文档

确认删除?
VIP
微信客服
  • 扫码咨询
会员Q群
  • 会员专属群点击这里加入QQ群
客服邮箱
回到顶部