电脑桌面
添加小米粒文库到电脑桌面
安装后可以在桌面快捷访问

施工现场消防监理细则VIP免费

施工现场消防监理细则_第1页
1/17
施工现场消防监理细则_第2页
2/17
施工现场消防监理细则_第3页
3/17
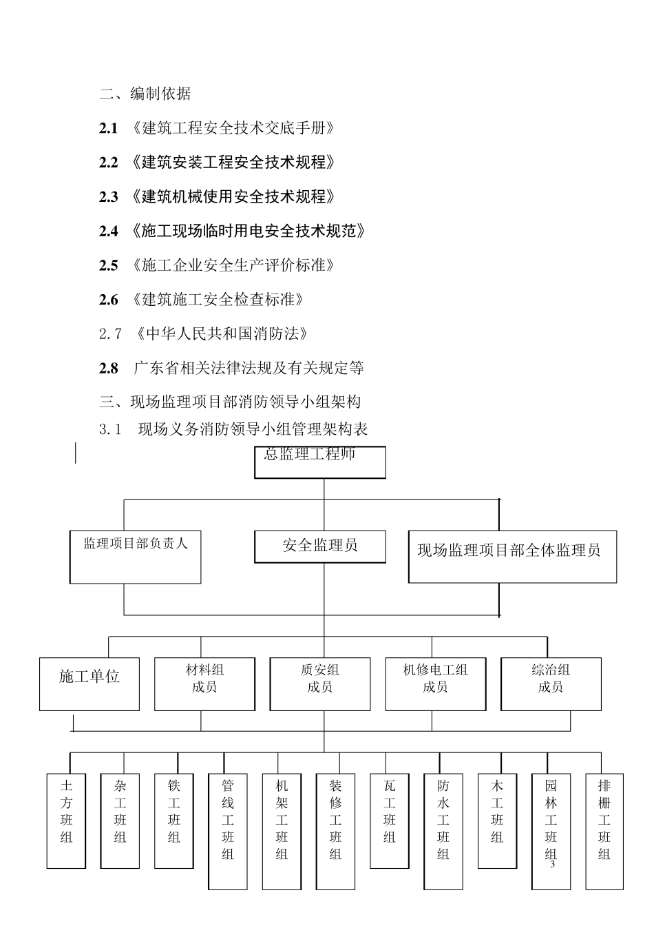
1 目录 一、工程概况.................................................................................3 二、编制依据…………………………………………………….4 三、现场监理项目部消防领导小组架构及职责……………….4 四、监理工作重点………………………………………………..6 五、监理工作方法、措施及各工种的作业要点………………...8 六、施工现场消防的应急救援要点…………………………….1 6 2 一、工程概况: 1、项目名称:红沙惠贤花苑保障性住房项目 2、建设单位: 狮山镇粤威物业投资有限公司 3、建设地点:南海区狮山镇 4、施工单位:广东金辉华集团有限公司 5、建筑面积:4 0 3 9 0 .9 0 ㎡ 6、层数:四栋,六层~十六层框剪结构 7、装修做法:外墙面主要贴奶黄色外墙砖、阳台贴白色外墙砖,屋顶部分贴砖红色外墙砖;内墙面水泥石灰砂浆批荡刮塑;采用铝合金窗。 8、结构类型:框剪结构 9、工期目标:820 日历天 3 二、编制依据 2 .1 《建筑工程安全技术交底手册》 2 .2 《建筑安装工程安全技术规程》 2 .3 《建筑机械使用安全技术规程》 2 .4 《施工现场临时用电安全技术规范》 2 .5 《施工企业安全生产评价标准》 2 .6 《建筑施工安全检查标准》 2.7 《中华人民共和国消防法》 2 .8 广东省相关法律法规及有关规定等 三、现场监理项目部消防领导小组架构 3.1 现场义务消防领导小组管理架构表 木工班组 铁工班组 瓦工班组 排栅工班组 土方班组 装修工班组 机架工班组 管线工班组 防水工班组 园林工班组 杂工班组 施工单位 材料组 成员 质安组 成员 综治组 成员 机修电工组 成员 总监理工程师 现场监理项目部全体监理员 监理项目部负责人 安全监理员 4 3 .2 现场监理项目部消防领导小组职责 3.2.1 总监理工程师/总监代表为义务消防、安全第一责任人即组长,安全主任、现场监理项目部负责人为义务消防、安全第二责任人,现场各监理管理人员及各施工工种班长为义务消防、安全第三责任人,通过层级管理将具体责任落实到个人。 3.2.2 依照公司安全生产、消防监理要求,结合本工程实际情况制定本单位现场监理项目部和施工项目部生产安全、消防事故监理应急救援预案措施,按国家标准《建筑工程监理规范》 GB50319-2000及《施工现场消防安全管理专项工作表》并负责贯彻落实消防事故监理应急救援预案工作。 3.2.3 全面负责突发安全、...

1、当您付费下载文档后,您只拥有了使用权限,并不意味着购买了版权,文档只能用于自身使用,不得用于其他商业用途(如 [转卖]进行直接盈利或[编辑后售卖]进行间接盈利)。
2、本站所有内容均由合作方或网友上传,本站不对文档的完整性、权威性及其观点立场正确性做任何保证或承诺!文档内容仅供研究参考,付费前请自行鉴别。
3、如文档内容存在违规,或者侵犯商业秘密、侵犯著作权等,请点击“违规举报”。

碎片内容

施工现场消防监理细则

您可能关注的文档

确认删除?
VIP
微信客服
  • 扫码咨询
会员Q群
  • 会员专属群点击这里加入QQ群
客服邮箱
回到顶部