电脑桌面
添加小米粒文库到电脑桌面
安装后可以在桌面快捷访问

滚齿误差及原因VIP免费

滚齿误差及原因_第1页
1/28
滚齿误差及原因_第2页
2/28
滚齿误差及原因_第3页
3/28
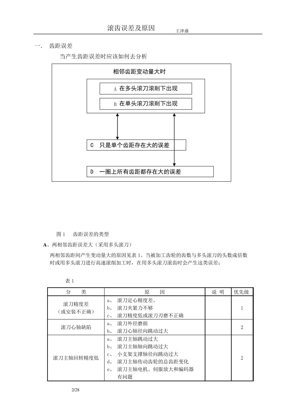
滚齿误差及原因 王津盛 1 /2 8 滚齿误差及原因分析对策图表 王 津 盛 目 录 一、 齿距误差 ………………………………… 2 相邻齿距误差大 单个齿距误差大 整个齿距误差大 二、 齿形误差 ………………………………… 5 各齿齿形误差形式一致 窜刀后齿形变化 左右侧上齿形形状不一致但同侧齿形形状一致差 各齿齿形形状不同 三、 齿向误差 ………………………………… 1 2 单侧齿向多切 锥度齿向 两侧齿廓多切 螺线角误差 各齿齿向不一致 两侧齿向中凹 齿向波动 齿面单个凹坑 走刀纹不均匀 台阶齿向 四、 径向跳动 ………………………………… 2 4 工件一圈有一次峰值 工件一圈有二次峰值 五、 齿面粗糙度 ………………………………… 2 6 撕裂 振纹 单齿面粗糙 六、 齿厚 ………………………………… 2 7 每个齿轮之间变化 周期变化 随时间变化 合制加工上下件不一致 滚齿误差及原因 王津盛 2 /2 8 一. 齿距误差 当产生齿距误差时应该如何去分析 相邻齿距变动量大时 图1 齿距误差的类型 A 、两相邻齿距误差大(采用多头滚刀) 两相邻齿距间产生变动量大的原因见表 1。当被加工齿轮的齿数与多头滚刀的头数成倍数 时或用多头滚刀进行高速滚削加工时,在用多头滚刀滚齿时会产生这类误差; 表 1 分 类 原 因 说 明 优先级 滚刀精度差 (或安装不正确) a、 滚刀定心精度差。 b、 滚刀夹紧力不够 c、 滚刀精度低或滚刀刃磨不正确 1 滚刀心轴缺陷 a、 滚刀外径磨损 b、 滚刀心轴径向跳动过大 2 滚刀主轴回转精度低 a、 滚刀主轴跳动过大 b、 滚刀主轴轴向跳动过大 c、 小支架支撑轴径向跳动过大 d、 滚刀主轴传动齿轮的总齿距变化 e、 滚刀主轴电机、伺服放大和编码器 有问题 2 C 只是单个齿距存在大的误差 D 一圈上所有齿距都存在大的误差 A 在多头滚刀滚削下出现 B 在单头滚刀滚削下出现 滚齿误差及原因 王津盛 3 /2 8 带缺陷滚刀 a、刀架滑板镶条松紧不合适 3 窜刀机构缺陷 a、滚刀架窜刀滑板夹紧不合适 3 滚齿误差及原因 王津盛 4 /2 8 B、两相邻齿距间变动量大(采用单头滚刀) C、单个齿距变动量大 单头滚刀滚削下齿距变动量大的原因见表 2。 若是齿廓的两侧左右齿面齿距变动量均大,则有可能是工作台主轴回转精度差。 表 2 分 类 原 因 说 明 优先级 工作台基准 齿轮精度低 a、...

1、当您付费下载文档后,您只拥有了使用权限,并不意味着购买了版权,文档只能用于自身使用,不得用于其他商业用途(如 [转卖]进行直接盈利或[编辑后售卖]进行间接盈利)。
2、本站所有内容均由合作方或网友上传,本站不对文档的完整性、权威性及其观点立场正确性做任何保证或承诺!文档内容仅供研究参考,付费前请自行鉴别。
3、如文档内容存在违规,或者侵犯商业秘密、侵犯著作权等,请点击“违规举报”。

碎片内容

滚齿误差及原因

小辰+ 关注
实名认证
内容提供者

出售各种文档和资料

确认删除?
VIP
微信客服
  • 扫码咨询
会员Q群
  • 会员专属群点击这里加入QQ群
客服邮箱
回到顶部