电脑桌面
添加小米粒文库到电脑桌面
安装后可以在桌面快捷访问

热油泵导热油泵型号及参数VIP免费

热油泵导热油泵型号及参数_第1页
1/19
热油泵导热油泵型号及参数_第2页
2/19
热油泵导热油泵型号及参数_第3页
3/19
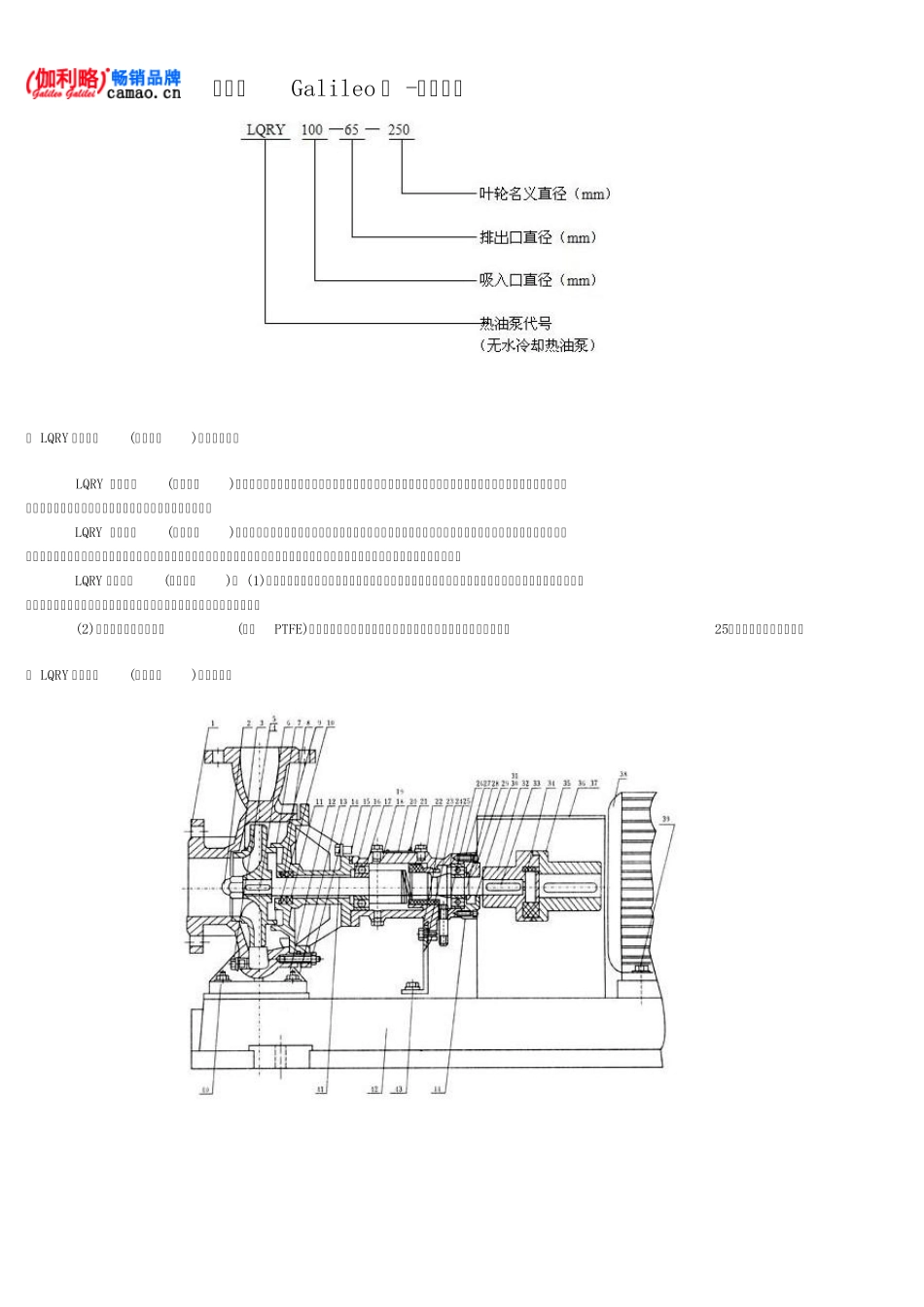
伽利略Galileo 泵 -欧洲品质 【 LQRY 型热油泵(导热油泵)】产品: 【 LQRY 型热油泵(导热油泵)】产品简介: LQRY 型热油泵(导热油泵是吸取了国内外各类先进的热油循环泵的特点研制的。该泵具有结构合理、技术先进、效率高、在热态下能长期稳定运转无泄漏、无附加冷却系统安全可靠等特点,可广泛使用于石油、油脂、锅炉、建筑、养路、制药、塑料、橡胶、含成纤维纺织、印染等工业领域,主要用于输送不含固体颗粒的弱腐蚀性高温液体,使用温度≤370℃,是一种理想的热油循环泵。 【 LQRY 型热油泵(导热油泵)】型号意义: 伽利略Galileo 泵 -欧洲品质 【 LQRY 型热油泵(导热油泵)】结构特点: LQRY 型热油泵(导热油泵)是本单位消化吸收国外油泵的基础上研制的第二代产品,基本结构形式为单级单吸悬臂式脚支撑结构,泵的进口为轴向吸入,出口为中心垂直向上,和电机同装于底座上。 LQRY 型热油泵(导热油泵)的支撑采用了双端球轴承支撑的结构形式,前端采用润滑油润滑,后端采用润滑脂润滑,中间有一导油管,用以随时观察密封情况和回收导热油。采用自热散热结构,改变了传统的水冷却结构,使结构简单,体积小,节约运行费用,性能好,使用可靠。 LQRY 型热油泵(导热油泵), (1)采用填料密封和机械密封相结合的形式,填料密封用耐高的填料,具有良好的热态适应性,而机械密封则采用机械强度高,耐磨性好的硬质合金材料,保证了高温情况下的密封性能。 (2)采用第三代聚四氟乙烯(简称PTFE)做唇形密封,使密封性能产生了飞跃,比橡胶类密封可靠.注提高25倍,而十腐蚀性能极强。 【 LQRY 型热油泵(导热油泵)】结构图: 伽利略Galileo 泵 -欧洲品质 1 泵体 2 盖形螺母 3 叶轮 4 螺塞 5 铝热圈 6 平键 7 泵盖 8 孔用弹性档圈 9 铝垫圈 10 压圈 11 垫料 12 螺母 13 垫圈 14 螺栓 15 螺栓 16 泵轴 17 球轴承 18 轴承座 19 垫片 20 铝牌 21 铆钉 22 机械密封 23 螺栓 24 撑酶 25 垫圈 26 导油管 27 螺钉 28 垫圈 29 橡胶密封 30 轴承盖 31 垫片 32 泵联轴器 33 平键 34 弹性块 35 电机联轴器 36 罩壳 37 螺钉 38 电动机 39 螺栓 40 螺柱 41 垫圈 42 底座 43 垫圈 44 弹性挡圈 1 泵体 2 盖形螺母 3 叶轮 4 螺塞 5 平键 6 泵盖 7 孔用弹性挡圈 8 铝垫片 9 压圈 10 垫料 11 螺母 12 垫片 13 垫片 14 螺栓...

1、当您付费下载文档后,您只拥有了使用权限,并不意味着购买了版权,文档只能用于自身使用,不得用于其他商业用途(如 [转卖]进行直接盈利或[编辑后售卖]进行间接盈利)。
2、本站所有内容均由合作方或网友上传,本站不对文档的完整性、权威性及其观点立场正确性做任何保证或承诺!文档内容仅供研究参考,付费前请自行鉴别。
3、如文档内容存在违规,或者侵犯商业秘密、侵犯著作权等,请点击“违规举报”。

碎片内容

热油泵导热油泵型号及参数

您可能关注的文档

确认删除?
VIP
微信客服
  • 扫码咨询
会员Q群
  • 会员专属群点击这里加入QQ群
客服邮箱
回到顶部