电脑桌面
添加小米粒文库到电脑桌面
安装后可以在桌面快捷访问

新浇混凝土对模板的最大侧压力计算:VIP免费

新浇混凝土对模板的最大侧压力计算:_第1页
1/4
新浇混凝土对模板的最大侧压力计算:_第2页
2/4
新浇混凝土对模板的最大侧压力计算:_第3页
3/4
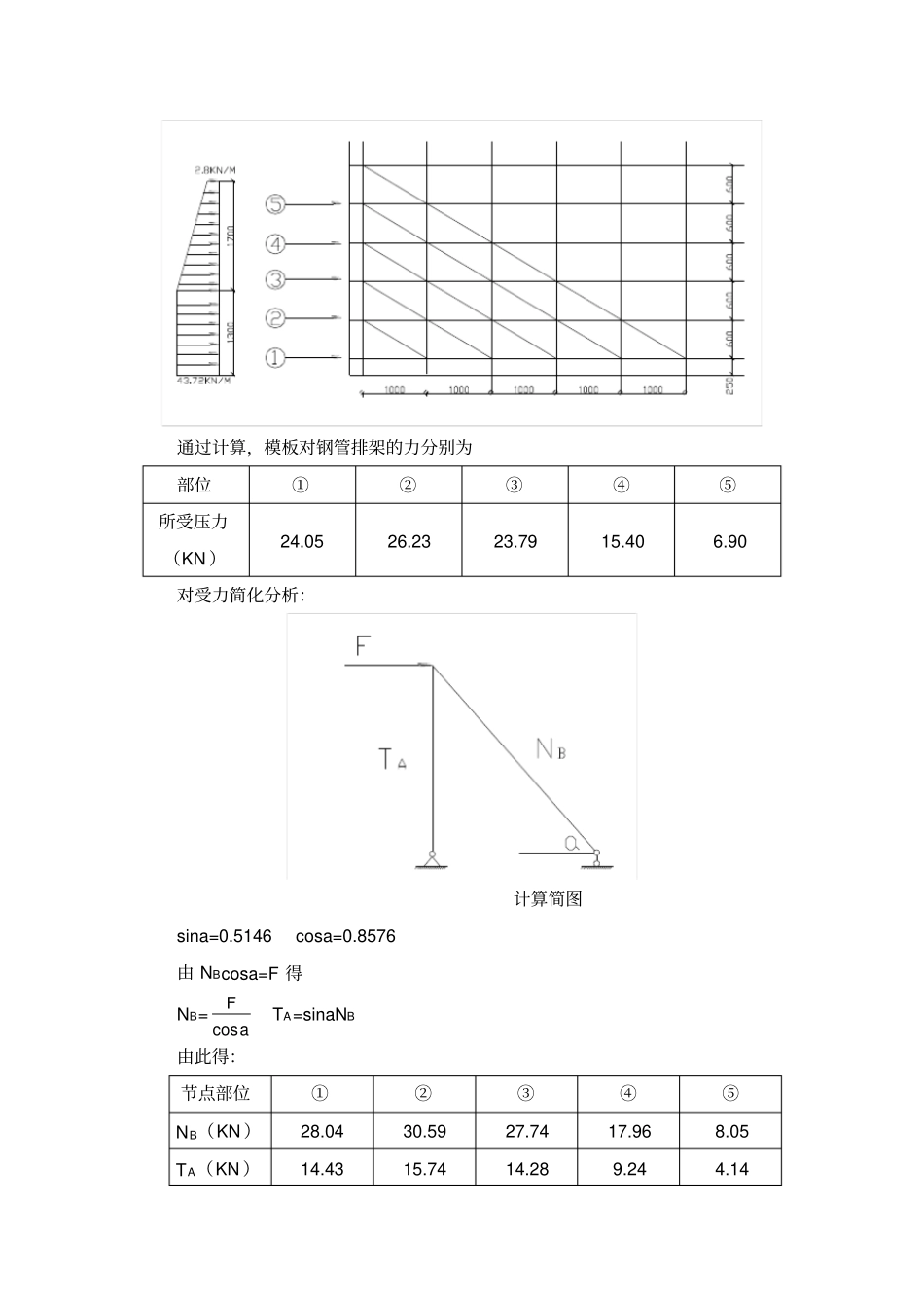
附页:外墙单面支模模板计算书1、由于采用大钢模板,现只对其的支撑体系进行验算。单面模板高3m,以单排支撑点为验算单位,计算宽度为1m。2、新浇混凝土对模板的最大侧压力计算:计算参数: γ c=24KN/m3(混凝土的重力密度)to=5 小时(新浇混凝土的初凝时间要求搅拌站保证)β 1=1.2(外加剂影响系数)β 2=1.15(坍落度影响系数)v=1m/小时(混凝土浇筑速度, 3m 高的墙要求在 >3 小时浇完)H=3m(混凝土侧压力计算位置处到新浇顶面的总高度)由公式 F=0.22γc toβ 1β 2v=0.22×24×5×1.2×1.15×1 =36.43KN/m2由公式 F=γ c H =24×3 =72KN/m2 按取最小值,故最大侧压力为36.43KN/m23、荷载设计值 F6 及有效压头高度 h F6=γ cF =1.2×36.43 =43.72 KN/m2有效压头高度 h= F6/γ c=43.72/24=1.82m 倾倒荷载产生的压头x= F7/γ c=2.8/24=0.12 叠加后的有效高头h=1.82-0.12=1.7m 4、倾倒混凝土时产生的荷载F=2KN/m2F7=γ 7F=2×1.4=2.8KN/m2剪力图通过计算,模板对钢管排架的力分别为部位①②③④⑤所受压力(KN )24.05 26.23 23.79 15.40 6.90 对受力简化分析:计算简图sina=0.5146 cosa=0.8576 由 NBcosa=F 得NB=acosFTA=sinaNB 由此得:节点部位①②③④⑤NB(KN )28.04 30.59 27.74 17.96 8.05 TA(KN )14.43 15.74 14.28 9.24 4.14 采用密布型钢管行架进行支撑增加锚拉,采用分析计算的方法进行计算:φ 48×3.5mm 钢管的力学性能抗拉、抗压强度设计值:f=205N/mm2抗剪强度设计值: τ =120 N/mm2单个杆件的抗力验算单个受拉构件: TAmax/489=15740/489=32.19N/mm2<205 N/mm2(满足要求)总的拉力 Σ TAi=14.43+15.74+14.28+9.24+4.14=57.83KN 57830/489=118.3 N/mm2<205 N/mm2(满足要求 ) 受压构件: NBmax=30.59 KN;LB=1166mm 采用十字扣件,计算长度系数为1.5,所以实际计算长度为1749mm λ =L/r=1749/15.78=111 ;查表得 Ψ =0.555 δ =N/Ψ A=30590/(0.555×489)=112.7N/mm2<205 N/mm2(满足要求)5、地锚钢筋抗剪(整体)Σ F/fv=(24.05+26.23+23.79+15.40+6.90)×1000/(489×125)=1.58(根)所以至少需 2 排钢管埋地抗剪,实际安排5 排,满足要求。6、扣件抗滑以每个抗滑能力为7 KN 验算水平方向,支点的最大水平力为26.23KN,每根水平受力杆通过5 道行架有10 个扣件锁定不可能位移。通过以上计算,该支撑体系满足要求...

1、当您付费下载文档后,您只拥有了使用权限,并不意味着购买了版权,文档只能用于自身使用,不得用于其他商业用途(如 [转卖]进行直接盈利或[编辑后售卖]进行间接盈利)。
2、本站所有内容均由合作方或网友上传,本站不对文档的完整性、权威性及其观点立场正确性做任何保证或承诺!文档内容仅供研究参考,付费前请自行鉴别。
3、如文档内容存在违规,或者侵犯商业秘密、侵犯著作权等,请点击“违规举报”。

碎片内容

新浇混凝土对模板的最大侧压力计算:

您可能关注的文档

爱的疯狂+ 关注
实名认证
内容提供者

该用户很懒,什么也没介绍

确认删除?
VIP
微信客服
  • 扫码咨询
会员Q群
  • 会员专属群点击这里加入QQ群
客服邮箱
回到顶部