电脑桌面
添加小米粒文库到电脑桌面
安装后可以在桌面快捷访问

道路危险货物运输企业安全标准化VIP免费

道路危险货物运输企业安全标准化_第1页
1/9
道路危险货物运输企业安全标准化_第2页
2/9
道路危险货物运输企业安全标准化_第3页
3/9
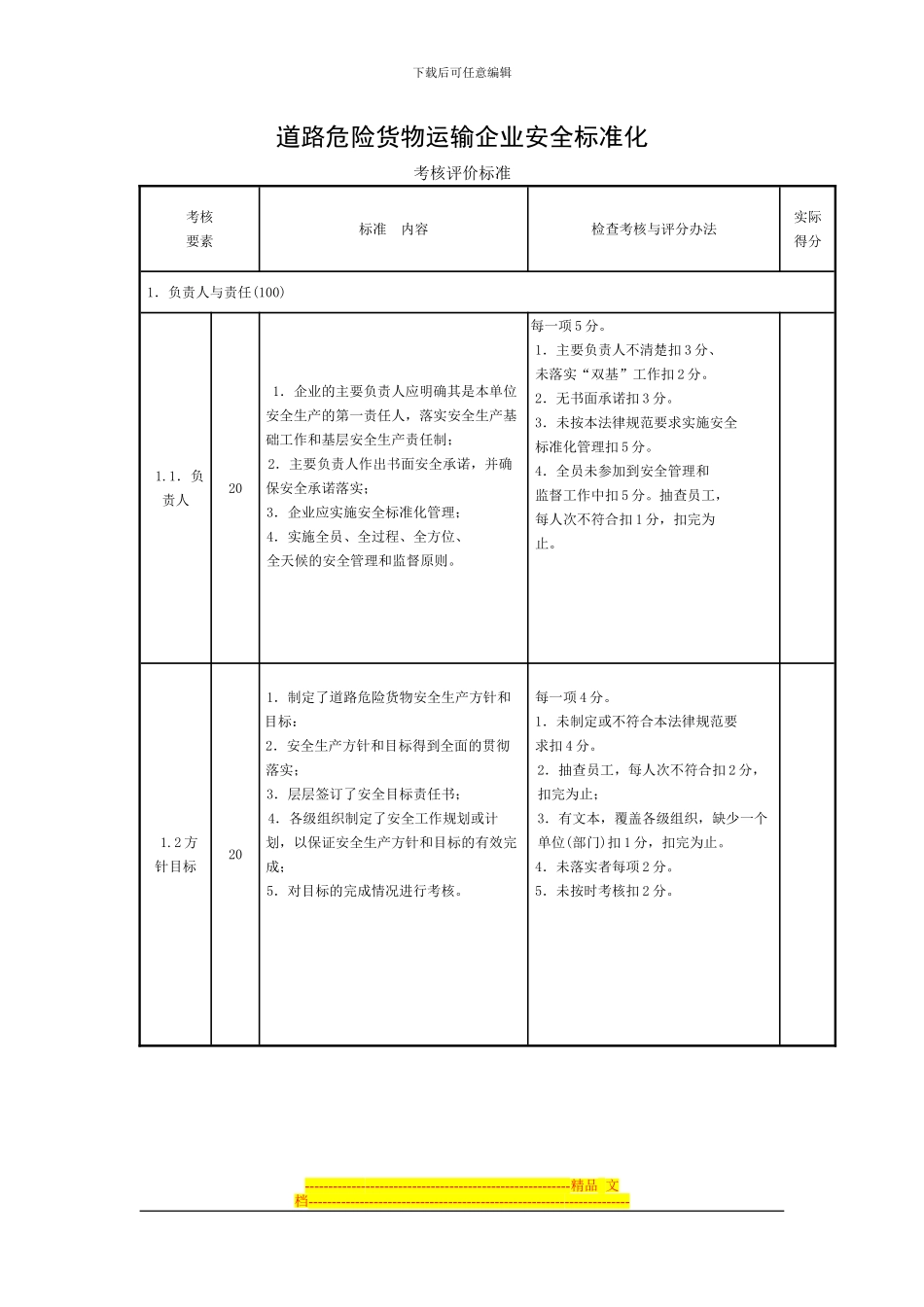
下载后可任意编辑道路危险货物运输企业安全标准化考核评价标准考核要素标准 内容检查考核与评分办法实际得分1.负责人与责任(100)1.1.负责人20 1.企业的主要负责人应明确其是本单位安全生产的第一责任人,落实安全生产基础工作和基层安全生产责任制;2.主要负责人作出书面安全承诺,并确保安全承诺落实;3.企业应实施安全标准化管理;4.实施全员、全过程、全方位、全天候的安全管理和监督原则。每一项 5 分。1.主要负责人不清楚扣 3 分、未落实“双基”工作扣 2 分。2.无书面承诺扣 3 分。3.未按本法律规范要求实施安全标准化管理扣 5 分。4.全员未参加到安全管理和监督工作中扣 5 分。抽查员工,每人次不符合扣 1 分,扣完为止。1.2 方针目标20 1.制定了道路危险货物安全生产方针和目标:2.安全生产方针和目标得到全面的贯彻落实;3.层层签订了安全目标责任书;4.各级组织制定了安全工作规划或计划,以保证安全生产方针和目标的有效完成;5.对目标的完成情况进行考核。每一项 4 分。1.未制定或不符合本法律规范要求扣 4 分。2.抽查员工,每人次不符合扣 2 分,扣完为止;3.有文本,覆盖各级组织,缺少一个单位(部门)扣 1 分,扣完为止。4.未落实者每项 2 分。5.未按时考核扣 2 分。---------------------------------------------------------精品 文档---------------------------------------------------------------------下载后可任意编辑1.3 机构设置20 1.建立了安全生产委员会或领导小组;2.设置安全生产管理机构或配备专职安全生产管理人员,健全安全管理网络;3.企业的主要负责人和安全生产管理人员应具备与本单位所从事的生产经营活动相适应的安全生产知识和管理能力;4.企业的主要负责人和安全生产管理人员经交通主管部门培训考核合格,取得从业资格证书。每一项 5 分。1.未建立或虚设扣 5 分。2.未设置安全生产管理机构或未配备专职安全生产管理人员,扣 5 分,安全管理网络不健全扣 3 分。3.知识与能力不适应扣 5 分。4.主要负责人无从业资格证书扣 3 分;安全生产管理人员无从业资格证书,一个扣 2 分,扣完为止。1.4 职责20 1.明确各级管理人员及从业人员的安全职责;2.明确安全生产管理机构、各职能部门、各生产基层单位安全职责;3.建立安全责任考核制度,定期考核,予以奖惩。前两项每项 7 分,第三项 6 分1.有文本,覆盖各级管理人员及...

1、当您付费下载文档后,您只拥有了使用权限,并不意味着购买了版权,文档只能用于自身使用,不得用于其他商业用途(如 [转卖]进行直接盈利或[编辑后售卖]进行间接盈利)。
2、本站所有内容均由合作方或网友上传,本站不对文档的完整性、权威性及其观点立场正确性做任何保证或承诺!文档内容仅供研究参考,付费前请自行鉴别。
3、如文档内容存在违规,或者侵犯商业秘密、侵犯著作权等,请点击“违规举报”。

碎片内容

道路危险货物运输企业安全标准化

确认删除?
VIP
微信客服
  • 扫码咨询
会员Q群
  • 会员专属群点击这里加入QQ群
客服邮箱
回到顶部