电脑桌面
添加小米粒文库到电脑桌面
安装后可以在桌面快捷访问

采购及供应商控制程序VIP免费

采购及供应商控制程序_第1页
1/5
采购及供应商控制程序_第2页
2/5
采购及供应商控制程序_第3页
3/5
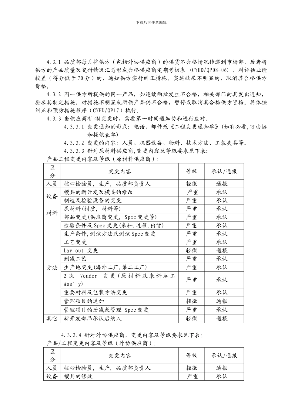
下载后可任意编辑目的:对采购过程及供方进行控制,以保证所采购的物资符合规定的采购要求。2.适用范围: 适用于原材料、外协件(含外包过程)、外购件的采购及供方的选择、评价和控制。3.职责: 3.1 市场部负责供方的评价与选择,建立供方档案,制定采购计划与实施。 3.2 总经理批准采购计划。 3.3 工程部负责编制采购技术文件及采购物资分类表。 3.4 品质部负责采购物资的检验和验证(包括委外检验和试验)。4.作业程序 4.1 采购物资的分类工程部根据采购物资对最终产品性能的影响程度,编制采购物资分类表(CYHD/QP08-08),将采购物资分为三类:A 类(关键物资):直接影响最终产品主要性能或安全性能的物资。B 类(重要物资):对产品的某些功能有一定影响的物资。C 类(一般物资):对产品质量的辅助功能有一定影响,对最终产品质量无直接影响的物资。 4.2 供方的评价与选择4.2.1 供方的初选 市场部提供有质保能力(或通过 ISO9001 认证),信誉好、质量稳定、价格合理、交货及时的初选供方名单,收集供应商资料表(CYH/QP08-04)。4.2.2 供方的初评 市场部组织有关部门对初选供方进行评审,填写供应商评审表(CYHD/QP08-05)。评审内容:A 类(关键物资):评定其技术能力、供货能力,对样件检测和质量管理体系评价。B 类(重要物资):评定其技术能力、供货能力,对样件检测。C 类(一般物资):评定其供货能力,对样件检测或使用前验证等方式进行评价。根据评审结果确定合格供应商清单(CYHD/QP08-03)报总经理批准。市场部应保存相关评审记录,建立供方档案,合格供应商名单最少每三个月需更新一次。4.2.3 合格供方的重新评价 4.2.3.1 市场部每年初组织有关部门对上年度的合格供方重新评价,内容如下:a) 供方质量体系保证能力及其变化。b) 供货质量业绩。c) 交货能力。d) 价格及服务等情况。 4.2.3.2 评价不合格的 B/C 类供方,相关部门通知其整改。 评价不合格的 A 类供方,相关部门进行现场审核,提出改进建议。 对在整改期限效果不明显的取消其合格供方资格。 有关部门根据评价结果重新编制合格供应商清单(CYHD/QP08-03) 4.3 供方的控制下载后可任意编辑4.3.1 品质部每月将供方(包括外协供应商)的供货不合格情况传递到市场部,后者将供方的产品质量及交付情况汇总形成合格供应商定期考核表 (CYHD/QP08-06) 。对评估业绩较差(得分低于 70 分)的,通知供方实行纠正措施。实施效果...

1、当您付费下载文档后,您只拥有了使用权限,并不意味着购买了版权,文档只能用于自身使用,不得用于其他商业用途(如 [转卖]进行直接盈利或[编辑后售卖]进行间接盈利)。
2、本站所有内容均由合作方或网友上传,本站不对文档的完整性、权威性及其观点立场正确性做任何保证或承诺!文档内容仅供研究参考,付费前请自行鉴别。
3、如文档内容存在违规,或者侵犯商业秘密、侵犯著作权等,请点击“违规举报”。

碎片内容

采购及供应商控制程序

您可能关注的文档

确认删除?
VIP
微信客服
  • 扫码咨询
会员Q群
  • 会员专属群点击这里加入QQ群
客服邮箱
回到顶部