电脑桌面
添加小米粒文库到电脑桌面
安装后可以在桌面快捷访问

隧道暗挖劳务分包合同VIP免费

隧道暗挖劳务分包合同_第1页
1/20
隧道暗挖劳务分包合同_第2页
2/20
隧道暗挖劳务分包合同_第3页
3/20
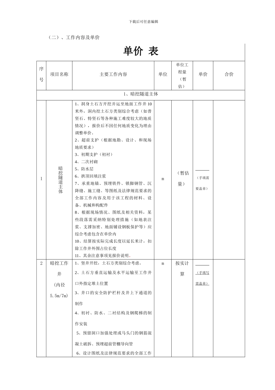
下载后可任意编辑建设工程施工劳务合同总承包(甲方):成都倍特建筑安装工程有限公司 分包方(乙方):重庆泉盛建设开发集团有限公司依照《中华人民共和国合同法》、《中华人民共和国建筑法》、《劳动法》、《劳动合同法》、《四川省建筑管理条例》及其它有关法律、行政法规,遵循平等、自愿、互利和诚实信用的原则,为确保该工程顺利完成,甲乙双方经友好协商,达成如下协议,并严格履行。一、工程概述工程名称:新川创新科技园新成仁路 II 标段电力隧道工程(暗挖部分)工程地点:高新区、中和场(镇)龙灯山社区结构类型:钢筋混凝土电力隧道工程概况:本工程为由成都市市政工程设计讨论院设计的新川创新科技园新成仁路II 标段 24+38~26+00 段电力隧道暗挖工程。具体内容包括:隧道土石方、基坑支护、暗挖隧道结构施工、工作井、风孔人孔井、防水、防雷接地预留预埋、隧道刷白、水沟泵坑或建筑安装工程工作内容。 二、承包方式、工作内容、工作量的计算:(一)、承包方式: 1、范围:暗挖隧道,及工作井土建工程,施工设计图,图纸会审纪要,设计变更,技术核定单,设计、法律规范要求及工程质量验收标准中所明示或暗示为完成本工程的一切土建工程内容,应注重预埋件安装,不得遗漏。由乙方负责保质保量按时完成并通过竣工验收。工程量以施工设计图为依据进行现场实测。 乙方按费用包干的形式承包并且自负盈亏。即:乙方在承包工程施工中所产生的材料费、人工费、机械费、安全文明施工费、措施费、规费、税金(乙方收取工程款时需提供等额的劳务或材料发票)。2、其他合同外项目:因工程需要并甲乙双方达成意向,甲方将暗挖隧道范围外的其他项目(如、局部明挖电力隧道结构、人行出口等)承包予乙方施工的,双方签订补充单价、施工内容和协议,除新签订协议中明确所作修改的条款之外,本合同的其余部分应完全继续有效。下载后可任意编辑 (二)、工作内容及单价单价 表序号项目名称主要工作内容单位单位工程量(暂估)单价合价1、暗挖隧道主体1暗挖隧道主体1、洞身土石方开挖并运至地面工作井 10米外,洞内挖土石方类别综合考虑(如普坚石、特坚石等各种施工难度较大的地质情况),报价后不因任何地质变化为理由调整单价。2、超前支护(根据地勘、设计、和现场地质要求)3、初期支护(初衬)4、二次衬砌5、防水层6、拱顶回填注浆7、承重地锚、预埋铁件、锁脚钢管、沉降缝、施工缝、等图纸及法律规范要求的全部工作内容及用于该工程...

1、当您付费下载文档后,您只拥有了使用权限,并不意味着购买了版权,文档只能用于自身使用,不得用于其他商业用途(如 [转卖]进行直接盈利或[编辑后售卖]进行间接盈利)。
2、本站所有内容均由合作方或网友上传,本站不对文档的完整性、权威性及其观点立场正确性做任何保证或承诺!文档内容仅供研究参考,付费前请自行鉴别。
3、如文档内容存在违规,或者侵犯商业秘密、侵犯著作权等,请点击“违规举报”。

碎片内容

隧道暗挖劳务分包合同

确认删除?
VIP
微信客服
  • 扫码咨询
会员Q群
  • 会员专属群点击这里加入QQ群
客服邮箱
回到顶部