电脑桌面
添加小米粒文库到电脑桌面
安装后可以在桌面快捷访问

()脚手架施工方案VIP免费

()脚手架施工方案_第1页
1/11
()脚手架施工方案_第2页
2/11
()脚手架施工方案_第3页
3/11
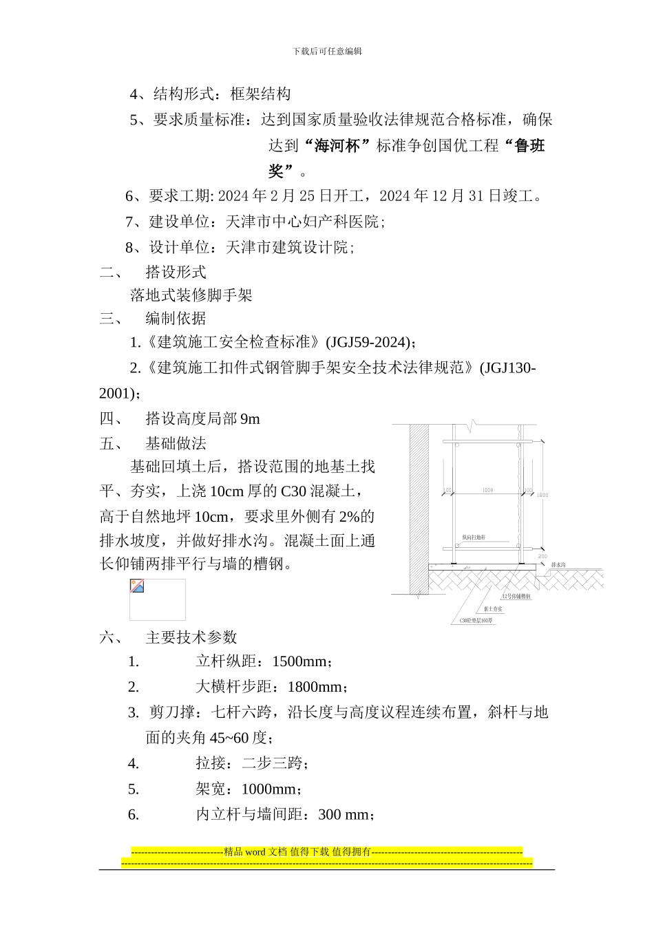
下载后可任意编辑津建安 3 卷 3-01天津市建设工程施工现场安全保证资料脚手架施工方案天一建设进展有限公司一、工程概况1、工程名称:天津市中心妇产科医院迁址新建工程;2、建设地点:天津市南开区三公路液压集团;3、建设规模:71510 平方米----------------------------精品 word 文档 值得下载 值得拥有---------------------------------------------------------------------------------------------------------------------------------------------------------------------------下载后可任意编辑4、结构形式:框架结构5、要求质量标准:达到国家质量验收法律规范合格标准,确保达到“海河杯”标准争创国优工程“鲁班奖”。6、要求工期: 2024 年 2 月 25 日开工,2024 年 12 月 31 日竣工。7、建设单位:天津市中心妇产科医院;8、设计单位:天津市建筑设计院;二、搭设形式落地式装修脚手架三、编制依据1.《建筑施工安全检查标准》(JGJ59-2024);2.《建筑施工扣件式钢管脚手架安全技术法律规范》(JGJ130-2001);四、搭设高度局部 9m五、基础做法基础回填土后,搭设范围的地基土找平、夯实,上浇 10cm 厚的 C30 混凝土,高于自然地坪 10cm,要求里外侧有 2%的排水坡度,并做好排水沟。混凝土面上通长仰铺两排平行与墙的槽钢。六、主要技术参数1. 立杆纵距:1500mm;2. 大横杆步距:1800mm;3. 剪刀撑:七杆六跨,沿长度与高度议程连续布置,斜杆与地面的夹角 45~60 度;4. 拉接:二步三跨;5. 架宽:1000mm;6. 内立杆与墙间距:300 mm;----------------------------精品 word 文档 值得下载 值得拥有---------------------------------------------------------------------------------------------------------------------------------------------------------------------------下载后可任意编辑7. 荷载:三层装修作业层施工荷载+五层脚手板(3+5*0.35)七、材质要求1. 钢管:φ48×3.5 的 3 号普通钢钢管,其质量应符合国家现行标准《碳素结构钢》(GB/T700)中 Q235-A 级钢的规定。用作立杆、大横杆和斜杆的钢管长度人 4~6.5m,用于小横杆的钢管长度为 1.2m。钢管上严禁打孔。其中剪刀撑刷 500mm 一道的黑、黄相间色,其余刷桔红色。2. 连接构件: 采纳可铸铁制作的扣件,其材质应符合现行国家标准与《钢管脚手架扣件》(GB15831)的规定;采纳其它材料制作的扣件,应经试验证...

1、当您付费下载文档后,您只拥有了使用权限,并不意味着购买了版权,文档只能用于自身使用,不得用于其他商业用途(如 [转卖]进行直接盈利或[编辑后售卖]进行间接盈利)。
2、本站所有内容均由合作方或网友上传,本站不对文档的完整性、权威性及其观点立场正确性做任何保证或承诺!文档内容仅供研究参考,付费前请自行鉴别。
3、如文档内容存在违规,或者侵犯商业秘密、侵犯著作权等,请点击“违规举报”。

碎片内容

()脚手架施工方案

人从众+ 关注
实名认证
内容提供者

欢迎光临小店,本店以公文和教育为主,希望符合您的需求。

确认删除?
VIP
微信客服
  • 扫码咨询
会员Q群
  • 会员专属群点击这里加入QQ群
客服邮箱
回到顶部