电脑桌面
添加小米粒文库到电脑桌面
安装后可以在桌面快捷访问

0浙江施工现场安全技术资料台帐VIP免费

0浙江施工现场安全技术资料台帐_第1页
1/86
0浙江施工现场安全技术资料台帐_第2页
2/86
0浙江施工现场安全技术资料台帐_第3页
3/86
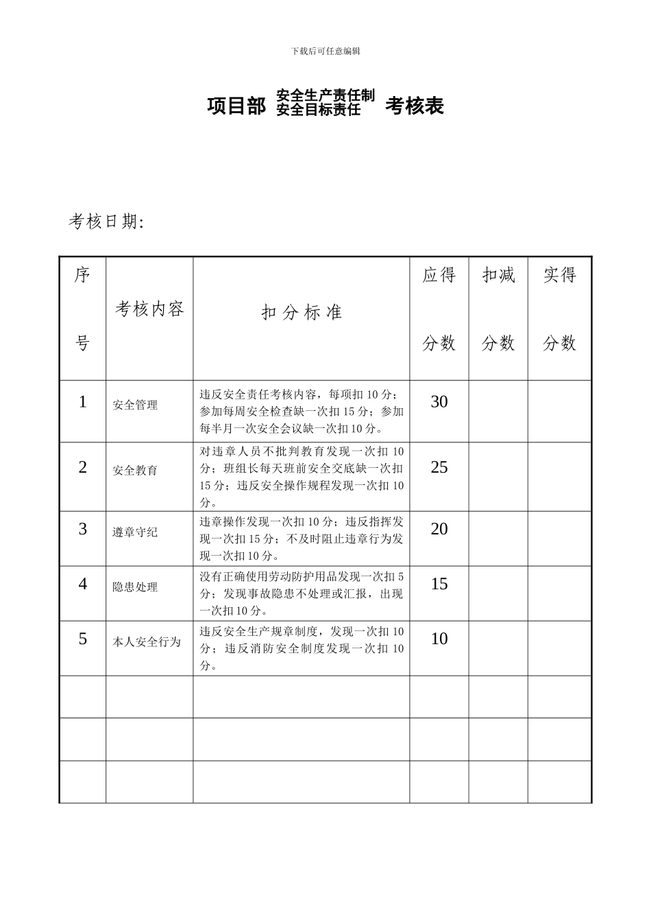
下载后可任意编辑安全技术资料台帐之一安 全 生 产 管 理 制 度工程名称_________________施工单位_________________浙江省工程建设质量安全监督总站印制下载后可任意编辑安全技术资料台帐之二安全生产责任与目标管理工程名称_________________施工单位_________________浙江省工程建设质量安全监督总站印制下载后可任意编辑项目部 安全生产责任制安全目标责任 考核表考核日期:序号考核内容扣 分 标 准应得分数扣减分数实得分数1安全管理违反安全责任考核内容,每项扣 10 分;参加每周安全检查缺一次扣 15 分;参加每半月一次安全会议缺一次扣 10 分。302安全教育对违章人员不批判教育发现一次扣 10分;班组长每天班前安全交底缺一次扣15 分;违反安全操作规程发现一次扣 10分。253遵章守纪违章操作发现一次扣 10 分;违反指挥发现一次扣 15 分;不及时阻止违章行为发现一次扣 10 分。204隐患处理没有正确使用劳动防护用品发现一次扣 5分;发现事故隐患不处理或汇报,出现一次扣 10 分。155本人安全行为违反安全生产规章制度,发现一次扣 10分;违反消防安全制度发现一次扣 10分。10下载后可任意编辑合 计100被考核人:考核人:安全技术资料台帐之三施 工 组 织 设 计工程名称_________________施工单位_________________下载后可任意编辑浙江省工程建设质量安全监督总站印制 施工组织下载后可任意编辑设计编制人_________职务(称)_________审核人_________职务(称)_________批准人_________职务(称)_________批准部门(章)___________________编 制 日 期: ___________________下载后可任意编辑工 程 概 况 表工程名称建设单位施工单位资质等级监理单位资质等级设计单位资质等级项目经理项目经理资 质施 工 员安 全 员建筑面积结构类型层 数工程造价开工日期计划竣工日 期下载后可任意编辑备 注 专项安全施下载后可任意编辑工方案编制人_________职务(称)_________审核人_________职务(称)_________批准人_________职务(称)_________批准部门(章)___________________编 制 日 期...

1、当您付费下载文档后,您只拥有了使用权限,并不意味着购买了版权,文档只能用于自身使用,不得用于其他商业用途(如 [转卖]进行直接盈利或[编辑后售卖]进行间接盈利)。
2、本站所有内容均由合作方或网友上传,本站不对文档的完整性、权威性及其观点立场正确性做任何保证或承诺!文档内容仅供研究参考,付费前请自行鉴别。
3、如文档内容存在违规,或者侵犯商业秘密、侵犯著作权等,请点击“违规举报”。

碎片内容

0浙江施工现场安全技术资料台帐

确认删除?
VIP
微信客服
  • 扫码咨询
会员Q群
  • 会员专属群点击这里加入QQ群
客服邮箱
回到顶部