电脑桌面
添加小米粒文库到电脑桌面
安装后可以在桌面快捷访问

10号楼施工组织设计VIP免费

10号楼施工组织设计_第1页
1/46
10号楼施工组织设计_第2页
2/46
10号楼施工组织设计_第3页
3/46
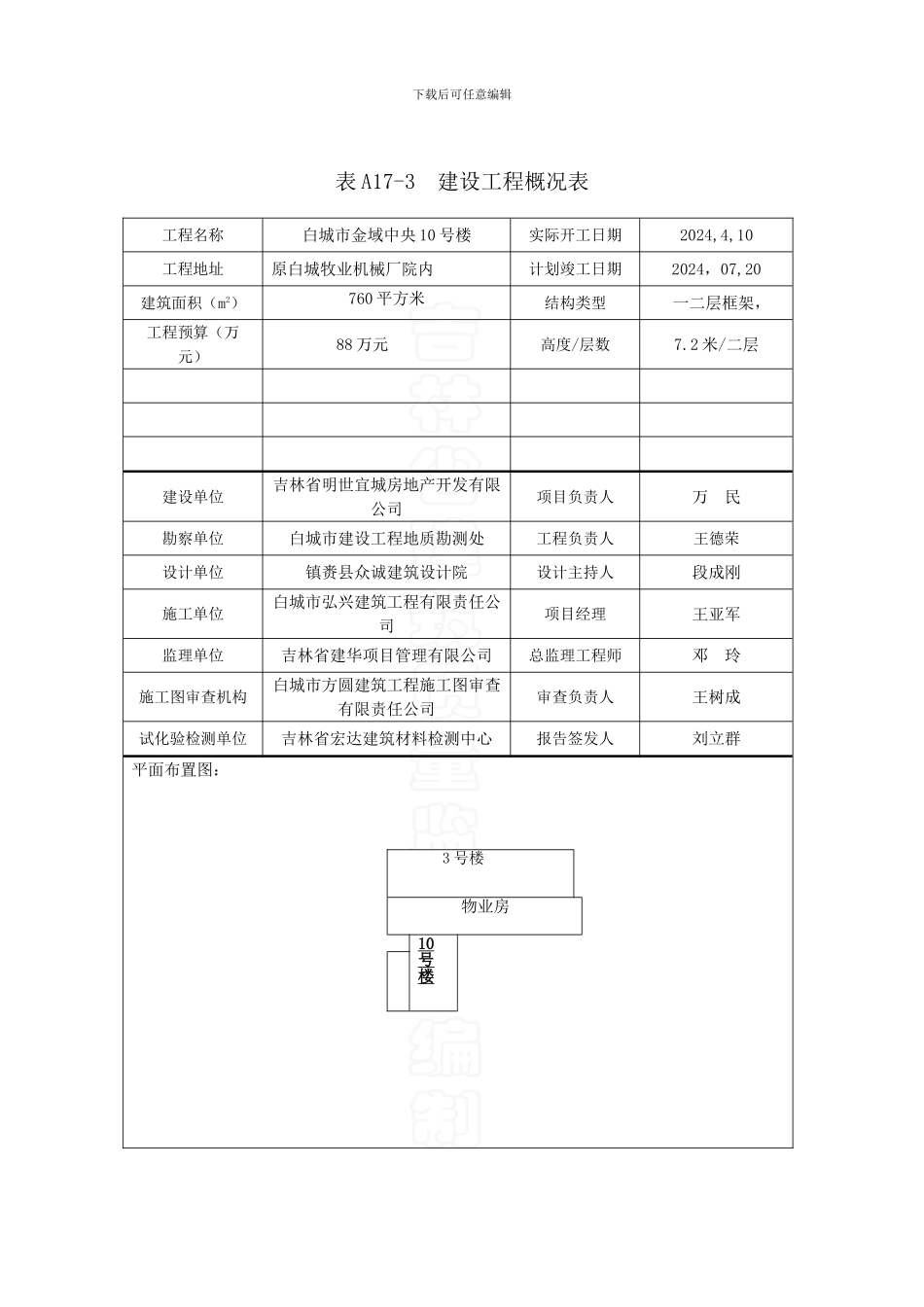
施工组织设计工 程 名 称:白城市洮北区林海信用社施工单位(章):白城市弘兴建筑工程有限责任公司技术负责人:项目经理:项目技术负责人:编 制 人:审 核 人:编制时间:2010-8-8下载后可任意编辑表 A17-2 会签单会 签 部 门意 见负责人签字技 术主要施工方案编制详细,有针对性,可行性,合理性和先进性,能够按计划实施质 量已明确建立健全质量管理体系,并制定质量目标,有关措施编制详细,有针对性,可行性,能够保证目标的实施,同意安 全已明确建立健全职业健康安全管理体系,并制定职业健康安全目标,有关措施编制详细,有针对性,可行性,能够保证目标的实施,同意环 境已明确建立健全环境管理体系,并制定环境目标,指标,及管理方案,同意设备物资设备物资可按计划供应,同意。生 产同意按此施工组织设计实施建设单位意见:该施工组织设计技术上可行,进度,质量,安全,环境目标能够实现,符合有关法律规范标准和图纸及合同要求,同意按此施工组织设计实施单位公章:负责人签字:日期:下载后可任意编辑表 A17-3 建设工程概况表工程名称白城市金域中央 10 号楼实际开工日期2024,4,10工程地址原白城牧业机械厂院内计划竣工日期2024,07,20建筑面积(m2)760 平方米结构类型一二层框架,工程预算(万元) 88 万元高度/层数7.2 米/二层建设单位吉林省明世宜城房地产开发有限公司项目负责人万 民勘察单位白城市建设工程地质勘测处工程负责人王德荣设计单位镇赉县众诚建筑设计院设计主持人段成刚施工单位白城市弘兴建筑工程有限责任公司项目经理王亚军监理单位吉林省建华项目管理有限公司总监理工程师邓 玲施工图审查机构白城市方圆建筑工程施工图审查有限责任公司审查负责人王树成试化验检测单位吉林省宏达建筑材料检测中心报告签发人刘立群平面布置图:3 号楼物业房10号楼下载后可任意编辑表 A17-4 施工布置平面图施工布置平面图应包括(图例可根据施工技术手册确定):1.原有和拟建的地上、地下建筑物和构筑物,铁路、公路、道路和各种管网,钻井、深坑,测量基准点,原有地形图和等高线,方向标识;2.各类施工临时设施(铁路、道路、加工厂、机械装置、建筑材料、半成品、工具、设备堆放场、行政管理和生活用房、临时给、排水管线、动力管网、防洪、安全消防设施以及弃土地点等);3.施工现场的边界线位置及水电引入点。下载后可任意编辑表 A17-5 施工进度计划施工进度计划应包括工序名称、工程量、...

1、当您付费下载文档后,您只拥有了使用权限,并不意味着购买了版权,文档只能用于自身使用,不得用于其他商业用途(如 [转卖]进行直接盈利或[编辑后售卖]进行间接盈利)。
2、本站所有内容均由合作方或网友上传,本站不对文档的完整性、权威性及其观点立场正确性做任何保证或承诺!文档内容仅供研究参考,付费前请自行鉴别。
3、如文档内容存在违规,或者侵犯商业秘密、侵犯著作权等,请点击“违规举报”。

碎片内容

10号楼施工组织设计

确认删除?
VIP
微信客服
  • 扫码咨询
会员Q群
  • 会员专属群点击这里加入QQ群
客服邮箱
回到顶部