电脑桌面
添加小米粒文库到电脑桌面
安装后可以在桌面快捷访问

2024年新版混凝土砌石体伸缩缝施工质量验收评定表VIP免费

2024年新版混凝土砌石体伸缩缝施工质量验收评定表_第1页
1/4
2024年新版混凝土砌石体伸缩缝施工质量验收评定表_第2页
2/4
2024年新版混凝土砌石体伸缩缝施工质量验收评定表_第3页
3/4
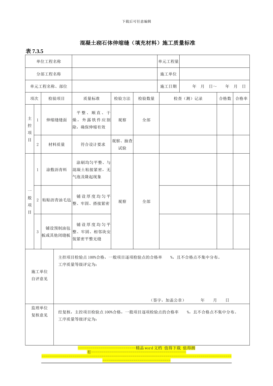
下载后可任意编辑混凝土砌石体伸缩缝(填充材料)施工质量标准表 7.3.5单位工程名称单元工程量 分部工程名称施工单位 单元工程名称、部位施工日期年 月 日~ 年 月 日项次检验项目质量标准检验方法检验数量检查(测)记录合格数合格率主控项目1伸缩缝缝面平 整 、 顺 直 、 干燥 , 外 露 铁 件 应 割除,确保伸缩有效观察全部 2材料质量符合设计要求观察、抽查试验 一般项目1涂敷沥青料涂刷均匀平整、与混凝土粘接紧密,无气泡及隆起现象观察全部 2粘贴沥青油毛毡铺 设 厚 度 均 匀 平整、牢固、搭接紧密 3铺设预制油毡板或其他闭缝板铺 设 厚 度 均 匀 平整、牢固、相邻块安装紧密平整无缝施工单位自评意见主控项目检验点 100%合格,一般项目逐项检验点的合格率 %,且不合格点不集中分布。工序质量等级评定为:(签字,加盖公章) 年 月 日监理单位复核意见经复核,主控项目检验点 100%合格,一般项目逐项检验点的合格率 %,且不合格点不集中分布。工序质量等级评定为:----------------------------精品 word 文档 值得下载 值得拥有---------------------------------------------------------------------------------------------------------------------------------------------------------------------------下载后可任意编辑(签字,加盖公章) 年 月 日混凝土砌石体伸缩缝(填充材料)施工质量验收评定表表 7.3.5单位工程名称单元工程量 分部工程名称施工单位 单元工程名称、部位施工日期年 月 日~ 年 月 日项次检验项目质量标准检查(测)记录合格数合格率主控项目1伸缩缝缝面平整、顺直、干燥,外露铁件应割除,确保伸缩有效 2材料质量符合设计要求 一般项目1涂敷沥青料涂刷均匀平整、与混凝土粘接紧密,无气泡及隆起现象 2 粘贴沥青油毛毡铺 设 厚 度 均 匀 平 整 、 牢固、搭接紧密 3铺设预制油毡板或其他闭缝板铺 设 厚 度 均 匀 平 整 、 牢固、相邻块安装紧密平整无缝施工单位自评意见主控项目检验点 100%合格,一般项目逐项检验点的合格率 %,且不合格点不集中分布。工序质量等级评定为:----------------------------精品 word 文档 值得下载 值得拥有---------------------------------------------------------------------------------------------------------------------------------------------------------------------...

1、当您付费下载文档后,您只拥有了使用权限,并不意味着购买了版权,文档只能用于自身使用,不得用于其他商业用途(如 [转卖]进行直接盈利或[编辑后售卖]进行间接盈利)。
2、本站所有内容均由合作方或网友上传,本站不对文档的完整性、权威性及其观点立场正确性做任何保证或承诺!文档内容仅供研究参考,付费前请自行鉴别。
3、如文档内容存在违规,或者侵犯商业秘密、侵犯著作权等,请点击“违规举报”。

碎片内容

2024年新版混凝土砌石体伸缩缝施工质量验收评定表

确认删除?
VIP
微信客服
  • 扫码咨询
会员Q群
  • 会员专属群点击这里加入QQ群
客服邮箱
回到顶部