电脑桌面
添加小米粒文库到电脑桌面
安装后可以在桌面快捷访问

线路设计常用参数VIP免费

线路设计常用参数_第1页
1/14
线路设计常用参数_第2页
2/14
线路设计常用参数_第3页
3/14
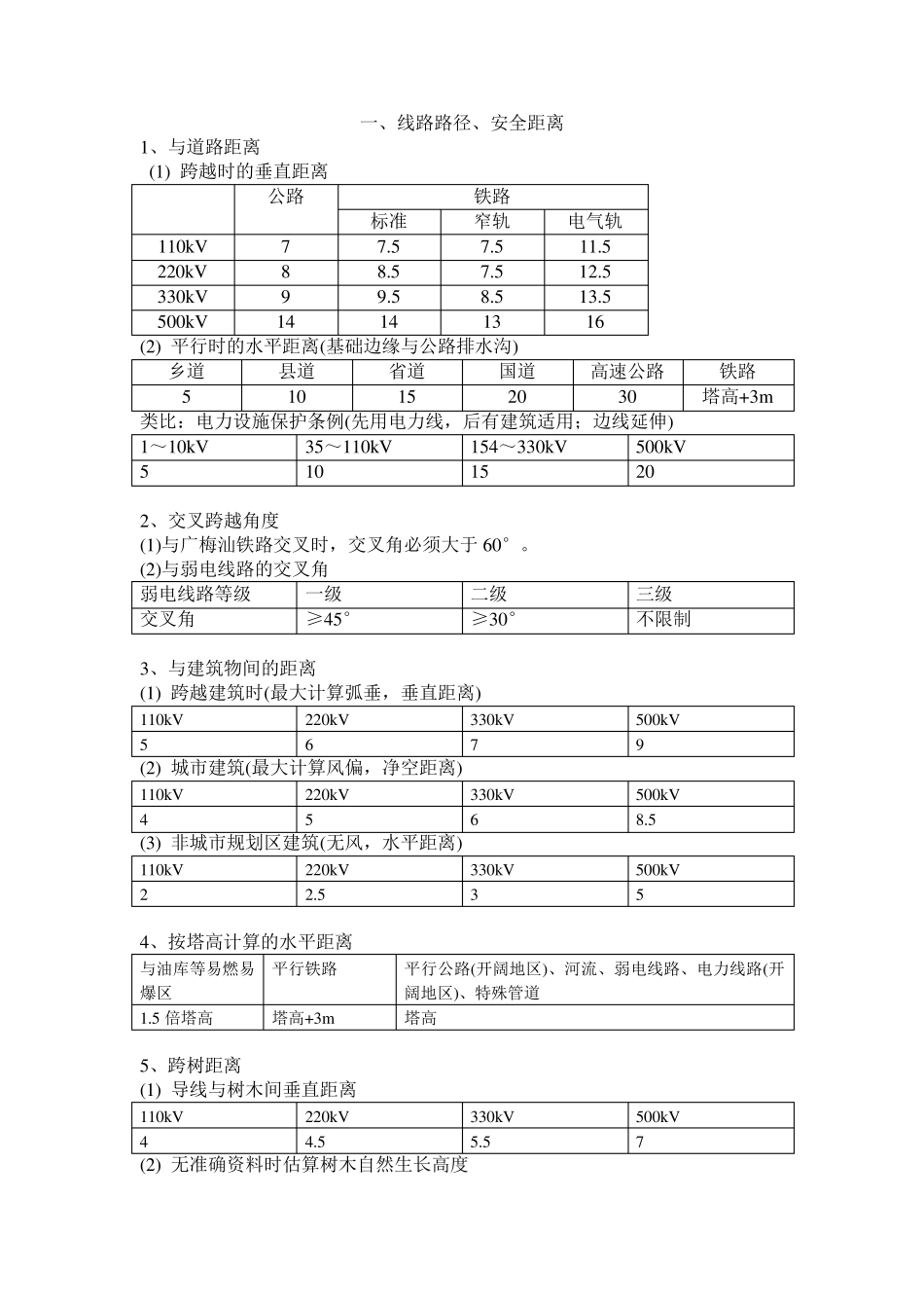
一、线路路径、安全距离 1、与道路距离 (1) 跨越时的垂直距离 公路 铁路 标准 窄轨 电气轨 110kV 7 7.5 7.5 11.5 220kV 8 8.5 7.5 12.5 330kV 9 9.5 8.5 13.5 500kV 14 14 13 16 (2) 平行时的水平距离(基础边缘与公路排水沟) 乡道 县道 省道 国道 高速公路 铁路 5 10 15 20 30 塔高+3m 类比:电力设施保护条例(先用电力线,后有建筑适用;边线延伸) 1~10kV 35~110kV 154~330kV 500kV 5 10 15 20 2、交叉跨越角度 (1)与广梅汕铁路交叉时,交叉角必须大于60°。 (2)与弱电线路的交叉角 弱电线路等级 一级 二级 三级 交叉角 ≥45° ≥30° 不限制 3、与建筑物间的距离 (1) 跨越建筑时(最大计算弧垂,垂直距离) 110kV 220kV 330kV 500kV 5 6 7 9 (2) 城市建筑(最大计算风偏,净空距离) 110kV 220kV 330kV 500kV 4 5 6 8.5 (3) 非城市规划区建筑(无风,水平距离) 110kV 220kV 330kV 500kV 2 2.5 3 5 4、按塔高计算的水平距离 与油库等易燃易爆区 平行铁路 平行公路(开阔地区)、河流、弱电线路、电力线路(开阔地区)、特殊管道 1.5 倍塔高 塔高+3m 塔高 5、跨树距离 (1) 导线与树木间垂直距离 110kV 220kV 330kV 500kV 4 4.5 5.5 7 (2) 无准确资料时估算树木自然生长高度 桉树 橡胶树 荔枝 柑桔 20 15 10 6 6、与石场距离 条件允许:500m 以外;条件不允许:200m (背向爆破面)或300m (正向爆破面)以外。 7、接地体与石油天然气埋地管道距离 ≤10kV 35kV 110kV ≥220kV 1 3 5 10 8、与机场距离 与跑道端或跑道中心线距离≥4km 。 9、接地体与埋地通信线免计算保证距离 ≤220kV 500kV 30 50 10、与无线电台间距离 11、交叉跨越时塔位与控制物距离 (m ) 铁路 30 重要通航河流 50 高级坟地、庙 塔不可立于坟口、庙口,线路宜从其后方通过。 跨(穿)越电力线 考虑被跨线路导线最大风偏时与跨越塔间距离。 1 2 、规程中与铁路、公路、河流、管道、索道及各种架空线路交叉或接近的基本要求 二、电气间隙 1、带电部分与杆塔构件的最小间隙 110kV 220kV 330kV 500kV 雷电过电压 1.0 1.9 2.3 3.3 3.3 (等高绝缘配置时,单回路 3.7,双回路 4.1) 操作过电压 0.7 1.45 1.95 2.5 2.7 工频电压 0.25 0.55 0.9 1.2 1.3 带电作业 1.0(+0.5) 1.8(+0.5) 2.2(+0.5) 3.2...

1、当您付费下载文档后,您只拥有了使用权限,并不意味着购买了版权,文档只能用于自身使用,不得用于其他商业用途(如 [转卖]进行直接盈利或[编辑后售卖]进行间接盈利)。
2、本站所有内容均由合作方或网友上传,本站不对文档的完整性、权威性及其观点立场正确性做任何保证或承诺!文档内容仅供研究参考,付费前请自行鉴别。
3、如文档内容存在违规,或者侵犯商业秘密、侵犯著作权等,请点击“违规举报”。

碎片内容

线路设计常用参数

您可能关注的文档

确认删除?
VIP
微信客服
  • 扫码咨询
会员Q群
  • 会员专属群点击这里加入QQ群
客服邮箱
回到顶部