电脑桌面
添加小米粒文库到电脑桌面
安装后可以在桌面快捷访问

结构件焊接通用工艺规范VIP免费

结构件焊接通用工艺规范_第1页
1/18
结构件焊接通用工艺规范_第2页
2/18
结构件焊接通用工艺规范_第3页
3/18
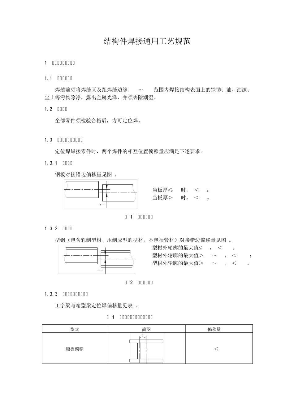
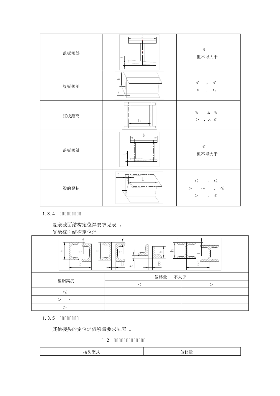
结构件焊接通用工艺规范 1 定位焊通用操作规范 1.1 焊缝区的修磨 焊装前须将焊缝区及距焊缝边缘10mm~20mm范围内焊接结构表面上的铁锈、油、油漆、尘土等污物除净,露出金属光泽,并须去除潮湿。 1.2 零件要求 全部零件须检验合格后,方可定位焊。 1.3 工件间相互位置偏移量 定位焊焊接零件时,两个焊件的相互位置偏移量应满足下述要求。 1.3.1 钢板对接 钢板对接错边偏移量见图1。 当板厚≤6mm时,t<1mm; 当板厚>6mm时,t<2mm。 图 1 钢板对接错边 1.3.2 型钢对接 型钢(包含轧制型材、压制成型的型材,不包括管材)对接错边偏移量见图2。 型材外轮廓的最大值≤180,t< 1mm; 型材外轮廓的最大值>180~360,t<1.5mm; 型材外轮廓的最大值>360~630,t< 2mm。 图 2 型钢对接错边 1.3.3 工字梁与箱型梁定位焊 工字梁与箱型梁定位焊偏移量见表4。 表 1 工字梁与箱型梁定位焊偏移量 型式 简图 偏移量(mm) 腹板偏移 t≤2.0 盖板倾斜 t≤0.01b 但不得大于2 腹板倾斜 h≤500,t≤1.5 h>500,t≤2.0 腹板距离 b≤80,△b≤3.0 b>80,△b≤5.0 盖板倾斜 t≤0.01b 但不得大于2 梁的歪扭 L≤2500,t≤2.0 L>2500~5000,t≤3.0 L>5000,t≤5.0 1.3.4 复杂截面结构定位焊 复杂截面结构定位焊要求见表5。 复杂截面结构定位焊 型钢高度 h 偏移量(t)不大于 (mm) B<1000 B>1000 ≤100 0.015 h 0.020 h >100~240 0.010 h 0.015 h >240 0.008 h 0.010 h 1.3.5 其他接头的定位焊 其他接头的定位焊偏移量要求见表6。 表 2 其他接头的定位焊偏移量要求 接头型式 偏移量t(mm) <1.0 <1.5 <2.0 +5.0 -3.0 ±2.0 1.3.6 角焊缝装配不良 对于接触承压的焊缝应按照表7中要求执行。 表 3 接触承压的角焊缝装配间隙要求 焊脚尺寸b (mm) 对应焊缝厚度a (mm) 间隙要求(mm) 图例 h≤0.5+0.2a,且≤3 6 4.2 1 8 5.65 1.5 10 7.07 2 12 8.5 2 14 9.9 2.5 1.4 定位焊焊缝要求 1.4.1 定位焊时不得在焊缝区以外引弧,定位焊填充材料选用 ER50-6焊丝或与构件正式焊接要求一致的填充材料。 1.4.2 定位焊的预热要求:定位焊预热温度与正式焊接时一致。要求预热的结构件,未预热的定位焊缝应用角磨机等工具彻底清理干净,不得熔入焊缝。当选用 ER50-6焊丝,并且与构件正式焊接要求不一致时,同样应将定位焊缝用角磨机等工...

1、当您付费下载文档后,您只拥有了使用权限,并不意味着购买了版权,文档只能用于自身使用,不得用于其他商业用途(如 [转卖]进行直接盈利或[编辑后售卖]进行间接盈利)。
2、本站所有内容均由合作方或网友上传,本站不对文档的完整性、权威性及其观点立场正确性做任何保证或承诺!文档内容仅供研究参考,付费前请自行鉴别。
3、如文档内容存在违规,或者侵犯商业秘密、侵犯著作权等,请点击“违规举报”。

碎片内容

结构件焊接通用工艺规范

小辰3+ 关注
实名认证
内容提供者

出售各种资料和文档

确认删除?
VIP
微信客服
  • 扫码咨询
会员Q群
  • 会员专属群点击这里加入QQ群
客服邮箱
回到顶部