电脑桌面
添加小米粒文库到电脑桌面
安装后可以在桌面快捷访问

结构吊装施工方案VIP免费

结构吊装施工方案_第1页
1/12
结构吊装施工方案_第2页
2/12
结构吊装施工方案_第3页
3/12
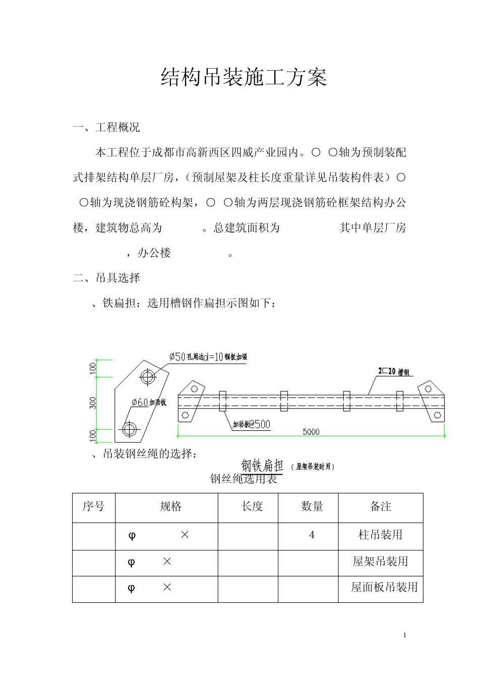
1 结构吊装施工方案 一、工程概况 本工程位于成都市高新西区四威产业园内。○4-○20轴为预制装配式排架结构单层厂房,(预制屋架及柱长度重量详见吊装构件表)○3-○4轴为现浇钢筋砼构架,○1-○3轴为两层现浇钢筋砼框架结构办公楼,建筑物总高为11.00m。总建筑面积为6177.27m2(其中单层厂房4386.470m2,办公楼1790.80m2)。 二、吊具选择 1、铁扁担:选用槽钢作扁担示图如下: 2、吊装钢丝绳的选择: 钢丝绳选用表 序号 规格 长度 数量 备注 1 φ 19.5 6×37+1 8m 4 柱吊装用 2 φ 21 6×37+1 17m 2 屋架吊装用 3 φ 21 6×37+1 8m 4 屋面板吊装用 2 3、 其它吊具选用表 序号 吊具名称 规格 数量 备注 1 白棕绳 φ 22 50米 不浸油 2 卡环 5t—10t 8—15t 5 16 吊屋架和柱翻身用 3 千斤顶 16t 2 柱翻身用 4 铁扁担 δ =30mm 1 柱翻身用 5 钢丝绳 φ 21 1.5米 吊屋架用 6 经纬仪 2台 7 电焊机 400A 4台 8 钢丝绳 φ 28(6×37+1) 3米 吊屋架用 9 4、 起重机械选择:根据屋架的自重及加固的重量,确定最大起重量为 12t,最大起重高度为 16米。 1)、起重机选择及工作参数计算 根据施工需要,现场选用履带吊进行吊装。部分主要构件安装时的工作参数计算如下: (1)、柱 采用斜吊绑扎一点起吊。由于最大起重量Qmax=7.22t,最大长度 Hmax=11.446m。要求起重量:Q=Q1+Q2=7.22+0.2=7.42t, 3 要求起重高度:H=H1+H2+H3+H4=0+0.3+7.0+2.0=9.30m (2)、屋架 要求起重量:Q=Q1+Q2=11.3+0.4=11.7t, 要求起重高度:H=H1+H2+H3+H4=7.0+0.3+3.45+4.5=15.25m (3)、屋面板 要求起重量:Q=Q1+Q2=1.5+0.2=1.7t, 要求起重高度:H=H1+H2+H3+H0+d=7.00+3.45+0.3+2.5+3.0 =16.25m (4)、车间主要吊装构件的数量、重量、长度、安装标高见下表: 序号 跨度(m) 构件名称及编号 数量 重量 (t) 长度 (m) 安装标高 (m) 1 ○A -○B 、○B -○C 24m 边柱 Z1 22 5.19 8.25 2 ○A -○B 、○B -○C 24m 边柱 Z1a 2 5.19 8.25 3 ○A -○B 、○B -○C 24m 边柱 Z1b 4 5.19 8.25 4 ○A -○B 、○B -○C 24m 边柱 Z1c 4 5.19 8.25 5 ○A -○B 、○B -○C 24m 边柱 Z1d 2 5.19 8.25 6 ○A -○B 、○B -○C 24m 中柱 Z2 11 7.22 8.25 7 ○A -○B 、○B -...

1、当您付费下载文档后,您只拥有了使用权限,并不意味着购买了版权,文档只能用于自身使用,不得用于其他商业用途(如 [转卖]进行直接盈利或[编辑后售卖]进行间接盈利)。
2、本站所有内容均由合作方或网友上传,本站不对文档的完整性、权威性及其观点立场正确性做任何保证或承诺!文档内容仅供研究参考,付费前请自行鉴别。
3、如文档内容存在违规,或者侵犯商业秘密、侵犯著作权等,请点击“违规举报”。

碎片内容

结构吊装施工方案

您可能关注的文档

确认删除?
VIP
微信客服
  • 扫码咨询
会员Q群
  • 会员专属群点击这里加入QQ群
客服邮箱
回到顶部