电脑桌面
添加小米粒文库到电脑桌面
安装后可以在桌面快捷访问

给水管道检验批VIP免费

给水管道检验批_第1页
1/8
给水管道检验批_第2页
2/8
给水管道检验批_第3页
3/8
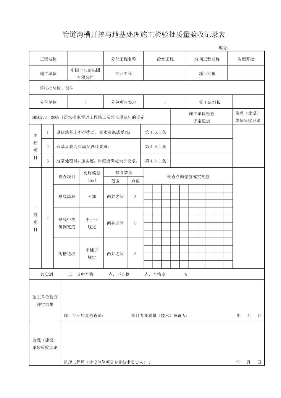
管道沟槽开挖与地基处理施工检验批质量验收记录表 编号: 工程名称 分部工程名称 给水工程 分项工程名称 沟槽开挖 施工单位 中国十九冶集团有限公司 专业工长 项目经理 验收批名称、部位 分包单位 / 分包项目经理 / 施工班组长 GB50268-2008《给水排水管道工程施工及验收规范》的规定 施工单位检查 评定记录 监理(建设) 单位验收记录 主控 项目 1 原状地基土不得扰动、受水浸泡或受冻; 第4.6.1 条 2 地基承载力应满足设计要求; 第4.6.1 条 3 地基处理时,压实度、厚度应满足设计要求; 第4.6.1 条 一般项目 4 检查项目 允许偏差(㎜) 检查数量 检查点偏差值或实测值 范围 点数 槽底高程 ±20 两井之间 3 槽底中线 每侧宽度 不小于 规定 两井之间 6 沟槽边坡 不陡于 规定 两井之间 6 共实测 点,其中合格 点,不合格 点,合格率 % 施工单位检查 评定结果 项目专业质量检查员: 项目专业质量(技术)负责人: 年 月 日 监理(建设) 单位验收结论 监理工程师(建设单位项目专业技术负责人): 年 月 日 管道基础施工检验批质量验收记录表 编号: 工程名称 花城新区干橄路工程项目 分部工程名称 给水工程 分项工程名称 管道基础 施工单位 中国十九冶集团有限公司 专业工长 李伟 项目经理 邹开龙 验收批名称、部位 分包单位 / 分包项目经理 / 施工班组长 郑锋 GB50268-2008《给水排水管道工程施工及验收规范》的规定 施工单位检查 评定记录 监理(建设) 单位验收记录 主控 项目 1 地基承载力符合设计要求; 第5.10.1 条 2 混凝土基础的强度符合设计要求; 第5.10.1 条 3 砂石基础的压实度符合设计或规范要求; 第5.10.1 条 一般项目 4 检查项目 允许偏差(㎜) 检查数量 检查点偏差值或实测值 范围 点数 土(砂及砂砾)基础 高程 ±30 每个检验批 每 10m 测1 点,且不少于 3 点 厚度 不小于设计要求 每 10m 测1 点,且不少于 3 点 5 原状地基、砂石基础与管道外壁间接触均匀,无空隙 6 混凝土基础外光内实,无严重缺陷;混凝土基础的钢筋数量、位置正确 共实测 点,其中合格 点,不合格 点,合格率 % 施工单位检查 评定结果 项目专业质量检查员: 项目专业质量(技术)负 责 人 : 年 月 日 监理(建设) 单位验收结论 监理工程师 (建设单位项目专业技术负 责 人 ...

1、当您付费下载文档后,您只拥有了使用权限,并不意味着购买了版权,文档只能用于自身使用,不得用于其他商业用途(如 [转卖]进行直接盈利或[编辑后售卖]进行间接盈利)。
2、本站所有内容均由合作方或网友上传,本站不对文档的完整性、权威性及其观点立场正确性做任何保证或承诺!文档内容仅供研究参考,付费前请自行鉴别。
3、如文档内容存在违规,或者侵犯商业秘密、侵犯著作权等,请点击“违规举报”。

碎片内容

给水管道检验批

您可能关注的文档

确认删除?
VIP
微信客服
  • 扫码咨询
会员Q群
  • 会员专属群点击这里加入QQ群
客服邮箱
回到顶部