电脑桌面
添加小米粒文库到电脑桌面
安装后可以在桌面快捷访问

绝缘电阻检测记录表VIP免费

绝缘电阻检测记录表_第1页
1/7
绝缘电阻检测记录表_第2页
2/7
绝缘电阻检测记录表_第3页
3/7
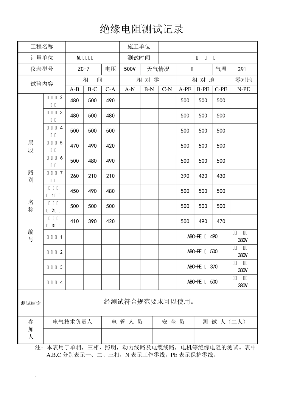
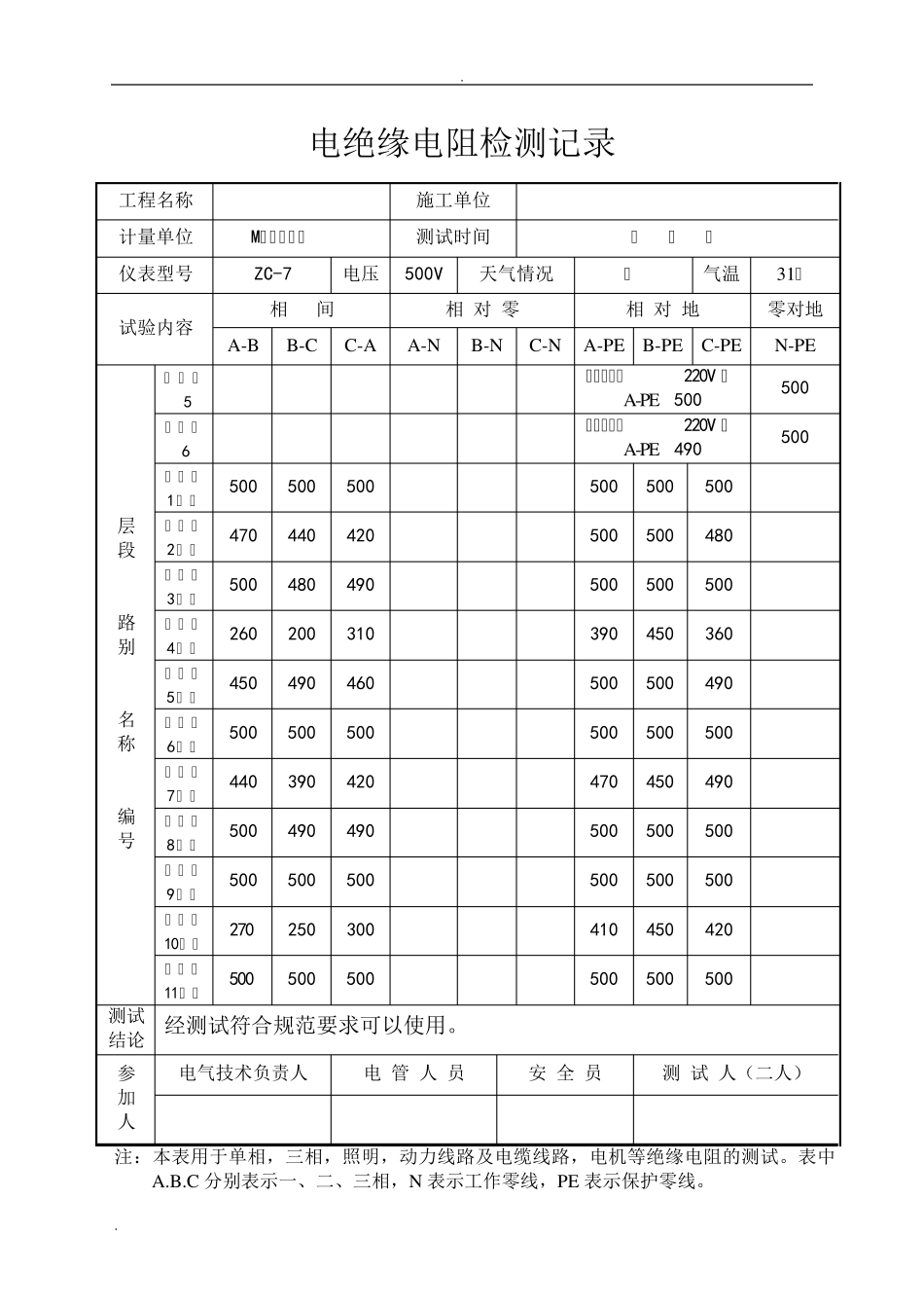
. . 绝缘电阻测试记录 工程名称 施工单位 计量单位 MΩ(兆欧) 测试时间 年 月 日 仪表型号 ZC-7 电压 500V 天气情况 晴 气温 29℃ 试验内容 相 间 相 对 零 相 对 地 零对地 A-B B-C C-A A-N B-N C-N A-PE B-PE C-PE N-PE 层 段 路 别 名 称 编 号 弯 曲 机 1 电 机 500 500 490 500 500 500 弯 曲 机 2电 机 480 500 480 500 500 500 弯 曲 机 3 电 机 500 500 500 500 500 500 弯 曲 机 4 电 机 470 420 430 490 500 470 切 断 机 1电 机 500 480 490 500 500 500 切 断 机 2电 机 260 230 210 450 430 480 切 断 机 3电 机 450 490 460 490 500 490 切 断 机 4电 机 500 500 500 500 500 500 切 断 机 5电 机 380 390 420 450 480 430 调 直 机 1电 机 500 490 490 500 500 500 调 直 机 2电 机 500 500 500 500 500 500 调 直 机 3电 机 270 270 300 470 390 460 无 齿 锯 1电 机 500 500 500 500 500 500 测试结论 经测试符合规范要求可以使用。 参 加 人 电气技术负责人 电 管 人 员 安 全 员 测 试 人(二人) 注:本表用于单相,三相,照明,动力线路及电缆线路,电机等绝缘电阻的测试。表中A.B.C 分别表示一、二、三相,N 表示工作零线,PE 表示保护零线。 . . 绝缘电阻测试记录 工程名称 施工单位 计量单位 MΩ(兆欧) 测试时间 年 月 日 仪表型号 ZC-7 电压 500V 天气情况 晴 气温 29℃ 试验内容 相 间 相 对 零 相 对 地 零对地 A-B B-C C-A A-N B-N C-N A-PE B-PE C-PE N-PE 层 段 路 别 名 称 编 号 无 齿 锯 2电 机 480 500 490 500 500 500 无 齿 锯 3电 机 480 500 480 500 500 500 无 齿 锯 4电 机 500 500 500 500 500 500 无 齿 锯 5电 机 470 490 420 500 500 500 无 齿 锯 6电 机 500 480 490 500 500 500 无 齿 锯 7电 机 260 210 210 390 420 430 砼 输 送 泵 1电 机 450 490 480 500 500 500 砼 输 送 泵 2电 机 500 500 500 500 500 500 砼 输 送 泵 3电 机 410 390 420 500 490 470 潜 水 泵 1 ABC-PE : 490 注:电压3...

1、当您付费下载文档后,您只拥有了使用权限,并不意味着购买了版权,文档只能用于自身使用,不得用于其他商业用途(如 [转卖]进行直接盈利或[编辑后售卖]进行间接盈利)。
2、本站所有内容均由合作方或网友上传,本站不对文档的完整性、权威性及其观点立场正确性做任何保证或承诺!文档内容仅供研究参考,付费前请自行鉴别。
3、如文档内容存在违规,或者侵犯商业秘密、侵犯著作权等,请点击“违规举报”。

碎片内容

绝缘电阻检测记录表

小辰5+ 关注
实名认证
内容提供者

出售各种资料和文档

相关文档

确认删除?
VIP
微信客服
  • 扫码咨询
会员Q群
  • 会员专属群点击这里加入QQ群
客服邮箱
回到顶部