电脑桌面
添加小米粒文库到电脑桌面
安装后可以在桌面快捷访问

单体试车方案VIP免费

单体试车方案_第1页
1/13
单体试车方案_第2页
2/13
单体试车方案_第3页
3/13
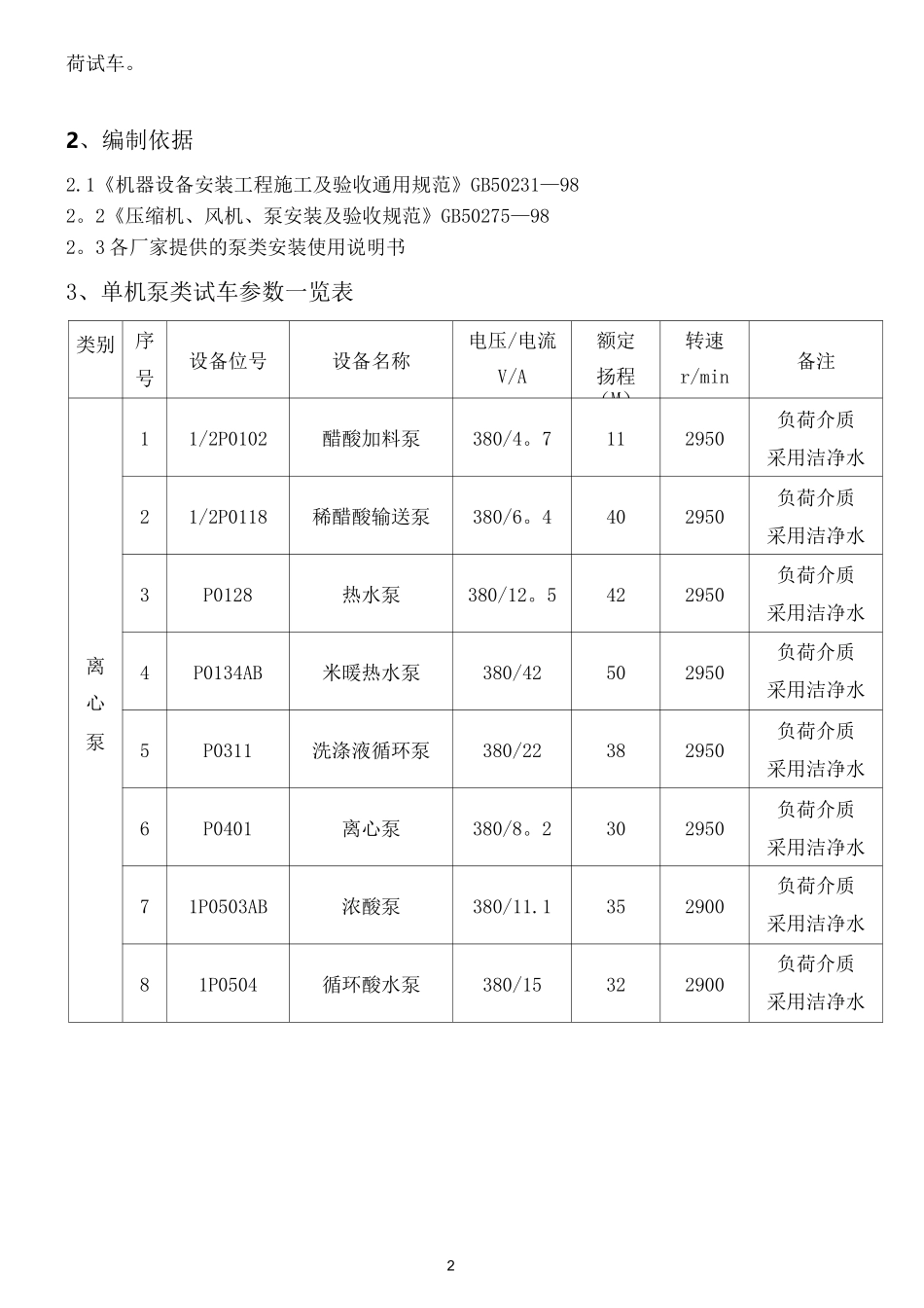
1方案编号:中油吉林化建施工技术方案1.0 万吨 / 年山梨酸设备安装工程 泵类单机试车方案I 类批准:复审:审核:编制:编制单位:中油吉林化建股份第六工程公司山梨酸项目部2005 年 2 月 27 日1、编制说明由于山梨酸现场施工进入紧张的设备试车阶段,泵类包括离心泵(包括液下泵)、磁力泵、屏蔽泵、往复式计量泵、齿轮泵、(真空泵另附试车方案)等几种.计划在所有泵连接管道试压吹扫合格后进行泵的单机试车.如果现场条件不具备,施工单位制作水箱接临时管线进行单体负2荷试车。2、编制依据2.1《机器设备安装工程施工及验收通用规范》GB50231—982。2《压缩机、风机、泵安装及验收规范》GB50275—982。3 各厂家提供的泵类安装使用说明书3、单机泵类试车参数一览表类别序号设备位号设备名称电压/电流V/A额定扬程(M)转速r/min备注离心泵11/2P0102醋酸加料泵380/4。7112950负荷介质采用洁净水21/2P0118稀醋酸输送泵380/6。4402950负荷介质采用洁净水3P0128热水泵380/12。5422950负荷介质采用洁净水4P0134AB米暖热水泵380/42502950负荷介质采用洁净水5P0311洗涤液循环泵380/22382950负荷介质采用洁净水6P0401离心泵380/8。2302950负荷介质采用洁净水71P0503AB浓酸泵380/11.1352900负荷介质采用洁净水81P0504循环酸水泵380/15322900负荷介质采用洁净水39P0505AB稀酸泵380/11。1352900负荷介质采用洁净水101/2P0506AB回收盐酸泵380/11.1352900负荷介质采用洁净水11P0607稀乙醇回收泵380/8。2282950负荷介质采用洁净水12P0608AB碱泵380/6.4282950负荷介质采用洁净水13P0609AB焦油泵380/6。4282950负荷介质采用洁净水14P0610AB稀乙醇泵380/6。4282950负荷介质采用洁净水15P0704AB残液输送泵380/11452950负荷介质采用洁净水16P0706乙醇打料泵380/14.8502900负荷介质采用洁净水17P0802压料泵380/6。4202950负荷介质采用洁净水18P0803AB耐酸泵380/11402950负荷介质采用洁净水19P0901AB循环泵380/11。1202950负荷介质采用洁净水20P1002AB醋酸泵380/22602950负荷介质采用洁净水21P1008AB乙醇泵380/15602950负荷介质采用洁净水22P1101A-E普冷液输送泵380/69.8602950负荷介质采用洁净水23P1102AB深冷液输送泵380/56。7602950负荷介质采用洁净水424P01201A—F循环水泵380/289601480负荷介质采用洁净水25P0702BC液下泵380/11.1401480负荷介质采用洁净水26P0703AB液下泵380/11.1401480负荷介质采用洁净水27P0801液下泵380/11.1401480负荷介质采用洁净水28P0...

1、当您付费下载文档后,您只拥有了使用权限,并不意味着购买了版权,文档只能用于自身使用,不得用于其他商业用途(如 [转卖]进行直接盈利或[编辑后售卖]进行间接盈利)。
2、本站所有内容均由合作方或网友上传,本站不对文档的完整性、权威性及其观点立场正确性做任何保证或承诺!文档内容仅供研究参考,付费前请自行鉴别。
3、如文档内容存在违规,或者侵犯商业秘密、侵犯著作权等,请点击“违规举报”。

碎片内容

单体试车方案

您可能关注的文档

确认删除?
VIP
微信客服
  • 扫码咨询
会员Q群
  • 会员专属群点击这里加入QQ群
客服邮箱
回到顶部