电脑桌面
添加小米粒文库到电脑桌面
安装后可以在桌面快捷访问

无功功率计算VIP免费

无功功率计算_第1页
1/5
无功功率计算_第2页
2/5
无功功率计算_第3页
3/5
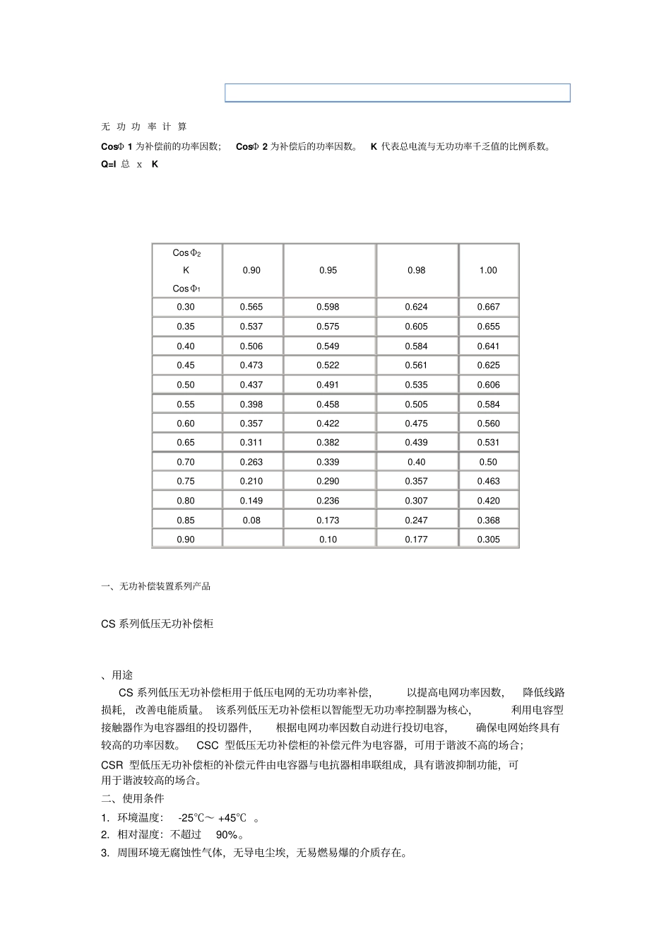
无 功 功 率 计 算CosΦ 1 为补偿前的功率因数;CosΦ 2 为补偿后的功率因数。K 代表总电流与无功功率千乏值的比例系数。Q=I 总 хK 一、无功补偿装置系列产品CS 系列低压无功补偿柜、用途CS 系列低压无功补偿柜用于低压电网的无功功率补偿,以提高电网功率因数,降低线路损耗, 改善电能质量。 该系列低压无功补偿柜以智能型无功功率控制器为核心,利用电容型接触器作为电容器组的投切器件,根据电网功率因数自动进行投切电容,确保电网始终具有较高的功率因数。CSC 型低压无功补偿柜的补偿元件为电容器,可用于谐波不高的场合;CSR 型低压无功补偿柜的补偿元件由电容器与电抗器相串联组成,具有谐波抑制功能,可用于谐波较高的场合。二、使用条件1.环境温度: -25℃~ +45℃ 。2.相对湿度:不超过90%。3.周围环境无腐蚀性气体,无导电尘埃,无易燃易爆的介质存在。CosΦ2 K CosΦ10.90 0.95 0.98 1.00 0.30 0.565 0.598 0.624 0.667 0.35 0.537 0.575 0.605 0.655 0.40 0.506 0.549 0.584 0.641 0.45 0.473 0.522 0.561 0.625 0.50 0.437 0.491 0.535 0.606 0.55 0.398 0.458 0.505 0.584 0.60 0.357 0.422 0.475 0.560 0.65 0.311 0.382 0.439 0.531 0.70 0.263 0.339 0.40 0.50 0.75 0.210 0.290 0.357 0.463 0.80 0.149 0.236 0.307 0.420 0.85 0.08 0.173 0.247 0.368 0.90 0.10 0.177 0.305 4.海拔高度:不超过2000m。6.安装地点无剧烈振动及颠簸,安装倾斜度不大于5 度。注:若有特殊环境使用条件,请在订货时与我公司协商。三、结构特点1.补偿柜内部主要元器件有电容器、电抗器(CSR 型)、刀熔开关、熔断器、接触器、控制器等组成; CSR 型无功补偿柜可根据用户要求可进行模块化设计,即一模块集电容器、电抗器、熔断器、接触器于一体,结构紧凑、布局新颖。2.柜体面板上有功率因数表、电流表、转换开关等,方便用户进行实时观测,和手动/自动投切转换;柜体顶部设有散热用的风机,由温控开关控制,面板上具有控制风机的手动/自动转换开关。3.柜体采用优质冷轧钢板制成,平整性好,外表面作喷塑处理,防腐能力强;内部框架采用镀锌钢板铝锌钢板,确保较好或敷的导电性和防腐性。4. 保护功能齐全:有短路、过载、过压、欠压、缺相等保护;各项参数设定方便;当外部有相关故障发生时自动退出运行,送电后自动恢复运行。四、技...

1、当您付费下载文档后,您只拥有了使用权限,并不意味着购买了版权,文档只能用于自身使用,不得用于其他商业用途(如 [转卖]进行直接盈利或[编辑后售卖]进行间接盈利)。
2、本站所有内容均由合作方或网友上传,本站不对文档的完整性、权威性及其观点立场正确性做任何保证或承诺!文档内容仅供研究参考,付费前请自行鉴别。
3、如文档内容存在违规,或者侵犯商业秘密、侵犯著作权等,请点击“违规举报”。

碎片内容

无功功率计算

您可能关注的文档

爱的疯狂+ 关注
实名认证
内容提供者

该用户很懒,什么也没介绍

相关文档

确认删除?
VIP
微信客服
  • 扫码咨询
会员Q群
  • 会员专属群点击这里加入QQ群
客服邮箱
回到顶部