电脑桌面
添加小米粒文库到电脑桌面
安装后可以在桌面快捷访问

既有线石方控制爆破施工工艺VIP免费

既有线石方控制爆破施工工艺_第1页
1/11
既有线石方控制爆破施工工艺_第2页
2/11
既有线石方控制爆破施工工艺_第3页
3/11
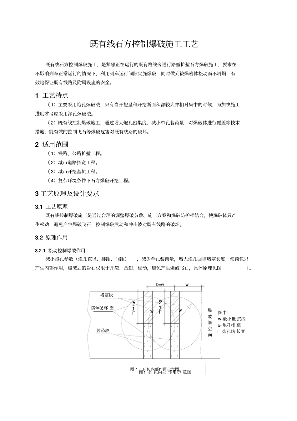
既有线石方控制爆破施工工艺既有线石方控制爆破施工,是紧邻正在运行的既有路线旁进行路堑扩堑石方爆破施工,要求在不影响列车正常运行的情况下,利用列车运行间隙实施爆破,同时做到被爆岩体松动而不坍塌,有效地保证既有线路及附属设施的安全。1 工艺特点( 1)主要采用炮孔爆破法,只有当开挖量和开挖断面积都较大并相对集中的时候,为加快施工进度才考虑采用深孔爆破法。( 2)既有线控制爆破施工,通过增大炮孔密集度、减小单孔装药量、对爆破体进行覆盖等技术措施,能有效的控制飞石等爆破危害对既有线路的破坏。2 适用范围( 1)铁路、公路扩堑工程。( 2)城市道路拓宽工程。( 3)城市开挖基坑工程。( 4)复杂环境条件下石方爆破开挖工程。3 工艺原理及设计要求3.1 工艺原理既有线控制爆破施工是通过合理的调整爆破参数、施工方案和爆破防护相结合,使爆破体只产生松动,避免产生爆破飞石,控制爆破震动和冲击波对既有线路的破坏。3.2 原理作用3.2.1 松动控制爆破作用减小炮孔参数(炮孔直径、排距、间距),减少单孔装药量,增大炮孔回填堵塞长度,使药包只产生内部作用,爆破后的岩石仅限于开裂、凸起、松动,避免产生爆破飞石,具体原理见图1。l>1.2wl>1.2wwwwb=w装药段堵塞段药包破坏 圈图1 药 包内部 作用示 意图爆破临空面图中:w-最小抵 抗线b- 炮孔排 距l- 炮孔堵 长度图 1 药包内部作用示意图3.2.2 预留隔墙开挖作用在靠近既有线路一侧,预留防护隔墙,采用纵向和横向台阶开挖,隔墙厚度为2m,高度为 2~3m。此方法能防止岩体爆破后坍塌掩埋或落石砸坏既有线路及其附属设施,对爆破产生的飞石也起到了屏障作用。3.2.3 爆破防护作用爆破防护主要有爆破体防护和既有线构筑物保护性防护。爆破体防护是用砂袋、爆破被等覆盖物将爆破体表面整体覆盖,可以阻挡爆破飞石飞溅和减弱爆破冲击波的传播;既有线构筑物保护性防护是在新线和既有线之间设置一排全封闭钢管排架,阻挡爆破飞石和意外落石溅入既有线,砸坏既有线构筑物。3.3 工艺设计要求3.3.1 抵抗线确定采用浅孔爆破时,钻孔直径一般为38~42mm,最小抵抗线一般取炮孔直径的20~30 倍,故抵抗线常取 0.8~1.0m。3.3.2 计算孔距合理地选择排距和孔距,可以降低大块率、控制爆破飞石和震动。排距和孔距一般为:排距 b=抵抗线 w 孔距 a=1.1w 3.3.3 装药量的确定单孔装药量计算公式为:Q=qawH 式中Q— 单孔装药量( kg);q— 单位耗药...

1、当您付费下载文档后,您只拥有了使用权限,并不意味着购买了版权,文档只能用于自身使用,不得用于其他商业用途(如 [转卖]进行直接盈利或[编辑后售卖]进行间接盈利)。
2、本站所有内容均由合作方或网友上传,本站不对文档的完整性、权威性及其观点立场正确性做任何保证或承诺!文档内容仅供研究参考,付费前请自行鉴别。
3、如文档内容存在违规,或者侵犯商业秘密、侵犯著作权等,请点击“违规举报”。

碎片内容

既有线石方控制爆破施工工艺

您可能关注的文档

确认删除?
VIP
微信客服
  • 扫码咨询
会员Q群
  • 会员专属群点击这里加入QQ群
客服邮箱
回到顶部