电脑桌面
添加小米粒文库到电脑桌面
安装后可以在桌面快捷访问

晶闸管直流调速系统参数和环节特性的测定VIP免费

晶闸管直流调速系统参数和环节特性的测定_第1页
1/13
晶闸管直流调速系统参数和环节特性的测定_第2页
2/13
晶闸管直流调速系统参数和环节特性的测定_第3页
3/13
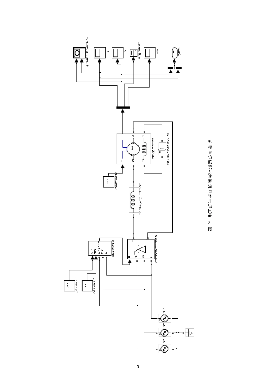
- 1 - 晶闸管直流调速系统参数和环节特性的测定一、实验目的(1) 熟悉晶闸管直流调速系统的组成及其基本结构。(2) 掌握晶闸管直流调速系统参数及反馈环节测定方法。二、实验原理晶闸管直流调速系统由整流变压器、晶闸管整流调速装置、平波电抗器、电动机 - 发动机组等组成。在本实验中,整流装置的主电路为三相桥式电路,控制电路可直接由给定电压 Ug作为触发器的移相控制电压Uct,改变 Ug 的大小即可改变控制角α , 从而获得可调直流电压,以满足实验要求。实验系统的组成原理如图1 所示。图 1 晶闸管直流调速试验系统原理图- 2 - 三、实验内容(1) 测定晶闸管直流调速系统主电路总电阻值R。(2) 测定晶闸管直流调速系统主电路电感值L。(3) 测定直流电动机 - 直流发电机 - 测速发电机组的飞轮惯量GD2。(4) 测定晶闸管直流调速系统主电路电磁时间常数Td。(5) 测定直流电动机电势常数Ce和转矩常数 CM。(6) 测定晶闸管直流调速系统机电时间常数TM。(7) 测定晶闸管触发及整流装置特性ctdUfU。(8) 测定测速发电机特性nfU TG。四、实验仿真晶体管直流调速实验系统原理图如图1 所示。该系统由给定信号、同步脉冲触发器、晶闸管整流桥、平波电抗器、直流电动机等部分组成。图2 是采用面向电气原理图方法构成的晶闸管直流调速系统的仿真模型。下面介绍各部分的建模与参数设置过程。4.1 系统的建模和模型参数设置系统的建模包括主电路的建模与控制电路的建模两部分。(1)主电路的建模与参数设置由图 2 可见,开环直流调速系统的主电路由三相对称交流电压源、晶闸管整流桥、平波电抗器、直流电动机等部分组成。由于同步脉冲触发器与晶闸管整流桥是不可分割的两个环节,通常作为一个组合体来讨论,所以将触发器归到主电路进行建模。①三相对称交流电压源的建模和参数设置。首先从电源模块组中选取一个交流电压源模块,再用复制的方法得到三相电源的另两个电压源模块,并用模块标题名称修改方法将模块标签分别改为“A相”、“B相”、“C相”,然后从元件模块- 3 - 1Out1w(rad/s)versusla(A)wVcVbVagABC+-UniversalBridgeTerminatorTeUctIn2Out1UaUbUcSubsystemSeriesRLCBranchIaDCVoltageSourceTLmA+F+A-F-dcDCMachine50Constant20Constant150Constant图2晶闸管开环直流调速系统的仿真模型- 4 - 组中选取“ Ground”元件,按图 1 主电路进行连接。为了得到三相对称交流电压源,其参数设置方...

1、当您付费下载文档后,您只拥有了使用权限,并不意味着购买了版权,文档只能用于自身使用,不得用于其他商业用途(如 [转卖]进行直接盈利或[编辑后售卖]进行间接盈利)。
2、本站所有内容均由合作方或网友上传,本站不对文档的完整性、权威性及其观点立场正确性做任何保证或承诺!文档内容仅供研究参考,付费前请自行鉴别。
3、如文档内容存在违规,或者侵犯商业秘密、侵犯著作权等,请点击“违规举报”。

碎片内容

晶闸管直流调速系统参数和环节特性的测定

您可能关注的文档

确认删除?
VIP
微信客服
  • 扫码咨询
会员Q群
  • 会员专属群点击这里加入QQ群
客服邮箱
回到顶部