电脑桌面
添加小米粒文库到电脑桌面
安装后可以在桌面快捷访问

35小区人防安全施工组织设计VIP专享VIP免费

35小区人防安全施工组织设计_第1页
1/28
35小区人防安全施工组织设计_第2页
2/28
35小区人防安全施工组织设计_第3页
3/28
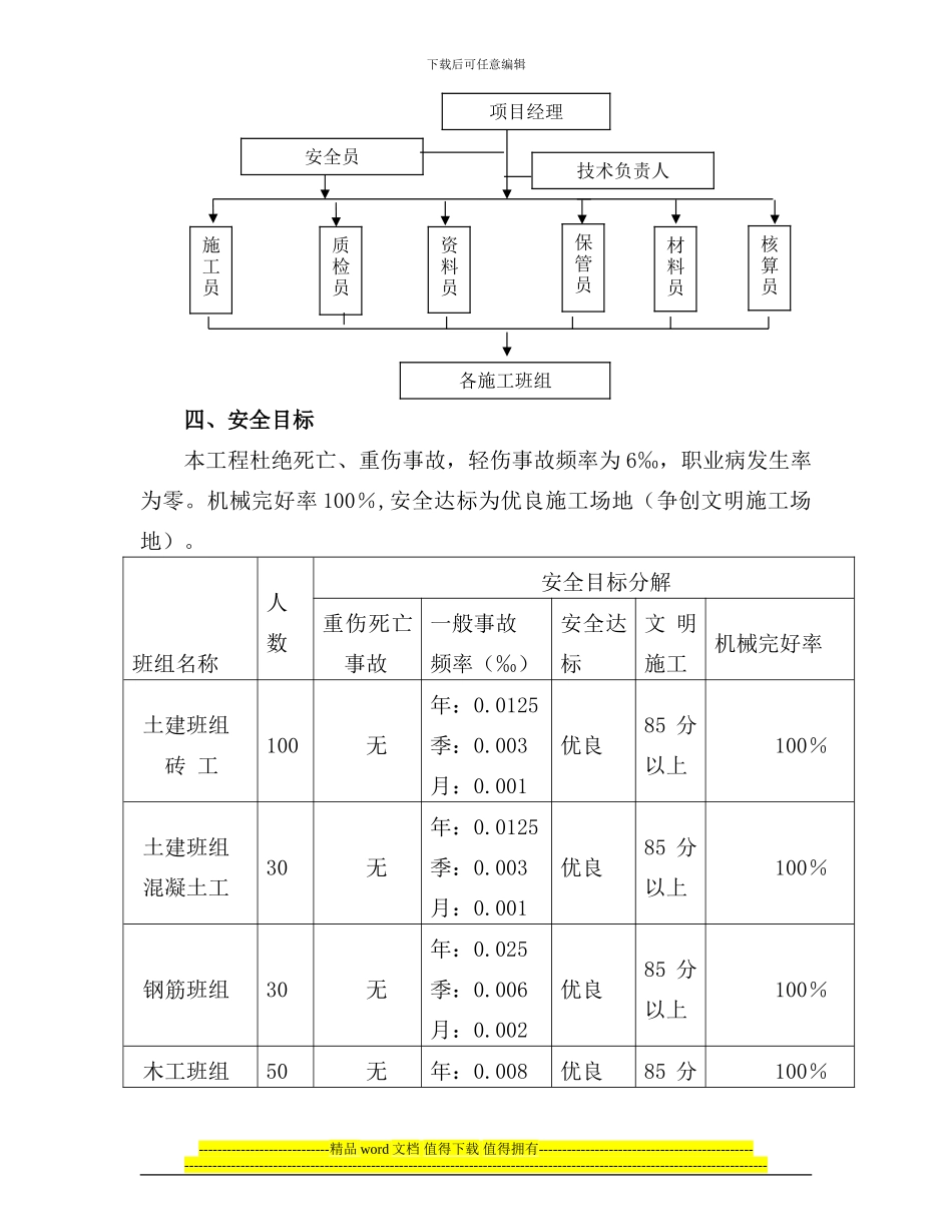
下载后可任意编辑安全施工组织设计编制目录1、 编制依据2、 工程概况3、 安全管理体系4、 安全目标5、 安全生产责任制6、 安全保证措施7、 安全技术经费的提取与使用8、 分部分项工程安全技术措施及安全防护9、 安全教育10、 安全检查11、 施工机具管理12、 消防、保卫措施13、 季节性安全防护措施14、 施工现场应急预案措施15、 施工现场危险源16、 管理人员和特别工种人员名单及复印件17、 施工现场平面图及安全标志平面图 安全施工组织设计一、编制依据----------------------------精品 word 文档 值得下载 值得拥有---------------------------------------------------------------------------------------------------------------------------------------------------------------------------下载后可任意编辑1、安全法2、建筑工程安全生产管理条例3、JGJ59-2024安全检查标准4、公司安全生产文明施工实施细则二、工程建设概况本工程位于新疆石河子农垦科学院 35#小区(东一路东侧,天山路南侧)。地下人防工程。地下 1 层,地下人防建筑面积:4855.4㎡,,结构类型为框架结构,工程等级;一级,设计耐火等级一级,设防烈度为 7 度,设计使用年限 50 年;人防工程掩蔽人数 1440 人。据地勘报告显示基础持力层选用卵石层层,其承载力特征值fak=600KPa,地质情况良好。工程建设概况一览表 表 1三、安全生产组织机构网络图----------------------------精品 word 文档 值得下载 值得拥有---------------------------------------------------------------------------------------------------------------------------------------------------------------------------序号项 目内 容1工程名称新疆农垦科学院 35 小区集资房项目2工程地址35 小区3建设单位新疆农垦科学院4设计单位新疆石河子建筑规划设计讨论院(有限公司)人防工程设计:新疆长城建筑设计讨论院有限公司5监理单位5监督部门石河子市质量监督站6建筑功能住宅、地下车库及人防工程7施工单位石河子市恒业建筑安装工程有限责任公司8承包方式包工包料9施工范围设计图纸范围内的地基与基础;主体结构;建筑装饰装修;建筑屋面;建筑给水、排水及采暖;建筑电气等所有内容10计划开、竣工日 期开工日期2024.11.7竣工日期2024.10.111合同工期2024.11.7~2024.10.112质量要求合 格下载后可任意编辑四、安全目标 本工程杜绝死亡、重伤事...

1、当您付费下载文档后,您只拥有了使用权限,并不意味着购买了版权,文档只能用于自身使用,不得用于其他商业用途(如 [转卖]进行直接盈利或[编辑后售卖]进行间接盈利)。
2、本站所有内容均由合作方或网友上传,本站不对文档的完整性、权威性及其观点立场正确性做任何保证或承诺!文档内容仅供研究参考,付费前请自行鉴别。
3、如文档内容存在违规,或者侵犯商业秘密、侵犯著作权等,请点击“违规举报”。

碎片内容

35小区人防安全施工组织设计

确认删除?
VIP
微信客服
  • 扫码咨询
会员Q群
  • 会员专属群点击这里加入QQ群
客服邮箱
回到顶部