电脑桌面
添加小米粒文库到电脑桌面
安装后可以在桌面快捷访问

DCS盘、柜接地及保护接地施工作业指导书VIP免费

DCS盘、柜接地及保护接地施工作业指导书_第1页
1/6
DCS盘、柜接地及保护接地施工作业指导书_第2页
2/6
DCS盘、柜接地及保护接地施工作业指导书_第3页
3/6
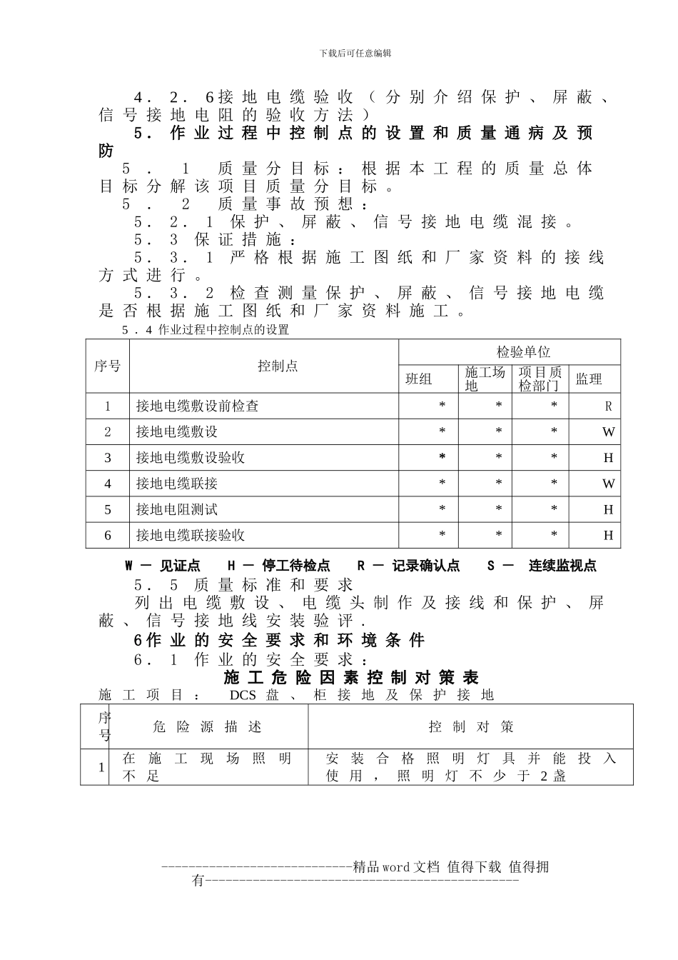
下载后可任意编辑DCS 盘 、 柜 接 地 及 保 护 接 地 作 业 指 导 书 要 点l. 工 程 ( 系 统 和 设 备 ) 概 况 及 工 程 量 1.1 系 统 和 设 备 概 况 ( 作 业 涉 及 的 系 统 范 围 、设 备 简 介 ) 主 要 介 绍 工 程 名 称 、 规 模 、 特 点 。 简 介 DCS 盘柜 接 地 、 屏 蔽 接 地 和 系 统 接 地 的 特 点 及 本 作 业 指导 书 的 适 用 范 围 。 1.2 工 程 量 和 工 期 : 1 . 2 . 1 根 据 设 计 图 纸 详 细 列 出 所 要 敷 设 DCS接地 电 缆 的 型号,数量。序号名 称型 号 规 格单位数 量备 注1 . 2 . 2 工 期 : 14 天2. 编 制 依 据 : 列 出 与 DCS盘 柜 接 地 及 保 护 接 地 相 关 的 技 术 、 质量 、 安 环 的 规 程 、 法 律 规 范 、 标 准 及 设 计 图 纸 ,厂 家 图 纸,变 更 等 。3. 作 业 前 的 条 件 和 准 备 :3.1技 术 准 备 DCS保 护 接 地 所 需 要 的 图 纸 会 审 完 毕 , 会 审 提 出问 题 已 解 决 ; 作 业 指 导 书 编 制 完 毕 ; 制 定 技 术 和安 全 措 施 , 并 交 底 双 方 签 字3.2作 业 人 员 ( 配 置 、 资 格 ) 3 . 2 . 1 列 出 负 责 DCS接 地 电 缆 敷 设 、 联 接 人 员的 资格要求,人数和资质。序号作业人员工种资 格 要 求人数资 质1技术员能 够 审 清 本 项 目 施 工 图 纸 ,领 悟 设 计 思 想 , 掌 握 施 工 工艺 , 熟 悉 施 工 质 量 和 安 环 要求 。 1助 理工 程师2班组长熟悉本项目施工的工艺流程 , 能 有 效 组 织 好 施 工 人 员根据作业指导书的要求施工 , 熟 悉 施 工 质 量 和 安 环 要求 。1高 级工----------------------------精品 word 文档 值得下载 值得拥有----------------------------------------------下载后可任意编辑3安装工熟 练 掌 握 本 项 目 的 技 术 、 工艺 要 求 , 知 道 施 工 质 量 、 安环 要 求 。6中 级工 (1)初 级工 (5)4安全员具 有 现 场 工 作 经 验 , 熟 悉 安全 管 理 规 定 , 有 安 全 ...

1、当您付费下载文档后,您只拥有了使用权限,并不意味着购买了版权,文档只能用于自身使用,不得用于其他商业用途(如 [转卖]进行直接盈利或[编辑后售卖]进行间接盈利)。
2、本站所有内容均由合作方或网友上传,本站不对文档的完整性、权威性及其观点立场正确性做任何保证或承诺!文档内容仅供研究参考,付费前请自行鉴别。
3、如文档内容存在违规,或者侵犯商业秘密、侵犯著作权等,请点击“违规举报”。

碎片内容

DCS盘、柜接地及保护接地施工作业指导书

确认删除?
VIP
微信客服
  • 扫码咨询
会员Q群
  • 会员专属群点击这里加入QQ群
客服邮箱
回到顶部