电脑桌面
添加小米粒文库到电脑桌面
安装后可以在桌面快捷访问

一个筒仓仓壁预应力无粘接后张法施工专项方案VIP免费

一个筒仓仓壁预应力无粘接后张法施工专项方案_第1页
1/21
一个筒仓仓壁预应力无粘接后张法施工专项方案_第2页
2/21
一个筒仓仓壁预应力无粘接后张法施工专项方案_第3页
3/21
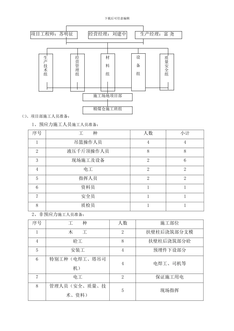
一、预应力工程概况此工程共仓体四座,每座筒仓内径均为25m,混凝土高度为36.707m,仓壁厚为370mm,都采纳C40预应力钢筋混凝土。仓顶盖为C40钢筋混凝土正截锥壳。锚具封锚采纳膨胀性C40混凝土。筒仓仓壁混凝土结构采纳滑模的施工工艺。产品仓的仓壁采纳无粘结预应力后张施工工艺,预应力筋采纳1860级Φj15.2 低松弛成品无粘结钢绞线,张拉端锚具采纳符合法律规范要求的VM15-7夹片式锚具,及配套的熟铁锚垫板(钢号Q235)尺寸为200mm×200mm×20mm和配套螺旋筋(七孔锚垫板大样图见图一)。图一:七孔锚垫板大样图每座产品仓都设4个扶壁柱,每一周圈由2段无粘结预应力筋组成。无粘结预应力筋为180度包角,相邻两圈无粘结筋的张拉端交错90度布置,分别锚固在2个扶壁柱上,扶壁柱宽3.0m。无粘结预应力筋环绕半径为12.72m,每座产品仓仓壁预应力筋按环向布置,从绝对标高3.307m~36.707m共设置了63圈7-Φj15.2无粘结预应力筋。分别为:标高3.307m~14.007m间距为450mm共24圈无粘结预应力筋;标高14.007m~24.507m间距为500mm共21圈无粘结预应力筋;标高24.507m~34.907m间距为850mm共13圈无粘结预应力筋;标高34.907m~36.707m间距为400mm共5圈无粘结预应力筋。二、 工程项目管理机构保证工程质量,按期完成本分部分项工程的施工任务,制造良好的社会信誉和经济效益,项目部下设生产技术组,质量安全组,材料组,设备组,经营组五个职能部门。负责从施工准备,计划统计,生产调度,技术管理,质量控制,试验检测,安全生产,经济核算,文明施工,材料供应和施工设备机械使用维修等方面的管理,对建设工程全面负责。㈠、项目部组织机构项目经理:赵 熙下载后可任意编辑㈡、项目部施工人员准备:1、预应力施工人员施工人员准备:序号工 种人数小计1吊篮操作人员442液压千斤顶操作人员883现场施工及设备264电工225指挥人员226资料员117安全员118质检员112、非预应力施工人员准备:序号工 种人数施工部位1木 工2扶壁柱后浇筑部分支模4砼工8扶壁柱后浇筑部分砼5安装工4预埋件下设部分6特别工种(电焊工、塔吊司机)4电焊工、司机等7电工2保证施工用电8管理人员(安全、质量、技术、资料)5现场指挥生产技术组项目工程师:苏明征经营管理组材料组质量安全组精煤仓施工班组生产经理:富 尧经营经理:刘建中施工场地项目部设备组下载后可任意编辑我单位将预应力施工承包给具有相应资质的专业化高的施工单位天津市西北预应力技术开发有限公司进行施工,外...

1、当您付费下载文档后,您只拥有了使用权限,并不意味着购买了版权,文档只能用于自身使用,不得用于其他商业用途(如 [转卖]进行直接盈利或[编辑后售卖]进行间接盈利)。
2、本站所有内容均由合作方或网友上传,本站不对文档的完整性、权威性及其观点立场正确性做任何保证或承诺!文档内容仅供研究参考,付费前请自行鉴别。
3、如文档内容存在违规,或者侵犯商业秘密、侵犯著作权等,请点击“违规举报”。

碎片内容

一个筒仓仓壁预应力无粘接后张法施工专项方案

您可能关注的文档

确认删除?
VIP
微信客服
  • 扫码咨询
会员Q群
  • 会员专属群点击这里加入QQ群
客服邮箱
回到顶部