电脑桌面
添加小米粒文库到电脑桌面
安装后可以在桌面快捷访问

三九雅圆施工方案VIP免费

三九雅圆施工方案_第1页
1/31
三九雅圆施工方案_第2页
2/31
三九雅圆施工方案_第3页
3/31
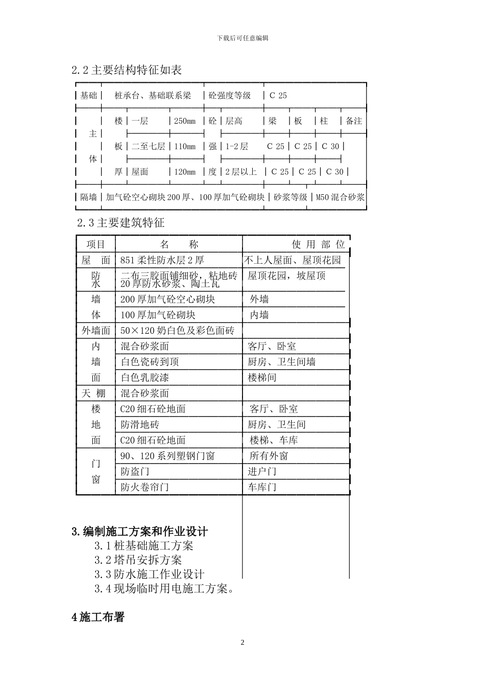
下载后可任意编辑1.编制依据及说明 1.1 编制依据: 1.1.1 北京市建筑设计讨论院深圳院设计的《成都三九雅园》初设图,四川省建筑设计院《成都三九雅园》施工图以及建、结施改图。 1.1.2 现行国家有关施工法律规范、验收标准。 1.2 编制说明 1.2.1 施工方法按施工操作规程施工,本组织设计只进行简述。 1.2.2 本施工组织设计施工方法只对土建施工中各分部进行阐述,不含水、电、暖通部分。 1.2.3 由于本工程现阶段只有初步设计图,待正式施工图出具后对遗漏部份或变更部份再另行编制补充作业设计和施工方案。 1.2.4 结施改图 1999 年 7 月 20 日全部到位,6 月 28 日以前施工图全部作废,本方案根据 6 月 28 日以前施工编制,待 7 月 20 日以后结改图出齐后,如有重大变动,再另行编制补充施工方案。2.工程概况 该工程耐火等级二级,设防七度,建筑场地Ⅱ类,采纳全现浇钢筋砼框架结构,楼层、屋面板现浇,主体层数八层,局部七层,底部架空层为车库,分为 A、B、C 三区。 2.1 其基本情况如下表:┏━━━━━┯━━━━━━━━━━━┯━━━━━━┯━━━━━┓┃建设单位 │三九投资管理有限公司 │建筑面积 │13175.6m2 ┠─────┼───────────┼──────┼─────┃项目名称 │成都三九雅园 │计划投资 │917 万元 ┠─────┼───────────┼──────┼─────┃工程地址 │成都市芳草街 │基础埋深 │-3.00m ┠─────┼───────────┴──────┴─────┃设计单位 │北京市建筑设计讨论院深圳院,四川省建筑设计院 ┗━━━━━┷━━━━━━━━━━━━━━━━━━━━━━━━┛1下载后可任意编辑2.2 主要结构特征如表┏━━┯━━━━━━━━━━━┯━━━━━━┯━━━━━━━━━━━┓┃基础│ 桩承台、基础联系梁 │砼强度等级 │C 25 ┠──┼──┬────┬───┼─┬────┼──┬──┬──┬──┨┃ │ 楼│一层 │250mm │砼│层高 │梁 │板 │柱 │备注┃ 主│ ├────┼───┤ ├────┼──┼──┼──┼──┨┃ │ 板│二至七层│110mm │强│1-2 层 C 25│C 25│C 30│ ┃ 体│ ├────┼───┤ ├────┼──┼──┼──┤ ┃ │ 厚│屋面 │120mm │度│2 层以上 │C 25│C 25│C 30│ ┠──┼──┴──...

1、当您付费下载文档后,您只拥有了使用权限,并不意味着购买了版权,文档只能用于自身使用,不得用于其他商业用途(如 [转卖]进行直接盈利或[编辑后售卖]进行间接盈利)。
2、本站所有内容均由合作方或网友上传,本站不对文档的完整性、权威性及其观点立场正确性做任何保证或承诺!文档内容仅供研究参考,付费前请自行鉴别。
3、如文档内容存在违规,或者侵犯商业秘密、侵犯著作权等,请点击“违规举报”。

碎片内容

三九雅圆施工方案

确认删除?
VIP
微信客服
  • 扫码咨询
会员Q群
  • 会员专属群点击这里加入QQ群
客服邮箱
回到顶部