电脑桌面
添加小米粒文库到电脑桌面
安装后可以在桌面快捷访问

上海施工现场安全技术资料VIP免费

上海施工现场安全技术资料_第1页
1/58
上海施工现场安全技术资料_第2页
2/58
上海施工现场安全技术资料_第3页
3/58
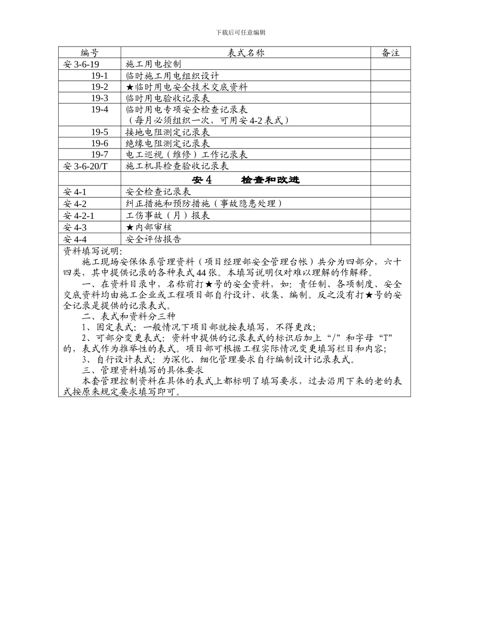
下载后可任意编辑施工现场安全生产保证体系管理资料(项目经理部安全管理台帐)编号表式名称备注安 1 文件安 1-1★企业和项目部安全生产岗位责任制安 1-2★施工现场安全生产保证计划安 1-3★施工组织设计安 1-4★专项施工组织设计(方案)安 1-5★事故的应急救援预案安 1-6★企业和项目部安全管理制度安 1-7★工种安全技术操作规程及安全作业指导书安 2 策划安 2-1/T重大/一般危险源及控制措施清单安 2-1-1/T重大危险源控制目标和管理方案安 2-2/T重大/一般环境因素控制措施清单安 2-2-1/T重大环境因素控制目标、指标和管理方案安 2-3★法规文件清单安 2-4★安全记录清单安 3 实施〈安 3-1〉组织机构与职责权限安 3-1-1★经济承包责任制和管理目标安 3-1-2工程项目部管理人员名册〈安 3-2〉安全教育培训安 3-2-1职工劳动保护教育卡汇总表安 3-2-2新工人三级安全教育卡安 3-2-3各类安全教育记录表安 3-2-4班前安全活动及周讲评记录表安 3-2-5特种作业人员名册安 3-2-6安全监护、中小型机械作业人员名册附进入施工现场安全教育基本要求〈安 3-3〉文件控制安 3-3-1/T文件收发记录表〈安 3-4〉安全物资采购和进场验证安 3-4-1/T合格供应商名录安 3-4-2★安全物资采购、租赁计划或协议书安 3-4-3安全物资验收汇总表安 3-4-4★活动房控制〈安 3-5〉文件控制安 3-5-1/T工程项目分包方名录安 3-5-2★总包对分包方编制的专项施工组织设计(方案)、安全技术措施审批记录表下载后可任意编辑编号表式名称备注安 3-5-3提供给分包的安全物资、工具、设施设备移交验收记录表安 3-5-4★对分包方的分部(分项)安全技术交底记录表安 3-5-5★对分包方的安全交底记录安 3-5-6/T对分包方的安全监督、检查记录安 3-5-7/T分包方安全业绩评定表〈安 3-6〉施工过程控制安 3-6-1★分部工程安全技术交底记录安 3-6-2★分项工程安全技术交底记录安 3-6-3模板拆除(安全)令安 3-6-4设施拆除申请表安 3-6-5危险作业的监控记录表安 3-6-6★防火控制(动火许可证)6-1★防火管理制度6-2★防火管理责任制6-3★防火重点部位和消防器材平面布置图6-4★消防器材明细表6-5★义务消防员名单6-6动火许可证安 3-6-7落地式脚手架验收记录表安 3-6-8挂脚手架验收记录表安 3-6-9悬挑式脚手架验收记录表安 3-6-10吊篮脚手架验收记录表安 3-6-11门型脚手架验收记录表安 3-6-12附着式升降脚手架(升、降)验收记录表安 3-6-13安全防...

1、当您付费下载文档后,您只拥有了使用权限,并不意味着购买了版权,文档只能用于自身使用,不得用于其他商业用途(如 [转卖]进行直接盈利或[编辑后售卖]进行间接盈利)。
2、本站所有内容均由合作方或网友上传,本站不对文档的完整性、权威性及其观点立场正确性做任何保证或承诺!文档内容仅供研究参考,付费前请自行鉴别。
3、如文档内容存在违规,或者侵犯商业秘密、侵犯著作权等,请点击“违规举报”。

碎片内容

上海施工现场安全技术资料

您可能关注的文档

确认删除?
VIP
微信客服
  • 扫码咨询
会员Q群
  • 会员专属群点击这里加入QQ群
客服邮箱
回到顶部