电脑桌面
添加小米粒文库到电脑桌面
安装后可以在桌面快捷访问

专家论证某工程土方开挖、基坑支护及降水安全专项施工方案VIP免费

专家论证某工程土方开挖、基坑支护及降水安全专项施工方案_第1页
1/31
专家论证某工程土方开挖、基坑支护及降水安全专项施工方案_第2页
2/31
专家论证某工程土方开挖、基坑支护及降水安全专项施工方案_第3页
3/31
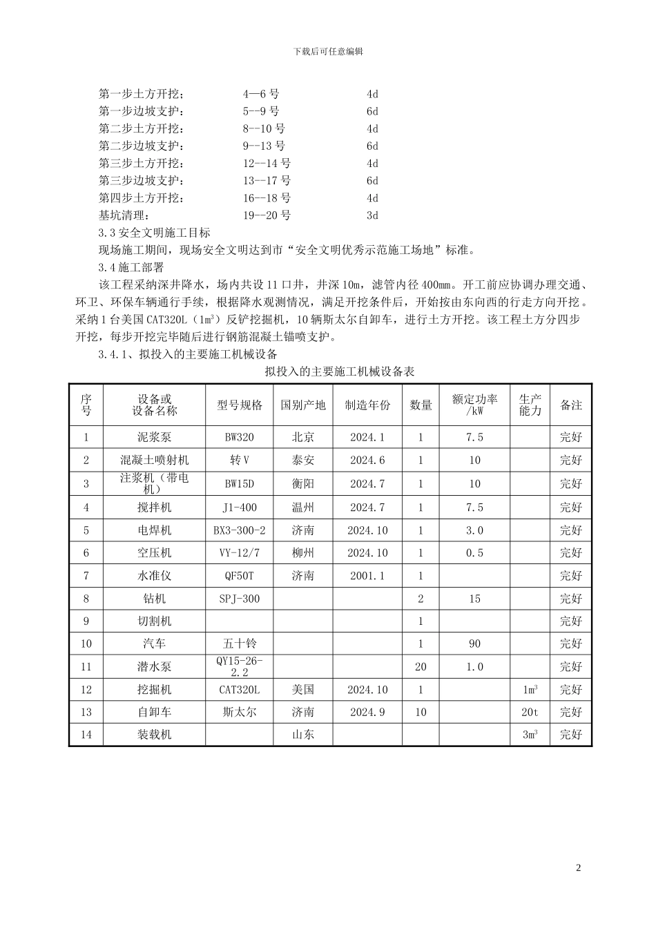
下载后可任意编辑南屏苑Ⅰ标段工程地下室土方开挖专项施工方案[按专家论证审查报告修订]第一部分 综合说明1.工程概况本标段工程位于六安市南屏苑小区东侧,开挖场地较为开阔,无建筑物障碍;建筑面积约为 55000 平方米;地下车库面积约为 18000 平方米。本工程为钢筋砼剪力墙结构,共 7 栋,每栋 18 层。抗震设防烈度为 7 度,设计基本地震加速度值为 0.10g,场地土类型为中硬场地土,场地类别为Ⅱ类。本工程钢筋混凝土剪力墙的抗震等级为三级。基础形式为片式筏板基础及独立基础,混凝土等级为 C30 该工程地下两层,地下一层为车库,地下二层相关办公室。独立基础基底标高 -5.1m;筏板基底标高为-5.9m,基底标高复杂,土方开挖时要做好标高控制,严禁超挖。该工程地下水位较高,根据 5 月份地质报告,地下水位埋深 6.0m 左右,因今年雨期降水较多,估量水位有所升高,土方开挖前须做好基坑降水。2.编制依据该施工组织设计的编制主要依据:招标文件及图纸;现行法律规范、规程以及现场实际情况。主要法律规范、规程如下:《建筑边坡工程技术法律规范》(GB50330-2024)《建筑与市政降水工程技术法律规范》(JGJ/T111-1998)《建筑基坑支护技术规程》(JGJ120-1999)《基坑土钉支护技术规程》(CCECE96:97)《锚杆喷射混凝土支护技术法律规范》(GB50086-2001)《建筑地基基础工程施工质量验收法律规范》(GB50202-2024)《建筑施工安全检查标准》(JGJ59-1999)《建筑工程施工质量验收统一标准》(GB50300-2001)《建筑机械使用安全技术规程》(JGJ33-2001)3.总体施工部署3.1 质量目标根据招标文件要求,确保合格,争创优良工程。分项隐蔽工程验收一次合格率 100%,优良率85%。竣工验收一次合格率 100%,优良率 85%。3.2 工期目标根据招标文件要求,确保总工期 30 天完工,开工日期按业主要求。工期控制点(因开工日期未定,暂按 1 号开始安排工期,待开工日期确定做相应调整)深井开挖: 1—6 号 6d1下载后可任意编辑第一步土方开挖; 4—6 号 4d第一步边坡支护: 5--9 号 6d第二步土方开挖: 8--10 号 4d第二步边坡支护: 9--13 号 6d第三步土方开挖: 12--14 号 4d第三步边坡支护: 13--17 号 6d第四步土方开挖: 16--18 号 4d基坑清理: 19--20 号 3d3.3 安全文明施工目标现场施工期间,现场安全文明达到市“安全文明优秀示范施工场地”标准。3.4 施工部署该工程采纳深井降水,场内共...

1、当您付费下载文档后,您只拥有了使用权限,并不意味着购买了版权,文档只能用于自身使用,不得用于其他商业用途(如 [转卖]进行直接盈利或[编辑后售卖]进行间接盈利)。
2、本站所有内容均由合作方或网友上传,本站不对文档的完整性、权威性及其观点立场正确性做任何保证或承诺!文档内容仅供研究参考,付费前请自行鉴别。
3、如文档内容存在违规,或者侵犯商业秘密、侵犯著作权等,请点击“违规举报”。

碎片内容

专家论证某工程土方开挖、基坑支护及降水安全专项施工方案

您可能关注的文档

确认删除?
VIP
微信客服
  • 扫码咨询
会员Q群
  • 会员专属群点击这里加入QQ群
客服邮箱
回到顶部