电脑桌面
添加小米粒文库到电脑桌面
安装后可以在桌面快捷访问

临时施工便道硬化方案VIP免费

临时施工便道硬化方案_第1页
1/6
临时施工便道硬化方案_第2页
2/6
临时施工便道硬化方案_第3页
3/6
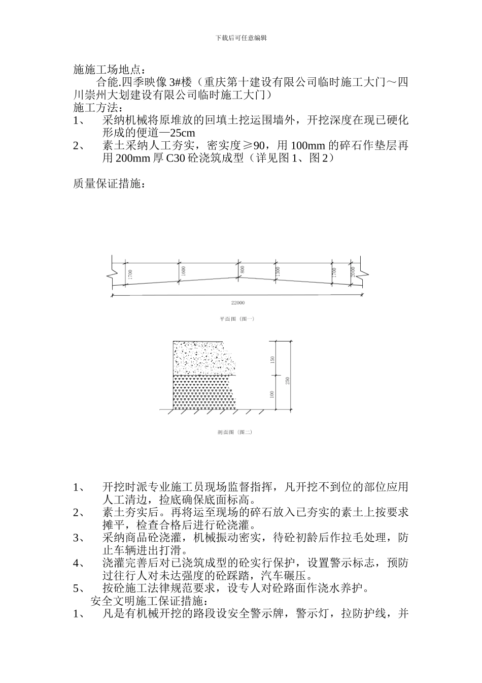
下载后可任意编辑成都大面镇项目(四季映像)3#工程临时施工便道硬化方案重庆第十建设有限公司二 0 一一年二月下载后可任意编辑施施工场地点:合能.四季映像 3#楼(重庆第十建设有限公司临时施工大门~四川崇州大划建设有限公司临时施工大门)施工方法:1、采纳机械将原堆放的回填土挖运围墙外,开挖深度在现已硬化形成的便道—25cm2、素土采纳人工夯实,密实度≥90,用 100mm 的碎石作垫层再用 200mm 厚 C30 砼浇筑成型(详见图 1、图 2)质量保证措施:1、开挖时派专业施工员现场监督指挥,凡开挖不到位的部位应用人工清边,捡底确保底面标高。2、素土夯实后。再将运至现场的碎石放入已夯实的素土上按要求摊平,检查合格后进行砼浇灌。3、采纳商品砼浇灌,机械振动密实,待砼初龄后作拉毛处理,防止车辆进出打滑。4、浇灌完善后对已浇筑成型的砼实行保护,设置警示标志,预防过往行人对未达强度的砼踩踏,汽车碾压。5、按砼施工法律规范要求,设专人对砼路面作浇水养护。安全文明施工保证措施:1、凡是有机械开挖的路段设安全警示牌,警示灯,拉防护线,并下载后可任意编辑派专人指挥告知过往行人,避开正在作业的机械。所有施工用电必须由专业电工,按《施工现场临时用电法律规范要求》进行搭接,杜绝一切安全事故的发生。下面为附送毕业论文致谢词范文!不需要的可以编辑删除!谢谢!毕业论文致谢词 我的毕业论文是在韦 xx 老师的精心指导和大力支持下完成的,他渊博的知识开阔的视野给了我深深的启迪,论文凝聚着他的血汗,他以严谨的治学态度和敬业精神深深的感染了我对我的工作学习产生了深渊的影响,在此我向他表示衷心的谢意 这三年来感谢广西工业职业技术学院汽车工程系的老师对我专业思维及专业技能的培育,他们在学业上的心细指导为我工作和继续学习打下了良好的基础,在这里我要像诸位老师深深的鞠上一躬!特别是我的班主任吴廷川老师,虽然他不是我的专业老师,但是在这三年来,在思想以及生活上给予我鼓舞与关怀让我走出了很多失落的时候,“明师之恩,诚为过于天地,重于父母”,对吴老师的感激之情我无法用语言来表达,在此向吴老师致以最崇高的敬意和最真诚的谢意! 感谢这三年来我的朋友以及汽修 0932 班的四十多位同学对我的学习,生活和工作的支持和关怀。三年来我们真心相待,和睦共处,不是兄弟胜是兄弟!正是一路上有你们我的求学生涯才不会感到孤独,马上就要各奔前程了,希望(,请保留此标记。)你们有...

1、当您付费下载文档后,您只拥有了使用权限,并不意味着购买了版权,文档只能用于自身使用,不得用于其他商业用途(如 [转卖]进行直接盈利或[编辑后售卖]进行间接盈利)。
2、本站所有内容均由合作方或网友上传,本站不对文档的完整性、权威性及其观点立场正确性做任何保证或承诺!文档内容仅供研究参考,付费前请自行鉴别。
3、如文档内容存在违规,或者侵犯商业秘密、侵犯著作权等,请点击“违规举报”。

碎片内容

临时施工便道硬化方案

阳光书坊+ 关注
实名认证
内容提供者

阳光书坊,传播未来

确认删除?
VIP
微信客服
  • 扫码咨询
会员Q群
  • 会员专属群点击这里加入QQ群
客服邮箱
回到顶部