电脑桌面
添加小米粒文库到电脑桌面
安装后可以在桌面快捷访问

五龙河大桥桩基施工方案-范文-参考文献VIP免费

五龙河大桥桩基施工方案-范文-参考文献_第1页
1/16
五龙河大桥桩基施工方案-范文-参考文献_第2页
2/16
五龙河大桥桩基施工方案-范文-参考文献_第3页
3/16
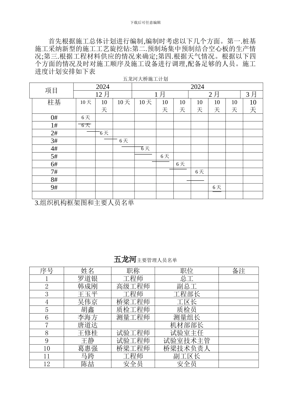
下载后可任意编辑五龙河大桥桩基施工方案一.工程概况1. 概况本工程位于上海至成都高速公路武汉至荆门段第八标段,中心桩号为K68+637.5m,本工程桥梁桩基础设计为摩擦桩,桥台设计肋板式。本桥共有桩基础 56 根,其中 φ1.2m 桩基 24 根、φ1.5m 桩基 32 根,桩基位于河道两边的空地上,在跨过河道时有部分桩基占用河道,给施工带来一定影响。本桥桥位区属笼岗地貌单元,桥址处地势平缓开阔,五龙河成 N 型穿过,水深 2~3m,区内地下水埋深为 1~3.5m,含水层泥质以充填为主,透水性和富水性一般,其补给来源主要是大气降水,桥区位置地质条件简单,无断层、裂隙、渗水地层,不存在滑坡、倒塌等不良地质作用,也不存在砂土液化问题,场地稳定性好,地下水贫乏,桥址区未见不良地质作用。二.施工前准备工作 施工准备是工程全面动工的前提和基础,施工准备工作贯穿于整个施工过程,充分准备、有力的保障是工程能否顺利实施的基本条件,我公司在施工中着重1、施工技术准备1)、仔细阅读、审核施工图纸和熟识施工技术法律规范,编好审核报告。2)、进行临时工程设施建设的具体计划。3)、编制实施性施工组织设计及工程计划。4)、上报总体开工报告,优先开工的分项开工报告。5)、施工场地试验室建立,试验室布置及仪器设备配置的审批。本工程项目开工前做好砼配合比试验、钢材的检验及水泥、砂石材料等.6)、施工测量准备工作(1)目前项目部已完成设计院提供的导线网点、水准点控制的复测工作,测量成果符合法律规范要求。(2)五龙河的桥梁桩基中心位置,采纳尼康 DTM-352 型全站仪, 高程控制,采纳精密度水准仪尼康型。(3)在桥梁两侧布控了三角网,以便控制桥梁的平面位置高程。 2、生活、生产临时设施准备本工程施工高峰人数约有 100 人,为满足生产、生活需要,拟采纳以下措施:1)、全部临建分为两大类:一类包括住房、办公、试验室、会议室;另一大类包括食堂、库房等。根据本工程的实际情况,我们征用五龙河右侧的荒地作为生活、办公和仓库。3、生产工厂系统准备1)、砼生产系统在本标段设置一座生产量为 30m3/h 的砼拌和站(一台 1000L 搅拌机)下载后可任意编辑其地点放在 K64+100 右侧原东方红小学内,搅拌站旁边放 2 个 100T 的散装水泥罐,由搅拌车将砼运送到施工场地点.4、材料供应、管理:1)、材料供应:(1).本项目砂、石料比较缺乏,均需远运,材料质量好,储量丰富。石料储存在京山县,砂来源于云梦县,这两个区域是湖北省经济相对比较发达地...

1、当您付费下载文档后,您只拥有了使用权限,并不意味着购买了版权,文档只能用于自身使用,不得用于其他商业用途(如 [转卖]进行直接盈利或[编辑后售卖]进行间接盈利)。
2、本站所有内容均由合作方或网友上传,本站不对文档的完整性、权威性及其观点立场正确性做任何保证或承诺!文档内容仅供研究参考,付费前请自行鉴别。
3、如文档内容存在违规,或者侵犯商业秘密、侵犯著作权等,请点击“违规举报”。

碎片内容

五龙河大桥桩基施工方案-范文-参考文献

您可能关注的文档

确认删除?
VIP
微信客服
  • 扫码咨询
会员Q群
  • 会员专属群点击这里加入QQ群
客服邮箱
回到顶部