电脑桌面
添加小米粒文库到电脑桌面
安装后可以在桌面快捷访问

保温工程行政中心施工方案VIP免费

保温工程行政中心施工方案_第1页
1/6
保温工程行政中心施工方案_第2页
2/6
保温工程行政中心施工方案_第3页
3/6
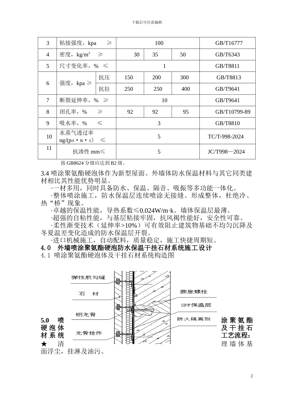
下载后可任意编辑行政中心外墙及屋面防水保温工程施工方案及技术标准1.0 工程概况本工程建位于跑马山路,外墙施工面积约 50000 平方米,屋面施工面积约 20000 平方米。建筑节能设计值 50%。2.0 工程承包内容实行现场喷涂改性聚氨酯硬泡体防水保温施工,根据设计要求,外墙聚氨酯硬泡体防水保温层厚度为 20mm,屋面聚氨 酯硬泡体防水保温层厚度 30mm。聚氨酯硬泡体物理力学性能应满足 JC/T998—2024 的要求,施工质量应符合苏 JG/T001—2024 的规定,工程验收按 DGJ32/J19—2024标准执行。3.0 改性聚氨酯硬泡体性能及应用简介3.1 聚氨酯硬泡体是以异氰酸酯和多元醇为主要原料,在改性剂、发泡剂、催化剂、阻燃剂、泡沫稳定性,抗老剂等多种辅助剂的作用下,通过专用设备高压喷涂、现场发泡形成的高分子聚合物防水保温材料,它拥有连续缜密的表皮和闭孔率高达 95%以上的高强度互联壁蜂窝结构,是集防水、保温、吸震、降噪等多项功能为一体的新型化工建材。3.2 聚氨酯硬泡体主要原材料3.2.1 A 组份原料:多元醇组合料应为密封桶装液体,在热反应过程中不应产生有毒气体。(注:予混在 A 组份中的发泡剂不应含有氟里昂等对大气臭氧层有损害作用的化学成分,阻燃剂应为长效阻燃剂。)3.2.2 B 组份原料:异氰酸酯应为密封桶装液体,在热反应过程中不应产生有毒气体。3.3 聚氨酯硬泡体防水保温材料按使用部位不同分为两种类别、三种型号。3.3.1 本工程用于建筑物外围护墙体防水保温的聚氨酯硬泡体为 I 型,依次根据名称、类别、标准的顺序,记作:SPF·I·JC/T998-2024。3.4.2 聚氨酯硬泡体的物理力学性能应符合国家建材行业标准 JC/T998-2024 的规定。表 3.5项次项目指标试验方法III-AII-B1抗渗性,mm ≤5见 5.3 条2导热系数,w/(m·k)≤0.024GB/T102941下载后可任意编辑3粘接强度,kpa ≥100GB/T167774密度,kg/m3 ≥303550GB/T63435尺寸变化率,% ≤1GB/T88116强度,kpa ≥抗压150200300GB/T8813抗拉250250400GB/T96417断裂延伸率,% ≥10GB/T96418闭孔率,% ≥929295GB/T10799-899吸水率,% ≤3GB/T881010水蒸气透过率ng/(pa·m·s) ≤5TC/T-998-202411抗渗性 mm≤5JC/T998—2024按 GB8624 分级应达到 B2 级。3.4 喷涂聚氨酯硬泡体作为新型屋面、外墙体防水保温材料与其它同类建材相比其性能优势明显。·一材多用,同时具备防水、保温、隔音、吸振等多功能一体化。·整体喷涂施工,防水保温层连续喷...

1、当您付费下载文档后,您只拥有了使用权限,并不意味着购买了版权,文档只能用于自身使用,不得用于其他商业用途(如 [转卖]进行直接盈利或[编辑后售卖]进行间接盈利)。
2、本站所有内容均由合作方或网友上传,本站不对文档的完整性、权威性及其观点立场正确性做任何保证或承诺!文档内容仅供研究参考,付费前请自行鉴别。
3、如文档内容存在违规,或者侵犯商业秘密、侵犯著作权等,请点击“违规举报”。

碎片内容

保温工程行政中心施工方案

您可能关注的文档

确认删除?
VIP
微信客服
  • 扫码咨询
会员Q群
  • 会员专属群点击这里加入QQ群
客服邮箱
回到顶部