电脑桌面
添加小米粒文库到电脑桌面
安装后可以在桌面快捷访问

信利半导体有限公司氮气压缩空气工程设备管道安装施工方案VIP免费

信利半导体有限公司氮气压缩空气工程设备管道安装施工方案_第1页
1/27
信利半导体有限公司氮气压缩空气工程设备管道安装施工方案_第2页
2/27
信利半导体有限公司氮气压缩空气工程设备管道安装施工方案_第3页
3/27
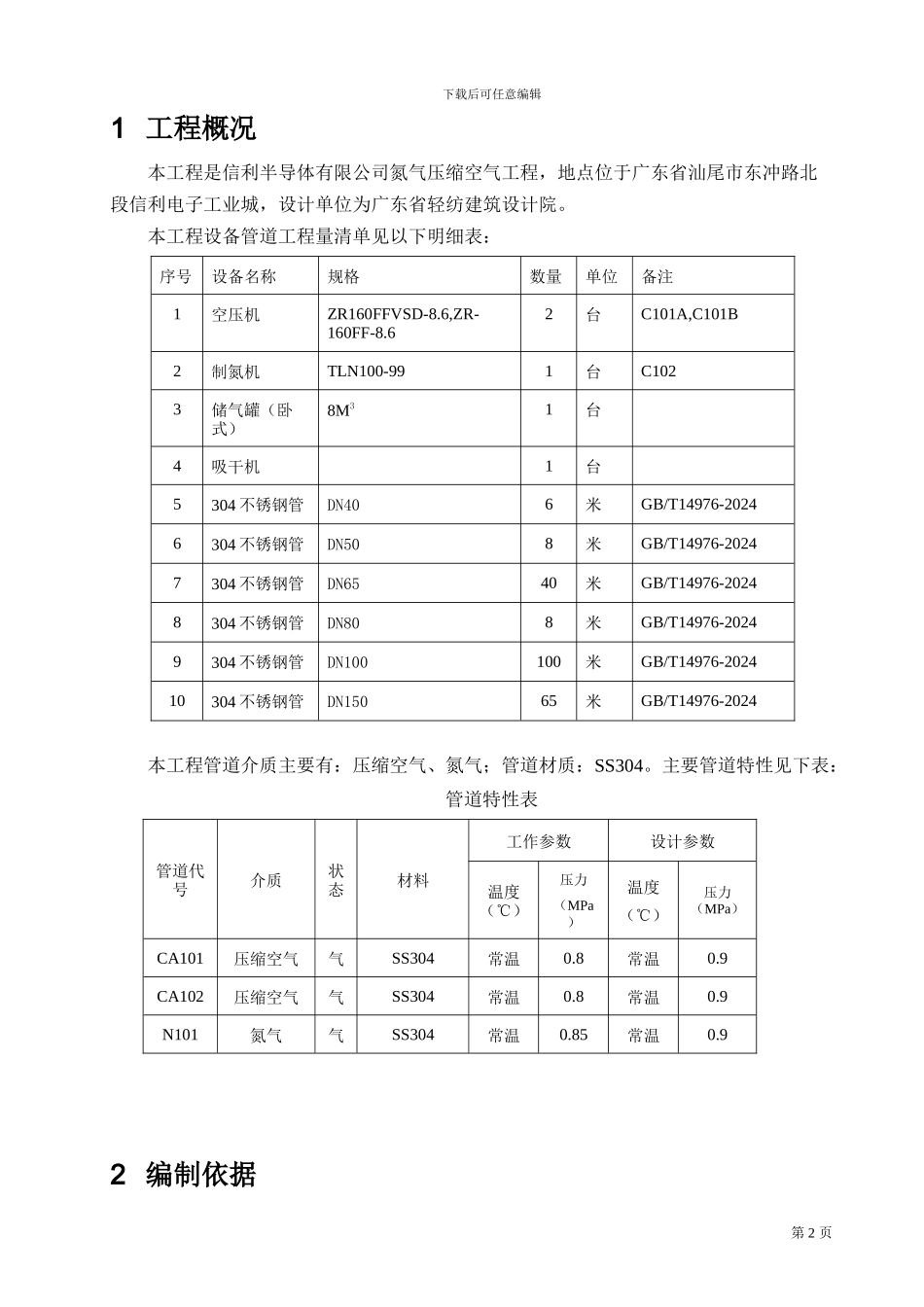
信利半导体有限公司氮气压缩空气工程设备及管道安装施 工 方 案编 写:审 核:批 准:广东省石油化工建设集团公司二○一○年五月下载后可任意编辑目 录1工程概况.................................................................................................22编制依据.................................................................................................33现场人员计划.........................................................................................34主要施工机具及物资供应计划表.........................................................35施工程序及技术要求.............................................................................46施工进度计划.......................................................................................127工程质量、职业健康安全与环境(QHSE)管理措施....................138交工验收...............................................................................................22第 1 页 下载后可任意编辑1 工程概况本工程是信利半导体有限公司氮气压缩空气工程,地点位于广东省汕尾市东冲路北段信利电子工业城,设计单位为广东省轻纺建筑设计院。本工程设备管道工程量清单见以下明细表:序号设备名称规格数量单位备注1空压机ZR160FFVSD-8.6,ZR-160FF-8.62台C101A,C101B2制氮机TLN100-991台C1023储气罐(卧式)8M31台4吸干机1台5304 不锈钢管DN406米GB/T14976-20246304 不锈钢管DN508米GB/T14976-20247304 不锈钢管DN6540米GB/T14976-20248304 不锈钢管DN808米GB/T14976-20249304 不锈钢管DN100100米GB/T14976-202410304 不锈钢管DN15065米GB/T14976-2024本工程管道介质主要有:压缩空气、氮气;管道材质:SS304。主要管道特性见下表:管道特性表管道代号介质状态材料工作参数设计参数温度(℃)压力(MPa)温度(℃)压力(MPa)CA101压缩空气气SS304常温0.8常温0.9CA102压缩空气气SS304常温0.8常温0.9N101氮气气SS304常温0.85常温0.92 编制依据第 2 页 下载后可任意编辑2.1 甲、乙双方签订的本工程合同;2.2 本工程设计图纸资料;2.3 《机械设备安装工程施工及验收通用法律规范》GB50231—98;2.4 《化工机器安装工程施工及验收通用法律规范》(HG20243-2000)2.5 《压缩机、风机、泵安装工程施工及验收法律规...

1、当您付费下载文档后,您只拥有了使用权限,并不意味着购买了版权,文档只能用于自身使用,不得用于其他商业用途(如 [转卖]进行直接盈利或[编辑后售卖]进行间接盈利)。
2、本站所有内容均由合作方或网友上传,本站不对文档的完整性、权威性及其观点立场正确性做任何保证或承诺!文档内容仅供研究参考,付费前请自行鉴别。
3、如文档内容存在违规,或者侵犯商业秘密、侵犯著作权等,请点击“违规举报”。

碎片内容

信利半导体有限公司氮气压缩空气工程设备管道安装施工方案

您可能关注的文档

确认删除?
VIP
微信客服
  • 扫码咨询
会员Q群
  • 会员专属群点击这里加入QQ群
客服邮箱
回到顶部