电脑桌面
添加小米粒文库到电脑桌面
安装后可以在桌面快捷访问

公路建设工程项目施工现场安全生产监督检查表VIP免费

公路建设工程项目施工现场安全生产监督检查表_第1页
1/3
公路建设工程项目施工现场安全生产监督检查表_第2页
2/3
公路建设工程项目施工现场安全生产监督检查表_第3页
3/3
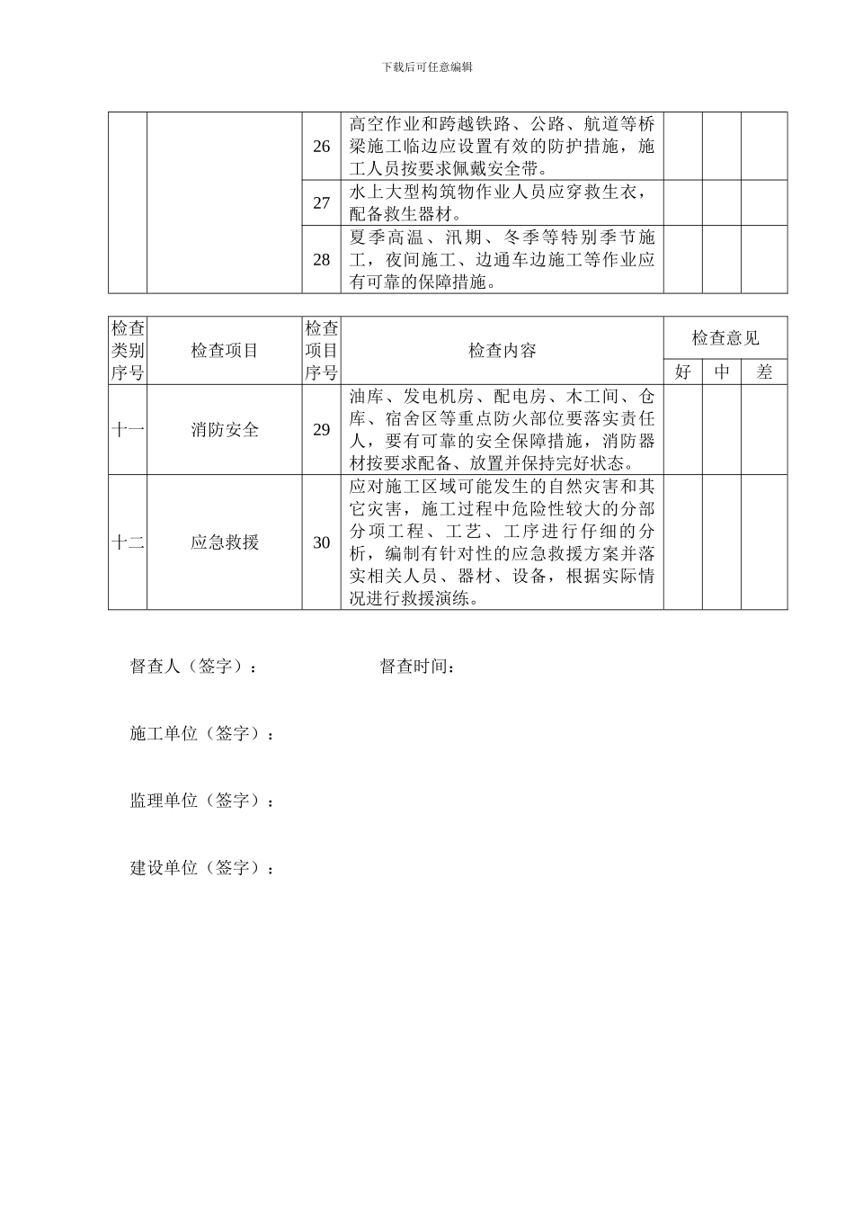
下载后可任意编辑附件:公路建设工程项目施工现场安全生产监督检查表项目名称建设单位建设单位联系人联系电话施工单位监理单位检查类别序号检查类别检查项目序号检查项目检查意见好中差一安全生产保证体系1建立健全安全生产责任制。2建立符合项目工程特点的安全生产管理制度、操作规程。3有健全的项目安全管理组织机构,配备符合需要的专职安全管理人员。二人员考核与持证情况4项目负责人、专职安全员、特种作业人员做到持证上岗。三安全管理活动5制定安全管理目标、工作计划,并层层分解。6有健全的施工安全日志、台帐、会议记录,安全管理资料完整。7根据国家法规和现场制定的各种安全管理制度开展日常安全检查,有整改、奖惩记录。四安全技术管理8施工组织设计中有单独的安全保障措施。危险性较大的分部分项工程编制专项保证方案,并经项目负责人、监理单位审批。9对施工现场重大危险源进行分析,并根据工程进展情况进行有效监控和安全保障。10仔细进行层层安全技术交底,履行签字手续,并保存书面记录。五安全培训教育11项目经理部能及时组织学习、贯彻国家、建设单位有关安全工作要求。12对转岗、新进场、复工工人进行专业技能、安全培训。下载后可任意编辑六安全经费使用及保险办理13有符合生产需要的安全经费使用计划、使用记录。14为现场从事危险作业人员办理人身意外损害保险。检查类别序号检查项目检查项目序号检查内容检查意见好中差七施工环境15安全宣传气氛浓厚,各种警示牌、指示牌、公告牌和各种禁止标志按要求设置。16生活区、办公区、施工区分开设置,生活区食堂、宿舍、厕所按要求设置,环境干净。各类施工设备、器具和物品按要求堆放整齐。。17施工便道、便桥保证正常使用,施工通道、和应急救生通道保持畅通。泥浆池、取土坑、基坑、挖孔桩孔洞等设置有效的防护措施。休工、工序交叉及转换期间有可靠的安全措施。八施工机具18场内机械均应有检测合格记录、标示。起重机械、垂直升降机械、锅炉等压力容器必须经法定检验检测机构检验后方可使用,并将检验合格证明放置于明显位置。大型支架、模板搭设方案须经过专项审查,使用前须经过专项验收。19电器设备必须接零(地),有防雨罩、漏电保护措施。20各种施工机具应保持良好工作状态,不得使用国家明令禁止使用或淘汰的工法和机具。九临时用电21编制临时用电方案,并应经项目负责人审批。22施工用电做到三级配电两级保护、一机一闸一触保,配电房应有可靠的防水、防雷、防潮、防...

1、当您付费下载文档后,您只拥有了使用权限,并不意味着购买了版权,文档只能用于自身使用,不得用于其他商业用途(如 [转卖]进行直接盈利或[编辑后售卖]进行间接盈利)。
2、本站所有内容均由合作方或网友上传,本站不对文档的完整性、权威性及其观点立场正确性做任何保证或承诺!文档内容仅供研究参考,付费前请自行鉴别。
3、如文档内容存在违规,或者侵犯商业秘密、侵犯著作权等,请点击“违规举报”。

碎片内容

公路建设工程项目施工现场安全生产监督检查表

您可能关注的文档

确认删除?
VIP
微信客服
  • 扫码咨询
会员Q群
  • 会员专属群点击这里加入QQ群
客服邮箱
回到顶部