电脑桌面
添加小米粒文库到电脑桌面
安装后可以在桌面快捷访问

六、通信工程项目划分VIP专享VIP免费

六、通信工程项目划分_第1页
1/29
六、通信工程项目划分_第2页
2/29
六、通信工程项目划分_第3页
3/29
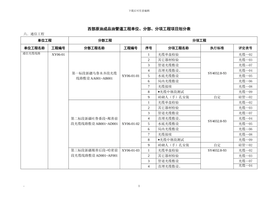
六、通信工程单位、分部、分项工程项目划分表二〇〇五年五月下载后可任意编辑西部原油成品油管道工程单位、分部、分项工程项目划分表六.通信工程单位工程分部工程分项工程单位工程名称工程编号分部工程名称工程编号序号分项工程名称执行标准评定表号通信光缆线路XY06-01第一标段新疆乌鲁木齐段光缆线路敷设 AA001~AB001XY06-01-011光缆单盘检验SY4032.8-93光缆—022其它器材检验光缆—033管道光缆敷设光缆—074直埋光缆敷设、光缆—045水底光缆敷设光缆—056局内光缆敷设光缆—067光缆接续光缆—088*光缆中继段测试光缆—099砖砌人(手)孔安装自定硅管—02第二标段新疆吐鲁番段~鄯善前段光缆线路敷设 AB001~AD001XY06-01-021光缆单盘检验SY4032.8-93光缆—022其它器材检验光缆—033管道光缆敷设光缆—074直埋光缆敷设、光缆—045水底光缆敷设光缆—056局内光缆敷设光缆—067光缆接续光缆—088*光缆中继段测试光缆—099砖砌人(手)孔安装自定硅管—02第三标段新疆鄯善后段~哈密前段光缆线路敷设 AD001~AF001XY06-01-031光缆单盘检验SY4032.8-93光缆—022其它器材检验光缆—033管道光缆敷设光缆—074直埋光缆敷设、光缆—04- 1下载后可任意编辑5水底光缆敷设光缆—056局内光缆敷设光缆—067光缆接续光缆—088*光缆中继段测试光缆—099砖砌人(手)孔安装自定硅管—02第四标段新疆哈密中段光缆线路敷设 AF001~AG0011光缆单盘检验SY4032.8-93光缆—022其它器材检验光缆—033管道光缆敷设光缆—074直埋光缆敷设、光缆—045水底光缆敷设光缆—056局内光缆敷设光缆—067光缆接续光缆—088*光缆中继段测试光缆—099砖砌人(手)孔安装自定硅管—02第五标段新疆哈密后段~哈密市段光缆线路敷设 AG001~AG086XY06-01-051光缆单盘检验SY4032.8-93光缆—022其它器材检验光缆—033管道光缆敷设光缆—074直埋光缆敷设、光缆—045水底光缆敷设光缆—056局内光缆敷设光缆—067光缆接续光缆—088*光缆中继段测试光缆—099砖砌人(手)孔安装自定硅管—02第十二标段甘肃省古浪县光缆线路敷设 BK100~BL001XY06-01-061光缆单盘检验SY4032.8-93光缆—022其它器材检验光缆—033管道光缆敷设光缆—074直埋光缆敷设、光缆—04- 2下载后可任意编辑5水底光缆敷设光缆—056局内光缆敷设光缆—067光缆接续光缆—088*光缆中继段测试光缆—099砖砌人(手)孔安装自定硅管—02第十三标段甘肃省景泰县、天祝县~永登县光缆线路敷设BL001~BN001XY06-01-071光缆单盘检验SY403...

1、当您付费下载文档后,您只拥有了使用权限,并不意味着购买了版权,文档只能用于自身使用,不得用于其他商业用途(如 [转卖]进行直接盈利或[编辑后售卖]进行间接盈利)。
2、本站所有内容均由合作方或网友上传,本站不对文档的完整性、权威性及其观点立场正确性做任何保证或承诺!文档内容仅供研究参考,付费前请自行鉴别。
3、如文档内容存在违规,或者侵犯商业秘密、侵犯著作权等,请点击“违规举报”。

碎片内容

六、通信工程项目划分

确认删除?
VIP
微信客服
  • 扫码咨询
会员Q群
  • 会员专属群点击这里加入QQ群
客服邮箱
回到顶部