电脑桌面
添加小米粒文库到电脑桌面
安装后可以在桌面快捷访问

冲击钻孔桩基施工方案VIP免费

冲击钻孔桩基施工方案_第1页
1/39
冲击钻孔桩基施工方案_第2页
2/39
冲击钻孔桩基施工方案_第3页
3/39
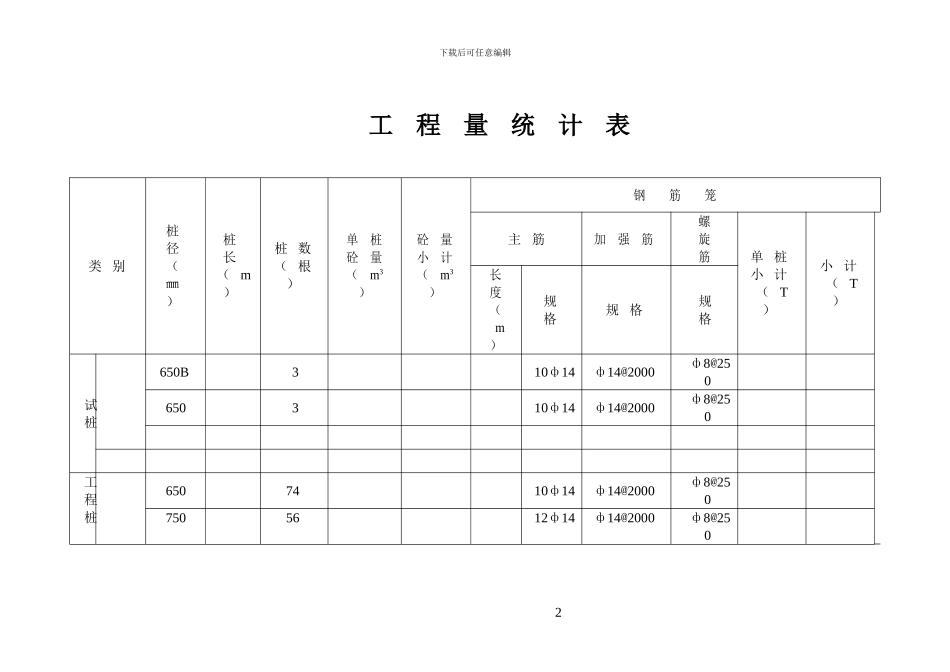
下载后可任意编辑 一、综合说明1、工程名称:瑞安市人民医院瑞祥分院行政后勤楼2、工程地点: 瑞安市瑞祥新区3、建设单位:瑞安市人民医院4、设计单位:浙江现代建筑设计院5、监理单位:浙江江南工程管理股份有限公司6、勘测单位:温州工程勘察院7、总包单位:浙江新邦建设有限公司8、工程概况:桩基:桩径 φ650B 的 60 根、φ650 的 58 根、φ750 的 14 根;围护桩 232 只, 新增桩 46 只 总桩数 410 只,总方量;1600m3。桩长根据地质表确定,平均为 12m 左右。9、本工程主要技术参数本工程设计终孔要求 12m 桩长,12m 桩长进入持力层深度 1m。桩为该桩的实际长,控制孔底沉渣应在 5cm 内,砼充盈系数1.15-1.5,第一次清孔慢速灌入清水,泥浆比重控制在 1.28-1.3;二次清孔灌料前的泥浆比重严格控制在 1.18-1.25 终孔灌料。砼强度C25,6 根桩静压,100%动测。单桩承载力分别为:φ650B 的承载力 为 250KN 、 φ650 的 承 载 力 为 1050KN 、 φ750 的 承 载 力 为1350KN;主筋保护层厚度 50mm。按现行有关法律规范及规程进行施工。 下载后可任意编辑工 程 量 统 计 表类 别桩径(㎜)桩长( m)桩 数( 根)单桩砼量(m3)砼量小计(m3)钢 筋 笼主 筋加强筋螺旋筋单 桩小 计( T)小 计( T)长度(m)规格规 格规格试桩 650B 3 10ф14ф14@2000ф8@250 650 3 10ф14ф14@2000ф8@250 工程桩 650 74 10ф14ф14@2000ф8@250 750 56 12ф14ф14@2000ф8@250 2 下载后可任意编辑 合 计 1600㎡ 桩 基 施 工 组 织 机 构 图桩基项目经理部 公司经理室 工程项目经理部 项目副经理技术负责人 项目副经理生产负责人质 安 员技 术 员材 料 员 砼浇灌组 钢筋制作组电工机修班施 工 员二机三机五机六机一机七机3 下载后可任意编辑二、地质条件根据温州工程勘察院提供的《岩土报告》显示,其它层情况见下表:三、管理目标(一)质量目标严格按设计图纸和有关技术法律规范施工,确保本工程施工质量合格。(二)安全文明生产目标严格按安全文明施工方案及安全文明施工有关法律规范组织施工,杜绝重大安全事故,创标化施工场地。(三)工期目标科学组织,确保合同工期 100 个施工日历天完成整个桩基工程量,含试桩工期,力争提前。 四、施工总平面布置施工平面布置按省有关规定进行布置。(一)临时设施考虑本工程施施工场地较为狭窄,...

1、当您付费下载文档后,您只拥有了使用权限,并不意味着购买了版权,文档只能用于自身使用,不得用于其他商业用途(如 [转卖]进行直接盈利或[编辑后售卖]进行间接盈利)。
2、本站所有内容均由合作方或网友上传,本站不对文档的完整性、权威性及其观点立场正确性做任何保证或承诺!文档内容仅供研究参考,付费前请自行鉴别。
3、如文档内容存在违规,或者侵犯商业秘密、侵犯著作权等,请点击“违规举报”。

碎片内容

冲击钻孔桩基施工方案

领读文化+ 关注
实名认证
内容提供者

传播文化,铸就未来

确认删除?
VIP
微信客服
  • 扫码咨询
会员Q群
  • 会员专属群点击这里加入QQ群
客服邮箱
回到顶部