电脑桌面
添加小米粒文库到电脑桌面
安装后可以在桌面快捷访问

冲涌整治加固工程施工组织设计VIP免费

冲涌整治加固工程施工组织设计_第1页
1/25
冲涌整治加固工程施工组织设计_第2页
2/25
冲涌整治加固工程施工组织设计_第3页
3/25
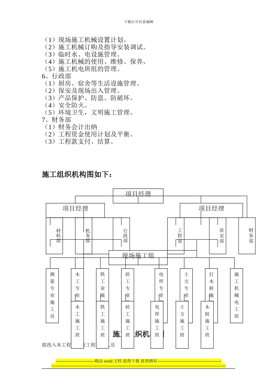
下载后可任意编辑冲涌整治加固工程施工组织设计1、编制依据1、工程设计院的“冲涌整治加固工程 A 标段”有关工程图纸及有关技术文件。2、编制的“河涌整治工程招标文件”及标前会议有关答疑解释。3、与本工程有关的国家及省、市现行技术法律规范。2、工程概况河涌整治工程上冲涌 A 标段,即 K+250~K+470 段,全长 220m,为河堤改造工程,整个工程包括拆除旧堤(约 120),土方开挖,打松木桩,砂垫层,土工程编织布,碎石垫层,C30 混凝土基础,M10 浆砌块石挡墙,挡墙混凝土饰面,墙后排水及土方回填,墙脚M10 浆砌块石护坡等。 河床及挡土墙地基为淤泥质土。由于沽水位与河底高程相近,所以,施工中一般不考虑大围堰。施工标准断面见附图。本标段工程主要工程量见下表主要工程量表序号工程项目规格单位数量备注1基础开挖淤泥质土淤泥质土M324152机械挖土方M353373抛中粗砂垫层中粗砂M311664抛浇垫 板混凝土碎石 1-8cmM36825现浇垫板混凝土C20M3277.26抛碎石倒滤料碎石㎡487现浇混凝土护面C30㎡2208M10 浆砌块石㎡17059现浇压顶混凝土C30㎡3010木桩¢550m㎡38111后方回填素土C>20KPA¢150㎡6700后方 6m----------------------------精品 word 文档 值得下载 值得拥有---------------------------------------------------------------------------------------------------------------------------------------------------------------------------下载后可任意编辑12沥青木条㎡160.2序号工程项目规格单位数量备注13铺土工编织布400g/㎡㎡136414钢筋供应及加工一级钢t30.22115塑料水管加工¢50mmm444§3 施工准备和各项资源需用阜量计划(一) 旗工管理机构的设置建立工程项目经理部,实行项目经理负责制,下设备职能机构:1、工程部(1)图纸会审、技术交底(2)轴线、垂直度、标高复核,沉降观测(3)隐蔽工程验收(4)施工组织设计、施工进度计划、材料、机具劳动力计划编制(5)各种建筑材料抽料送检(6)砼、吵浆等配合比控制,试件制作、送检(7)设计变更及各种签证(8)技术资料管理(收集、整理、归档)(9)工程量计算、工程结算2、质安部(1)质量安全技术交底(2)组织质量安全检查及控制、验收评定(3)质安资料管理(4)文明施工检查管理(5)质安事故调查及报告3、现场施工组(1)落实日、旬、月进度计划,落实各种配合计划(2)现场文明施工管理(3)图纸会审,参加安全技术交底及落实各项技术措施(4)放...

1、当您付费下载文档后,您只拥有了使用权限,并不意味着购买了版权,文档只能用于自身使用,不得用于其他商业用途(如 [转卖]进行直接盈利或[编辑后售卖]进行间接盈利)。
2、本站所有内容均由合作方或网友上传,本站不对文档的完整性、权威性及其观点立场正确性做任何保证或承诺!文档内容仅供研究参考,付费前请自行鉴别。
3、如文档内容存在违规,或者侵犯商业秘密、侵犯著作权等,请点击“违规举报”。

碎片内容

冲涌整治加固工程施工组织设计

确认删除?
VIP
微信客服
  • 扫码咨询
会员Q群
  • 会员专属群点击这里加入QQ群
客服邮箱
回到顶部