电脑桌面
添加小米粒文库到电脑桌面
安装后可以在桌面快捷访问

凉水塔防腐施工组织设计VIP免费

凉水塔防腐施工组织设计_第1页
1/16
凉水塔防腐施工组织设计_第2页
2/16
凉水塔防腐施工组织设计_第3页
3/16
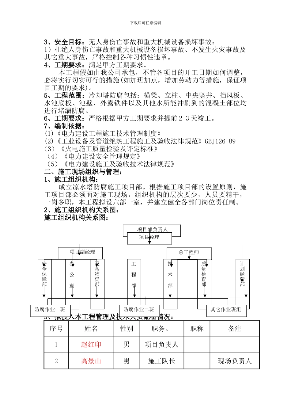
下载后可任意编辑凉 水 塔 防 腐 工 程施工方案濮阳市豫能电建防腐有限公司日 期:2024 年 04 月 03 日凉水塔防腐施工组织设计一、工程概况:1、工程名称:凉水塔防腐工程。2、质量目标:本工程全面达到《火电施工质量检验评定标准》的质量要求,并按《电力建设施工及验收技术法律规范》移交生产,创优质工程。下载后可任意编辑3、安全目标:无人身伤亡事故和重大机械设备损坏事故:1)杜绝人身伤亡事故和重大机械设备损坏事故、不发生火灾事故及其它重大事故,严格控制各种习惯性违章。4、工期要求:满足甲方工期要求。 本工程假如由我公司承包,不管各项目的开工日期如何调整,必将实行切实可行的措施(如加班加点,增加劳动力等措施,保证项目工期的要求)。5、工程范围:冷却塔防腐包括:横梁、立柱、中央竖井、挡风板、水池底板、池壁、外露铁件以及其他水所能冲刷到的混凝土部位均进行堵漏防腐。6、工期要求:严格根据甲方工期要求并提前 2-3 天竣工。7、编制依据:(1)《电力建设工程施工技术管理制度》(2)《工业设备及管道绝热工程施工及验收法律规范》GBJ126-89(3)《火电施工质量检验及评定标准》(4)《电力建设安全管理规定》(5)《电力建设施工及验收技术法律规范》二、施工现场组织与管理:1、施工组织机构: 成立凉水塔防腐施工项目部。根据施工项目部的设置原则,施工项目部必须面对施工现场,组织机构的层次要少,人员要精干,一岗多职,本工程拟设六部一室,并建立健全各部门岗位责任制。2、施工组织机构关系图:施工组织机构关系图: 3、拟投入本工程管理及技术人员配备情况:序号姓名性别职务。职称备注l赵红印男项目负责人2高景山男施工队长现场负责人项目部负责人项目经理项目副经理总工程师安全保障部办公室设备物资部工程部技术部质量检查部计划经营部防腐作业一班防腐作业二班其它作业班组下载后可任意编辑3王守俊男工程师 现场技术负责人4韩玉卓男安全员技术员专职5赵培栋男质检员工程师专职3、项目部人员各岗位职责:3.1 项目经理岗位职责:(1)派驻的项目经理必须经过法定代表人的合法授权。(2)如需更换项目经理,应至少提前 7 天以前以书面形式通知甲方, 并征得甲方同意,后任项目经理应继续行使合同文件约定的前任项日经理的职权,履行前任项目经理的义务。(3)开工前,应按项目部有关规定办理相关手续。(4)在开工前及时组织有关人员学习和熟悉施工图纸并参加工程交 底,编制和履行施工技术、...

1、当您付费下载文档后,您只拥有了使用权限,并不意味着购买了版权,文档只能用于自身使用,不得用于其他商业用途(如 [转卖]进行直接盈利或[编辑后售卖]进行间接盈利)。
2、本站所有内容均由合作方或网友上传,本站不对文档的完整性、权威性及其观点立场正确性做任何保证或承诺!文档内容仅供研究参考,付费前请自行鉴别。
3、如文档内容存在违规,或者侵犯商业秘密、侵犯著作权等,请点击“违规举报”。

碎片内容

凉水塔防腐施工组织设计

确认删除?
VIP
微信客服
  • 扫码咨询
会员Q群
  • 会员专属群点击这里加入QQ群
客服邮箱
回到顶部