电脑桌面
添加小米粒文库到电脑桌面
安装后可以在桌面快捷访问

净化空调系统施工专项方案VIP免费

净化空调系统施工专项方案_第1页
1/22
净化空调系统施工专项方案_第2页
2/22
净化空调系统施工专项方案_第3页
3/22
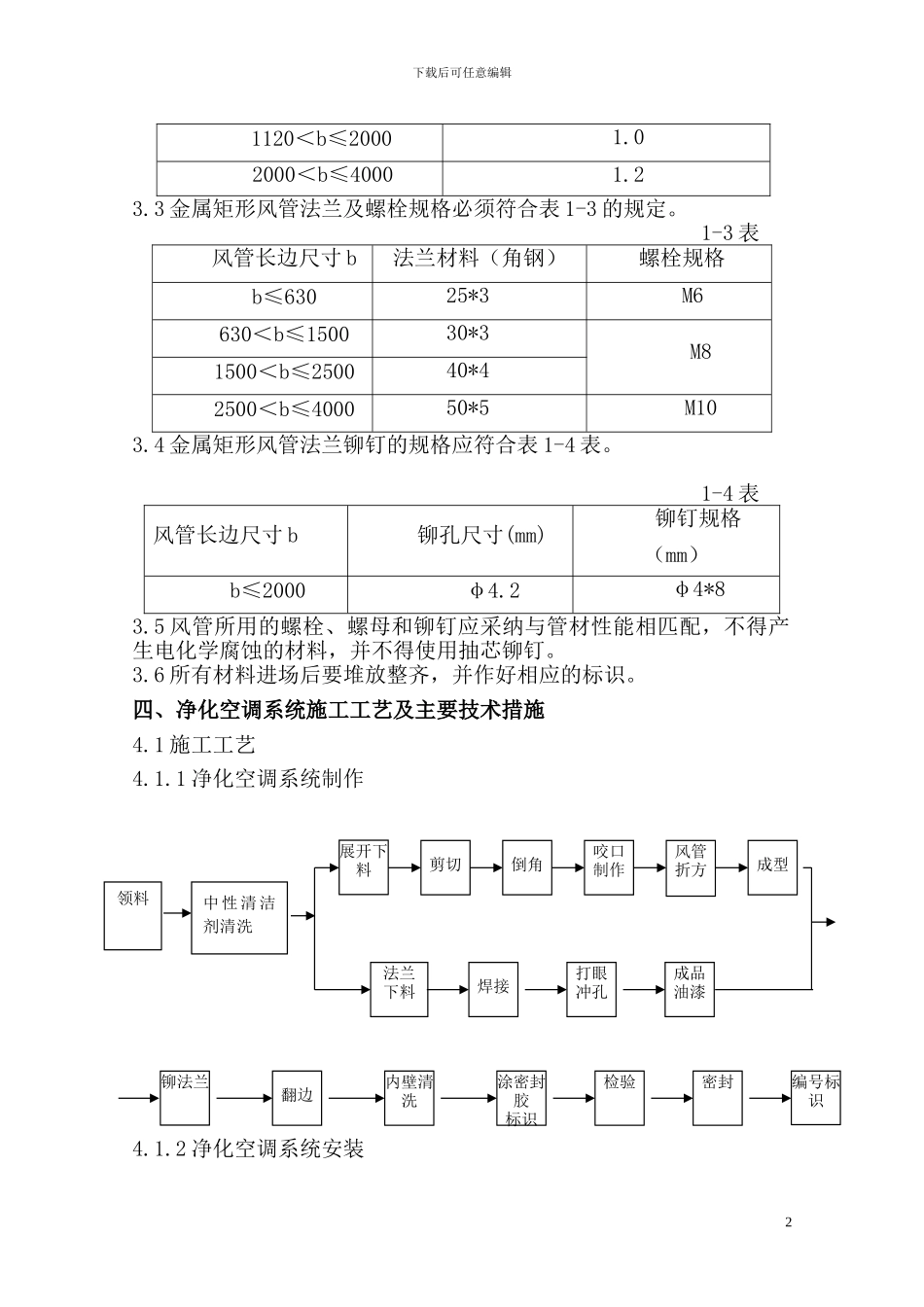
下载后可任意编辑前言:根据本工程净化空调系统的设计及净化空调系统施工的相关规定和要求,特编制了此施工专项方案。一、概况1 号建筑设计了 15 套净化空调系统。一层净化空调系统 2 套,分别为 1-J1-2、1-J1-3。二层净化空调系统 6 套,分别为 1-J1-1、1-J1-4、1-X1-1、 1-X1-2、 1-X1-3、 1-X1-4 系统。三层净化系统 4 套,分别为 1-J3-1、1-J3-2、1-J3-3、1-J3-4。四层净化系统 3 套,分别为 1-J4-1、1-J4-2、1-J4-3。其中 1-X1-1、 1-X1-2、 1-X1-3、 1-X1-4 系统为不锈钢系统,其余 11 套系统为镀锌钢板系统。2 号建筑、3 号建筑净化空调系统的设计同 1 号厂房。二、编制依据2.1 暖通施工图纸及相关变更文件。2.2《通风与空调工程施工质量验收法律规范》GB50243-20242.3 风管支吊架国家标准图 03K132三、材料的选用及要求3.1 所使用板材、型钢材料(包括附材)应具有出厂合格证书或质量鉴定文件。并符合招标文件中的品牌规定。3.2 金属风管的材料品种、规格、性能必须符合国家产品标准的规定,镀锌钢板的厚度不得小于 1-1 表的规定,不锈钢板的厚度不得小于 1-2 表的规定。 1-1 表镀锌钢板矩形风管大边长b(mm)低中压系统钢板厚度(mm)b≤3200.5320<b≤4500.6450<b≤6300.6630<b≤10000.751000<b≤12501.01250<b≤20001.02000<b≤40001.21-2 表不锈钢风管大边长 b(mm)低中高压系统钢板厚度(mm)b≤5000.5500<b≤11200.751下载后可任意编辑1120<b≤20001.02000<b≤40001.23.3 金属矩形风管法兰及螺栓规格必须符合表 1-3 的规定。1-3 表风管长边尺寸 b法兰材料(角钢)螺栓规格b≤63025*3M6630<b≤150030*3M81500<b≤250040*42500<b≤400050*5M103.4 金属矩形风管法兰铆钉的规格应符合表 1-4 表。1-4 表风管长边尺寸 b铆孔尺寸(mm)铆钉规格(mm)b≤2000φ4.2φ4*83.5 风管所用的螺栓、螺母和铆钉应采纳与管材性能相匹配,不得产生电化学腐蚀的材料,并不得使用抽芯铆钉。3.6 所有材料进场后要堆放整齐,并作好相应的标识。四、净化空调系统施工工艺及主要技术措施4.1 施工工艺4.1.1 净化空调系统制作4.1.2 净化空调系统安装2领料中 性 清 洁剂清洗展开下料剪切倒角咬口制作风管折方成型法兰下料打眼冲孔焊接涂密封胶标识翻边成品油漆铆法兰内壁清洗检验密封编号标识下载后可任意编辑4.2 净化空调系统主要施工技术措施4.2.1 施工准备◆组织施工人员学习有关...

1、当您付费下载文档后,您只拥有了使用权限,并不意味着购买了版权,文档只能用于自身使用,不得用于其他商业用途(如 [转卖]进行直接盈利或[编辑后售卖]进行间接盈利)。
2、本站所有内容均由合作方或网友上传,本站不对文档的完整性、权威性及其观点立场正确性做任何保证或承诺!文档内容仅供研究参考,付费前请自行鉴别。
3、如文档内容存在违规,或者侵犯商业秘密、侵犯著作权等,请点击“违规举报”。

碎片内容

净化空调系统施工专项方案

您可能关注的文档

确认删除?
VIP
微信客服
  • 扫码咨询
会员Q群
  • 会员专属群点击这里加入QQ群
客服邮箱
回到顶部