电脑桌面
添加小米粒文库到电脑桌面
安装后可以在桌面快捷访问

出入口幕墙样板段施工方案VIP免费

出入口幕墙样板段施工方案_第1页
1/35
出入口幕墙样板段施工方案_第2页
2/35
出入口幕墙样板段施工方案_第3页
3/35
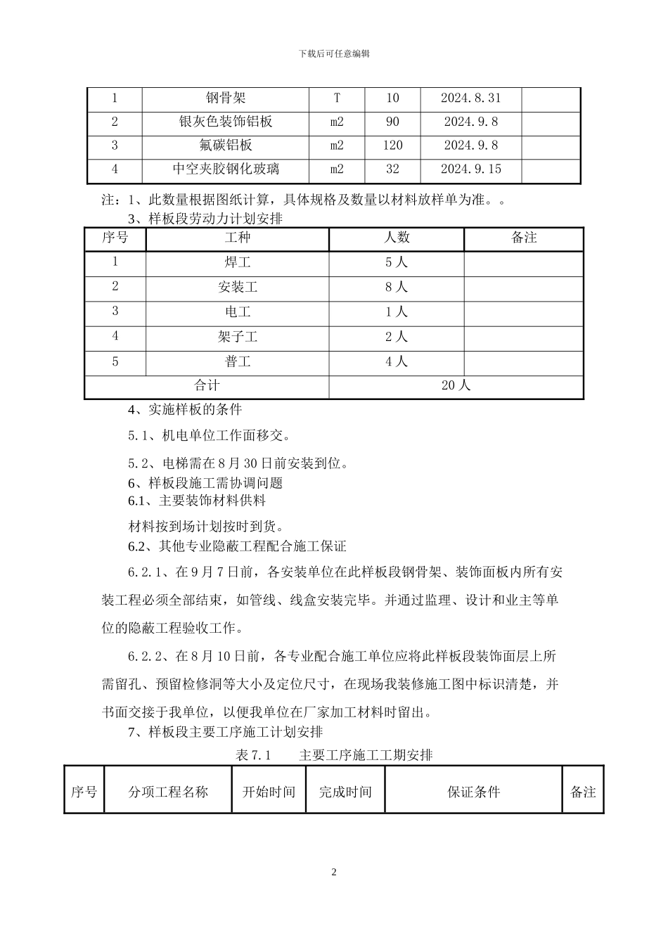
下载后可任意编辑出入口幕墙样板段施工方案为了保证工程整体质量,我部推行实行“样板先行、样板引路”的管理理念,重要工序施工前,制作样板;样板段施工过程中由监理单位进行全程监督检查,施工完成后组织业主、设计、监理一起验收,验收合格后则按样板要求大面积展开施工。在样板段施工过程中遇到的问题均是在大面积施工过程中也会遇到的问题,有了样板先行的实施,在样板施工过程中解决的相关技术问题及经验,对大面积施工能起到很好借鉴作用,可以让大面积施工时少走弯路,减少返工情况的发生;对整个工程的工期和质量,都有益处。一、施工策划1、样板段实施总策划1.1、根据现场情况结合施工图纸及施工部署,我部拟将大通桥站 4 号出入口作为装修施工样板段,主要施工内容包括:钢结构的制作安装、钢结构涂装工程、玻璃幕墙安装等施工内容。计划于 2024 年 8 月 15 日开始进行样板段钢龙骨加工及制安施工,在材料供应充足、各专业无交叉影响施工情况下,9 月 30日完成该样板段施工;通过验收后,将在该标段全线参照样板段进行整体施工。1.2、成立由项目经理为组长,项目技术负责人、生产副经理为副组长,各专业主要技术人员及施工队长为组员的样板段施工管理小组。1.3、总体施工顺序为先钢结构制作安装,再钢结构涂装,最后进行玻璃幕墙安装。 1.4、实行样板控制的分项工程主要内容包括:钢结构的制作安装、钢结构涂装工程、玻璃幕墙安装等施工内容等。2、样板段主要材料用量计划表表 3.1 主要材料到货时间计划表序号材料名称单位数量需求时间备注1下载后可任意编辑1钢骨架T102024.8.312银灰色装饰铝板m2902024.9.83氟碳铝板m21202024.9.84中空夹胶钢化玻璃m2322024.9.15注:1、此数量根据图纸计算,具体规格及数量以材料放样单为准。。3、样板段劳动力计划安排序号工种人数备注1焊工5 人2安装工8 人3电工1 人4架子工2 人5普工4 人合计20 人4、实施样板的条件5.1、机电单位工作面移交。5.2、电梯需在 8 月 30 日前安装到位。6、样板段施工需协调问题6.1、主要装饰材料供料材料按到场计划按时到货。6.2、其他专业隐蔽工程配合施工保证6.2.1、在 9 月 7 日前,各安装单位在此样板段钢骨架、装饰面板内所有安装工程必须全部结束,如管线、线盒安装完毕。并通过监理、设计和业主等单位的隐蔽工程验收工作。6.2.2、在 8 月 10 日前,各专业配合施工单位应将此样板段装饰面层上所需留孔、预留检修洞等大小及定位尺寸...

1、当您付费下载文档后,您只拥有了使用权限,并不意味着购买了版权,文档只能用于自身使用,不得用于其他商业用途(如 [转卖]进行直接盈利或[编辑后售卖]进行间接盈利)。
2、本站所有内容均由合作方或网友上传,本站不对文档的完整性、权威性及其观点立场正确性做任何保证或承诺!文档内容仅供研究参考,付费前请自行鉴别。
3、如文档内容存在违规,或者侵犯商业秘密、侵犯著作权等,请点击“违规举报”。

碎片内容

出入口幕墙样板段施工方案

您可能关注的文档

确认删除?
VIP
微信客服
  • 扫码咨询
会员Q群
  • 会员专属群点击这里加入QQ群
客服邮箱
回到顶部