电脑桌面
添加小米粒文库到电脑桌面
安装后可以在桌面快捷访问

南林高速公路施工标准化实施方案VIP免费

南林高速公路施工标准化实施方案_第1页
1/58
南林高速公路施工标准化实施方案_第2页
2/58
南林高速公路施工标准化实施方案_第3页
3/58
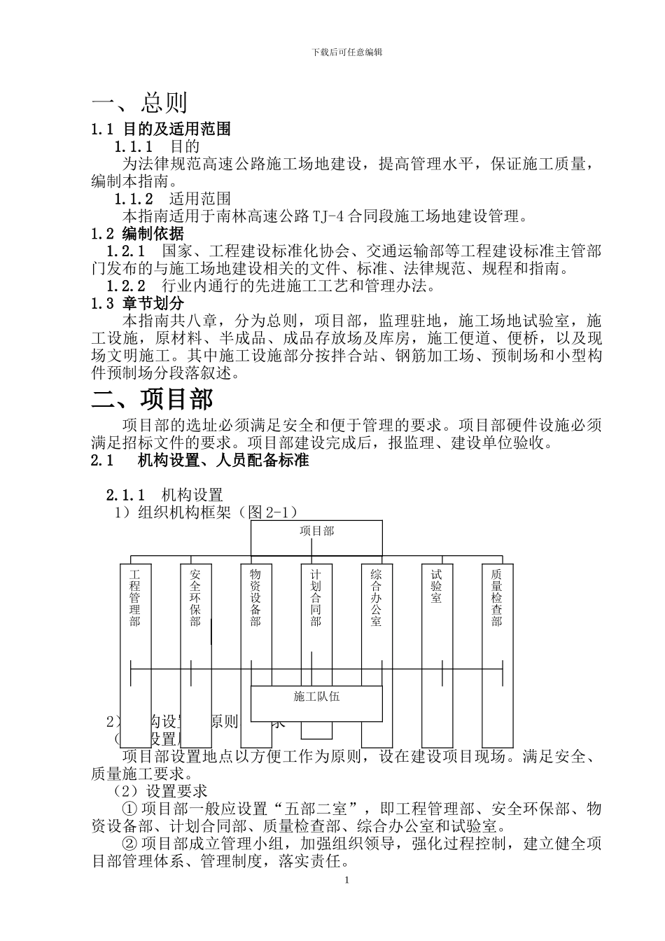
下载后可任意编辑一、总则1.1 目的及适用范围1.1.1 目的为法律规范高速公路施工场地建设,提高管理水平,保证施工质量,编制本指南。1.1.2 适用范围本指南适用于南林高速公路 TJ-4 合同段施工场地建设管理。1.2 编制依据1.2.1 国家、工程建设标准化协会、交通运输部等工程建设标准主管部门发布的与施工场地建设相关的文件、标准、法律规范、规程和指南。1.2.2 行业内通行的先进施工工艺和管理办法。1.3 章节划分本指南共八章,分为总则,项目部,监理驻地,施工场地试验室,施工设施,原材料、半成品、成品存放场及库房,施工便道、便桥,以及现场文明施工。其中施工设施部分按拌合站、钢筋加工场、预制场和小型构件预制场分段落叙述。二、项目部项目部的选址必须满足安全和便于管理的要求。项目部硬件设施必须满足招标文件的要求。项目部建设完成后,报监理、建设单位验收。2.1 机构设置、人员配备标准2.1.1 机构设置1)组织机构框架(图 2-1) 图 2-1 组织机构框架图2)机构设置的原则和要求(1)设置原则项目部设置地点以方便工作为原则,设在建设项目现场。满足安全、质量施工要求。(2)设置要求① 项目部一般应设置“五部二室”,即工程管理部、安全环保部、物资设备部、计划合同部、质量检查部、综合办公室和试验室。② 项目部成立管理小组,加强组织领导,强化过程控制,建立健全项目部管理体系、管理制度,落实责任。1项目部工程管理部安全环保部物资设备部计划合同部综合办公室试验室质量检查部施工队伍下载后可任意编辑2.1.2 人员配备1)项目部人员配备的原则项目部应根据投标承诺以及工程实际需要,配置项目部主要负责人、部室负责人及其他人员。(1)项目部人员配备应根据投标时的文件,在基本配备的基础上,再根据工程规模、工程进展阶段,实行专业调配。(2)根据人员管理培训要求,建立考核、培训、培育机制,在促进在岗工作人员技术业务素养提高的同时,加强企业文化建设,加强思想文化引导,加强廉政建设,加强团队的意识建设,制造“公正、和谐、团结、奋斗”的氛围,带动建设工作全面开展。(3)中标通知书下达后,项目部主要负责人和负责前期工作的技术人员必须及时到位。项目部其他人员,在具备施工条件时必须全部到位。2)项目部人员配备的要求根据建设项目规模及投标承诺,根据交通运输部的有关规定,结合自身特点,配置满足现场施工需要的人员,至少应配备以下人员。(1)项目部领导:项目经理 1 人...

1、当您付费下载文档后,您只拥有了使用权限,并不意味着购买了版权,文档只能用于自身使用,不得用于其他商业用途(如 [转卖]进行直接盈利或[编辑后售卖]进行间接盈利)。
2、本站所有内容均由合作方或网友上传,本站不对文档的完整性、权威性及其观点立场正确性做任何保证或承诺!文档内容仅供研究参考,付费前请自行鉴别。
3、如文档内容存在违规,或者侵犯商业秘密、侵犯著作权等,请点击“违规举报”。

碎片内容

南林高速公路施工标准化实施方案

您可能关注的文档

确认删除?
VIP
微信客服
  • 扫码咨询
会员Q群
  • 会员专属群点击这里加入QQ群
客服邮箱
回到顶部