电脑桌面
添加小米粒文库到电脑桌面
安装后可以在桌面快捷访问

商场、办公、文化科技楼施工方案VIP免费

商场、办公、文化科技楼施工方案_第1页
1/62
商场、办公、文化科技楼施工方案_第2页
2/62
商场、办公、文化科技楼施工方案_第3页
3/62
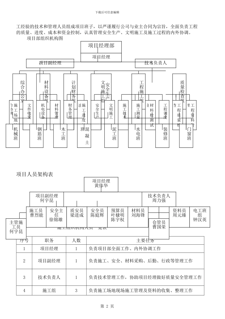
下载后可任意编辑一、 施工总概述1.1 编制依据与编制原则1.1.1 编制依据本施工组织设计是商场、办公、文化科技楼工程施工组织、施工方法、工艺标准、项目工期、工程质量保证及造价控制的依据,也是对工程进行施工的指导性文件。本施工组织设计的编制依据:1、施工现场情况;2、国家和行业颁布的有关现行的法律规范、规程和标准;3、广东省及广州市的有关文件和规定;4、设计文件、设计施工图。1.1.2 编制原则1、结合实际、突出重点,兼顾一般、周密部署、合理安排;2、均衡作业、网络控制、按实调整、工期倒排、按时完工;3、规划创优、方案切实、措施到位,法律规范施工,确保质量;4、安全生产、文明施工、注意环保、多方并重、争创双优;5、推行使用新技术、新工艺、新材料。1.2、工程概况1.2.1、工程关系1、工程名称:广州市东方农工商联合公司商场、办公、文化科技楼2、工程地点:大金钟路 35-39 号3、建设单位:广州市东方农工商联合公司4、设计单位:广州市建工设计院5、监理单位:广州市广州工程建设监理有限公司6、施工单位:惠州市建筑工程总公司广州分公司1.2.2、本工程基本建设规模与结构形式1、总建筑面积:20500 平方米2、建设层数:地下一层,地上八层。3、结构形式:现浇钢筋混凝土框架结构。1.2.3、工期质量要求本工程施工工期计划于 2024 年 11 月 15 日开工,到 2024 年 9 月 15 日完成全部工程内容,并通过有关部门验收。工程质量达到合格标准。1.3、施工程序总体设计1.3.1、施工目标1、质量目标确保本工程一次交验合格率 100%,工程一次交验优良率 85%。本工程质量目标为合格工程。2、工期目标参照国家定额要求,确定本工程的工期为 300 天(日历天)。3、安全、文明施工目标加强施工现场的安全文明施工管理,确保达到广州市安全文明施工样板施工场地。4、服务目标服务及时、准确和友好,确保业主(用户)满意,并实行服务承诺制。1.3.2、现场管理组织机构1、为确保实现工程管理目标,公司拟成立“商城、办公、文化科技楼工程项目部”,实行项目法管理,选派有优秀业绩的项目经理担任该工程项目经理,并选派具有类似工程施第 1 页下载后可任意编辑工经验的技术和管理人员组成项目班子,以严谨履行公司与业主合同为宗旨,全面负责工程的质量、进度、成本和资金控制,认真管理安全生产、文明施工及施工过程的内外协调。项目部组织机构图 项目人员架构表1.3.3、管理人员机构和人员配备(见下表)施...

1、当您付费下载文档后,您只拥有了使用权限,并不意味着购买了版权,文档只能用于自身使用,不得用于其他商业用途(如 [转卖]进行直接盈利或[编辑后售卖]进行间接盈利)。
2、本站所有内容均由合作方或网友上传,本站不对文档的完整性、权威性及其观点立场正确性做任何保证或承诺!文档内容仅供研究参考,付费前请自行鉴别。
3、如文档内容存在违规,或者侵犯商业秘密、侵犯著作权等,请点击“违规举报”。

碎片内容

商场、办公、文化科技楼施工方案

您可能关注的文档

确认删除?
VIP
微信客服
  • 扫码咨询
会员Q群
  • 会员专属群点击这里加入QQ群
客服邮箱
回到顶部