电脑桌面
添加小米粒文库到电脑桌面
安装后可以在桌面快捷访问

土工合成材料加筋垫层施工作业指导书VIP免费

土工合成材料加筋垫层施工作业指导书_第1页
1/5
土工合成材料加筋垫层施工作业指导书_第2页
2/5
土工合成材料加筋垫层施工作业指导书_第3页
3/5
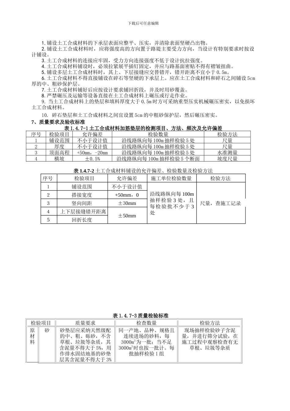
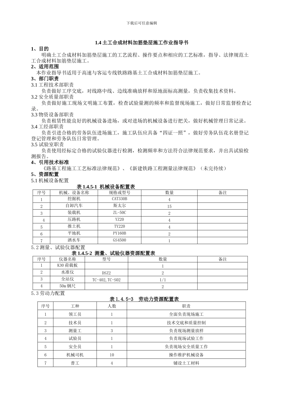
下载后可任意编辑1.4 土工合成材料加筋垫层施工作业指导书1、目的明确土工合成材料加筋垫层施工的工艺流程、操作要点和相应的工艺标准,指导、法律规范土工合成材料加筋垫层施工。2、适用范围 本作业指导书适用于高速与客运专线铁路路基土工合成材料加筋垫层施工。3、部门职责3.1 工程技术部职责负责做好工序交底,对线路中线、边线准确放样和原地面标高测量,负责收集技术资料。3.2 安全质量部职责负责做好施工现场文明施工布置,检查试验量测的频率和监督现场施工,做好日常监督检查记录。3.3 物资设备部职责负责租赁性能良好的机械设备进场,或对进场的机械设备进行把关,做好机械管理日常记录。3.4 工经部职责负责引进合格的劳务队伍进场施工,施工队伍应具备“四证一照”,做好劳务队伍花名册登记登记管理和劳务队伍日常管理。3.5 试验室职责负责使用经标定合格的试验仪器进行检测,检测频率和方法符合法律规范要求,并出具试验检测报告。4、引用技术标准《路基工程施工工艺标准法律规范》、《新建铁路工程测量法律规范》(未完待续)5、资源配置5.1 机械设备配置 表 1.4.5-1 机械设备配置表序号机械、设备名称规格或型号数量备注1挖掘机CAT330B42自卸汽车斯太尔153装载机ZL-50C24压路机YZ2045推土机TY22046平地机PY160B27洒水车GS450015.2 测量、试验仪器配置 表 1.4.5-2 测量、试验仪器资源配置表序号仪器名称型号数量备注1K30 荷载板12水准仪DSZ223全站仪TC-402,TC-S021/1450m 钢尺25.3 劳动力配置 表 1.4.5-3 劳动力资源配置表序号工种人数职责1领工员1全面负责现场施工2技术员1技术交底和质量控制3测量工3负责现场测量放样4试验员1负责现场试验工作5安全员1负责现场安全质量工作6机械司机10操作维护机械设备7普工4铺设土工材料下载后可任意编辑8其他机械工、普工10维护机械设备、从事一般工作6、施工工艺及技术要求6.1、施工工艺1.4.6-1 工艺流程图6.2、技术要求6.2.1、施工准备 1. 施工场地(1) 清理场地,将路基范围内原地面上淤泥、树根、草皮、腐植土等全部挖除,原地面基底密实、平整,坑穴应填平,并形成约 2%的向外排水坡。修筑临时排水沟,疏干场内积水,使周边水不再进人场内,雨水、渗水随时排出。同时做好临时储备砂、石垫层料场地。(2)新修或扩建既有道路,为垫层填料进场和机械进场做好道路准备。(3)通电准备:接地方电网或备发电机,提供施工中用电的需求。(4)通水准备:打井或拉水,保证施工中...

1、当您付费下载文档后,您只拥有了使用权限,并不意味着购买了版权,文档只能用于自身使用,不得用于其他商业用途(如 [转卖]进行直接盈利或[编辑后售卖]进行间接盈利)。
2、本站所有内容均由合作方或网友上传,本站不对文档的完整性、权威性及其观点立场正确性做任何保证或承诺!文档内容仅供研究参考,付费前请自行鉴别。
3、如文档内容存在违规,或者侵犯商业秘密、侵犯著作权等,请点击“违规举报”。

碎片内容

土工合成材料加筋垫层施工作业指导书

您可能关注的文档

确认删除?
VIP
微信客服
  • 扫码咨询
会员Q群
  • 会员专属群点击这里加入QQ群
客服邮箱
回到顶部